问:有一台上海牌104型电视机的行输出变压器坏了,能用北京牌825型电视机的行输出变压器代换吗?
答:可以,因为两种型号的电视机都使用35SX2B显象管。但是上海牌104型的两组行偏转线圈是并联接法,而北京牌825型的两组行偏转线圈是串联接法,所以,用825型行输出变压器代换时,应先将104型电视机的行偏转线圈重新改接。改接的方法如下:将偏转线包取下,轻轻打开,在偏转线包内接线脚上,如图所示,从“3”脚处将一组行偏转线圈断开,改接在“5”脚上,然后用一根导线接在原偏转线包引线插头的“5”脚上(应逆时针方向数,此脚原为空脚),引线插头的“4”脚仍为两组行偏转线圈的中心端。换上北京牌825型行输出变压器后,将各线头按照825型线路一一对应接好,中心端应接在825型行输出变压器接线头“3”上;偏转线包引线插座的“5”脚,用一导线接825型行输出变压器接线头“4”上。这样改接后,如果出现三角形光栅、梯形光栅等,应当将偏转线包引线插头的“5”脚与“3”脚对调一下,光栅就会正常。(王新宇)

问:有一台北京牌825-2到电子管电视机,在收看节目时,出现垂直不同步,水平幅度小,边缘不齐。为什么?如何解决?
答:这种故障是由于电源中倍压整流电解电容老化和漏电造成的。在这种电视机中,电子管各极直流电压是由图1所示的全波倍压整流电路供给的。当电路中的电解电容失效时,就会造成整个直流电路电压降低,滤波不良,使交流纹波增大。如果纹波电压叠加到同步分离管上,就会使分离级失效,出现垂直扫描不同步。同时,行同步的同步点也受到交流调制,从而使边缘不齐。另外,伴音中还会产生交流哼声。首先应检查倍压整流电路,正常时直流电压为310伏,如果电压降低很多(200伏或230伏),说明两只电解电容中,已经有一只开路或老化了。进一步检查每只电容器两端的直流电压降,如果那一只电容器的电压降低于正常值(150伏),就说明那个电解电容失效(根据电容老化的程度不同,有70伏、50伏等)。把老化的电解电容换掉,就能解决。(王根源)

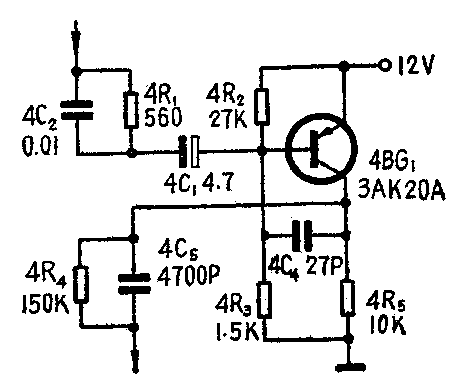
问:有一台凯歌牌4D4型晶体管电视机,收看图象清晰,但上下、左右跳动,调整行频或场频旋钮无效,不知何故?如何解决?
答:这种现象说明电视机的信号通道工作正常,但同步系统出了故障。场和行同步脉冲从全电视信号中分离不出来,就会使图象产生上下和左右跳动。常见的故障是同步分离管4BG\(_{1}\)(3AK20A)损坏或是基极耦合电容4C1(4.7μ)损坏或与其它元件相碰。这部分电路如图所示。用万用表检查4BG\(_{1}\),无信号输入时,集电极的正常电压为2伏;有信号输入时,集电极的正常电压为2.5~4伏。如果测得集电极电压很高,可能是4BG1的eb结击穿了,或是4C\(_{1}\)漏电和短路;如果测量集电极无电压,可能是4BG1的发射极和基极开路了;如果集电极电压在有、无信号输入时均无变化,则可能是4C\(_{1}\)开路了。(景冠桦)

问:飞乐739和杜鹃611晶体管收音机,使用时一打开音量电位器声音就很大,要想把音量关小一点却很困难,特别是在接收小电台或远地电台时是这样,有什么办法加以解决?
答:这种收音机第二中放兼作来复低放,音量电位器同时控制中放和低(见附图),因此控制量很大。调节音量电位器时,控制音量是否平滑要看具体情况。如果电位器本身没有毛病,可找一个6800微微法的小电容,焊接在电位器不接地的那个接头和中间接头之间。这样,电位器只控制低放音量而不再控制中放,要想把音量关小一点就比较方便了。(吴仿渊)

问:收音机振荡回路用的拉线电容器,能否用瓷介半可变电容器代用?
答:瓷介半可变电容完全可适用于振荡回路作微调用。只是因为半可变瓷介电容价钱比拉线电容高,所以工厂产品多采用拉线电容。在业余条件下可不受这种限制。(毛瑞年)