这只万用表没有表头,是用一个小灯泡作测量指示的。它的电压灵敏度较高,电流最小档量程为25微安。它的主要缺点是测量的准确度稍差些。
测试原理
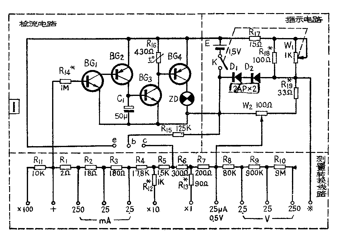
原理线路见图1。它由测量转换线路、检流电路和指示电路三部分组成。为便于说明,画出了图1的简化电路如图2所示。下面分别介绍各项目的测试原理。


1.测电压 在图2线路中,当A、B端未加测量电压时(U=0),BG管的基极电路有一基极电流,管子的集电极电路也有一集电极电流流过小灯泡。调整W\(_{1}\),使当W2的滑动臂滑到“m”位置时,小灯泡刚刚被点亮。在W\(_{2}\)的旋柄上安置一刻度盘,并把滑动臂置“m”位置时的刻度定为“0”。
当加上外测信号时(极性如图中所示),BG管的发射结的正向电压增大,集电极电流也增大,小灯泡更亮。此时改变W\(_{2}\)滑动臂的位置,使BO间的电压减小,当减少的电压恰好等于加上的待测电压时,BG管原来增加的正向偏压将被抵消,集电极电流,即通过小灯泡的电流便恢复到原来小灯泡刚好被点亮时的数值。此时刻度盘上指示的电压(即BO间减少的电压)就表示了待测电压的大小,即
U=U\(_{mn}\)……(1)

由于上述电路允许测量的最大电压不能超过BG管最大允许基极电压,为扩大测量量限,在测量转换线路里串联一只电阻R串如图3所示。当
U\(_{mn}\)=UR串R+R\(_{串}\)
时,小灯泡恰好恢复到刚被点亮状态,此时
U=\(\frac{R+R}{_{串}}\)R串·U\(_{mn}\)……1(a)
根据公式1(a)计算出2.5V、25V、250V各档相应电阻为80KΩ、900KΩ、9MΩ见图1。
2.测电流 当电阻一定时,电流和电压成正比,因此从图2可得出待测电流的公式为
I=\(\frac{U}{_{mn}}\)R……(2)
式中R为分流电阻,取不同的分流电阻值,得到不同的电流量限见图1。
3.测电阻 有两种方法,一种方法是利用上述测电流的电路,接上辅助电池,就象一般万用表的电阻测试档一样。另一种方法就是不用另外加辅助电池,测试原理线路见图4。当AC间未接待测电阻R\(_{x}\)时,W2的滑动臂置于“m”位置上,小灯泡刚好被点亮;在AC间加上R\(_{x}\)后,电路里电流方向如图中箭头所示。由于BG的基极电流增加,小灯泡里的电流增大。我们改变电位器W2的滑动臂位置,使BO间的电压减小,当减小的电压恰好等于因接上R\(_{x}\)在电阻R上产生的电压(UAB)时,小灯泡中的电流恢复到原来刚好被点亮时的数值,此时
U\(_{AB}\)=IR=UCAR\(_{X}\)·R(忽略Ib),而U\(_{AB}\)=Umn
所以 R\(_{x}\)=UCAU\(_{mn}\)·R……(3)

式中U\(_{CA}\)、R都是设计值。在图1所示的电路上,取VCA=0.25伏,R=R\(_{1}\)+R2+R\(_{3}\)+R4+R\(_{5}\)+R6+R\(_{7}\)=20千欧,因为Vmn的变化范围为0~0.5伏,所以电阻的测量范围为∞~10千欧,中值为20千欧。为使测量的最低阻值降到0,在图1中串联了电阻R\(_{11}\),此时中值降为10千欧(×100档)。根据公式(3),算出各档转换电阻如图1所示。
4.测交流电压和交流电流 由于复合管放大器工作在非线性区域时,对交流具有自整流作用,因此能直接用于测交流电压、交流电流。
5.测放大倍数β- 测试原理线路见图5。当插上待测管时,待测管的集电极电流就加到BG管的基极,灯泡电路里的电流增大。这时改变W\(_{2}\)的滑动臂位置,使Umn=U\(_{RH}\),通过小灯泡的电流又恢复到原来的数值。由于URH=β-I\(_{b}\)RH,所以
β-=\(\frac{U}{_{mn}}\)IbR\(_{H}\)……(4)

式中I\(_{b}\)、RH为设计值,取I\(_{b}\)=10μA、RH=R\(_{6}\)+R7=500Ω,因U\(_{mn}\)=0.5V,所以β的最大量限为100。它的最低量限也是0。
测I\(_{ceo}\)时,将待测管的基极留在管座外,按上述方法读出Umn,则
I\(_{ceo}\)=UmnR\(_{H}\)……(5)
在图1线路中,I\(_{ceo}\)的测量范围为0~1mA。
元件选择
BG\(_{1}\)、BG3用3DG6或其它NPN型硅三极管,可挑选放大倍数高、穿透电流小的管子。BG\(_{2}\)为3AG或3CG型三极管,要求穿透电流要尽可能的小。BG4为3AX31或其它低频功放管,β在100以上。
电位器W\(_{2}\)应选用直线式线绕电位器。W1选用小型碳膜电位器,要带开关,作为电源开关。ZD为6~12V的小灯泡,E为一节2号电池。R\(_{16}\)为负温度系数的热敏电阻。
安装与调整
我们把电路的元器件安装在一块绝缘板上,绝缘板的另一面再粘上面板。面板如图6所示。

由于本仪器在精确度方面要求不高,调整工作主要是使各基本量限都在W\(_{2}\)的可调范围内。调整方法是第一步先调指示电路里的工作电流。用一块电压表并联在W2的两端,把W\(_{1}\)调在中值位置上,然后调R18,使电压表上的读数为最小电压量程的120%左右,例如,本表电压最小量限为0.5伏,所以调电阻R\(_{13}\)使电压表读数为0.6伏左右。第二步调检流电路的输入端的基极电压Ubo。将W\(_{2}\)的滑动臂置“0”位,并和BG1的基极(即“+”插孔)用导线接通,调R\(_{14}\)使小灯泡处于刚好点亮的状态。第三步调电阻挡的“0”值恰好在电压的满刻度处。将W2的滑动臂旋至满刻度处,用导线把插孔“※”和“×100”接通,调电阻R\(_{19}\),使小灯泡处于刚好点亮状态;然后把导线改接在“※”和“×10”插孔中,调整电阻R12,使灯泡刚好点亮;最后再把导线改接在“※”和“×1”插孔中,调R\(_{13}\),使灯泡刚好点亮。
直流、交流和电阻三条刻度线的绘制是:直流是均匀刻度的,用标准表定下基本量限的终值位置后按等分法绘制。交流线是非均匀刻度的,必须利用标准表的指示值在刻度盘上多定出一些点,然后按其特性趋势再划分小刻度。电阻档的刻度线也不是等分的。可按公式(3)来绘制,也可以用标准电阻值在刻度盘上定出一些点,再按其特性趋势划分小刻度。
使用说明
使用前先进行调零。旋动W\(_{1}\)旋钮接通电源,再旋动W2,使指针位于刻度盘的“0”值处。再旋动W\(_{l}\)旋钮,使小灯泡刚好点亮(应记住这时的亮度)。
测电流时,将表笔插头分别插入面板上“+”和合适的“mA”或“μA”插孔,然后用表笔把本仪器串接到待测电路。旋动W\(_{2}\),使灯泡刚好点亮,此时指针在“-”(直流刻度线)刻度线上的数值就是待测的电流。
同理,测量电压时,将表笔插头分别插在“+”和合适的“V”插孔内,将仪器并联在待测电路两端,在“-”(直流)刻度线上读数。测交流电流和电压时,将表笔插头分别插在“+”和“mA”或“V”插孔中,从“~”(交流)刻度线上读数。测电阻时,将表笔插头分别插入“※”和合适的电阻倍率插孔,接上待测电阻,旋动W\(_{2}\)使小灯泡刚好点亮,在“Ω”刻度线上读数。测β-时,将晶体管插入管座,旋动W2,使小灯泡刚好点亮,在“-”刻度线上读数(β-的满度值为100,每小格为2)。测I\(_{ceo}\)时,将管子的基极从插座上拿开,也在“-” 刻度线上读数(满度值为1mA,每小格为20μA)。
用它来鉴别火、地线时,旋动W\(_{1}\)接通电源,调W2使指针指零,旋动W\(_{1}\)使灯泡刚点亮。将表笔插头插入“+”插孔,用表笔分别接触地、火线,如果灯泡发光增强,则所测点为火线;若无变化,为地线端。(季如生)