在数控设备和数字式仪表中,采用十进制数字显示的地方很多。常常可以看到显示的是056或0023之类的数字,这样的多位数字容易误视,看起来很不习惯,读起来也会感到别扭。因此就有必要把有效读数前面的0或00去掉,不给显示出来,如将056数字显示成56,将0023数字显示成23,这就叫做消0。
注意:在这篇文章里,0表示数字0,“0”表示低电平,“1”表示高电平,不能混淆。
要实现消0,可以同时采取以下两点措施。
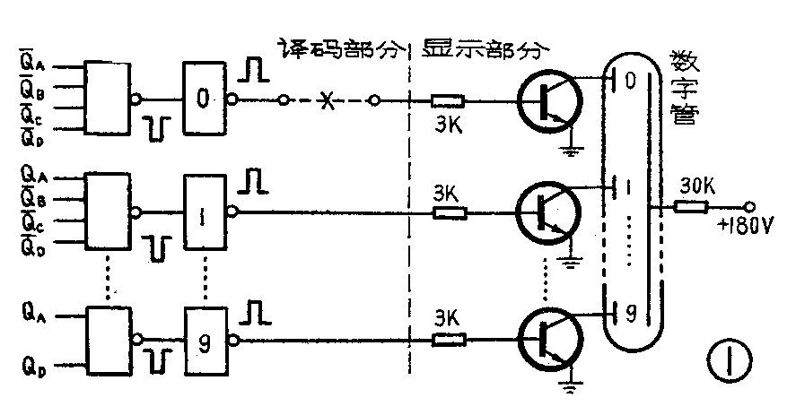
一、在显示部分:断开最高位的数字0显示线,即把高反压管的集电极连到数字管0电极的连线断开(见图3中百位数字管部分标出的断开点)。
因为最高位数的0始终没有意义,所以,如果总共需要显示三位数,就把百位数的0显示线断开;需要显示四位数,就把千位数的0显示线断开。
二、在译码部分:将译码器的0输出端与显示部分断开(见图1中的×号),接入消0电路。图2是三位数显示用的消0电路,表1是图2的真值表。图3是加入消0电路后三位数显示的具体连接方法。
表1
输 入 输出
a(百位) b(十位) E(十位)
“0” “0” “0”
“0” “1” “1”
“1” “0” “0”
我们知道,只有当译码器的输出为“ 1”时,高反压管才能导通,数字管才能通过电流显示出这一位的数字来。反之,当译码器的输出为“0”时,高反压管处于截止,从而数字管没有电流通过,这一位的数字就不能显示出来。
对三位数的消0电路,我们要求它能起到如下的作用:(1)当百位数为0时,十位数的0不显示;(2)只有当百位数不等于0时,十位数的0才能显示。从真值表1可以看出,图2这个电路正好适应上述的要求。当a=“0”时(即百位数不是数字0时),E等于b的状态(即十位数若是0就可以显示出0字);当a=“1”时(即百位数是0时)则E点的状态只能为“0”(即十位数不能显示数字0)。
图4是四位数消0电路,表2是图4的真值表。具体接入线路的方法由图5示出。
表2
输 入 输 出
a(千位) b(百位) C(十位) E(百位) F(十位)
“0” “0” “0” “0” “0”
“0” “0” “1” “0” “1”
“0” “1” “0” “1” “0”
“0” “1” “1” “1” “1”
“1” “0” “0” “0” “0”
“1” “0” “1” “0” “1”
“1” “1” “0” “0” “0”
从图4中可以看出上半部分与三位消0电路是一样的,只是增加了下半部分。从表2真值表中知道,当a=“0”时,E等于b的原来状态,F等于C的原来状态。因为a=“0”时,表示千位数不是数字0,而是1~9中的某一个数,所以百位数和十位数如果是0都应显示。只有在a=“1”时,这时千位的0译码器的输出为“1”状态,即千位数等于数字0;但是,因为千位数的高反压管集电极与0电极的连线已被断开(第一点措施),所以千位的0不显示。同时,因为a=“1”,所以E肯定应该是“0”状态。这就是说,这时百位数的0译码器输出不论是什么状态,由于E=“0”,使百位数的数字0不能显示出来,这样就消去了百位数的0。
对于十位数的0是否要消去,唯一的条件是a=“1”和b=“1”同时成立时,不论十位数0译码器的输出状态是“0’还是“1”,F被迫为“0”,使十位数的0数字不能显出。
采用了这种消0法后,如有一个四位数字,原来这四位数全部是0时,显示出的是0000,现在只显出个位数的0,以表示计数的起始状态。因此,个位数的0译码、显示部分就不必改动了。
以上介绍了三位和四位的消0法,如果位数再多需要消0,只要按照上面讲的道理,在此基础上增加些电路,同样可以达到消0的目的。
图中的逻辑元件,都是单与非门集成电路。如果原来译码器是采用TTL元件的话,可选用T060型单与非门;如果译码器是HTL元件的,可选用H003型单与非门电路作消0电路。(邱贤杰)




