1.在电感L与交流电流表串联的电路中,当L两端再并联一个电容C时,能否使电流表上的电流读数维持不变?这时电容C应为多大?

2.图中给出了一个三级放大器电路,你能判断出哪一级是共发射极电路、共集电极电路、共基极电路吗?如果U\(_{入}\)为正弦波,你能画出a、b、c点输出电压波形吗?

上期“想想看”答案
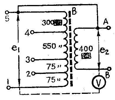
1.我们知道,电视机的行输出变压器是一个自耦变压器。因此,我们先把低压包的“5”端与高压包的“A”端相接,然后在低压包的“1”与“5”端之间输入6.3伏的交流电压(此电压可从电子管收音机的灯丝电源取),然后把电压表接在低压包的“l”端与高压包的另一端B端,见图中虚线所示。若测得这两端电压大于输入电压6.3伏,则“5”端接“A”端就对了。因为这时相当于感应电动势E\(_{1}\)和E2相加,说明低压包与高压包是异名端相接,自耦变压器能起到升压作用。若测得这两端的电压小于输入电压,则应调换高压包或低压包的一个头。

另外,用这种方法还能大致估计高压包或低压包的匝数是否满足要求。比如以图中匝数为例,得低压包匝数与高、低压包总匝数比为
1000∶1400=6.3∶X,求出
X=\(\frac{6.3×1400}{1000}\)≌9伏
若测得的电压值与计算值有较大的误差,则说明高压包或低压包的匝数不对。(王兴禄)
2.该电路中,由于桥臂电阻成比例,所以两个电桥是平衡电桥。从平衡电桥的特性可知,在乙电桥电路中,E、F两点电位相同,所以不论K\(_{2}\)接通还是断开,对电桥电路无影响。同理,在甲电桥电路中,由于C、D两点的电位相同,所以在C、D两点间乙电桥电路接入与否,对甲电桥电路也没有影响。从这里可以看出,不管K2接通还是断开,电流表上的读数不变。在甲电桥电路中,A、B两端的总电阻为15K(两个30K的电阻并联),所以流过电流表的电流I=6/(2.5+2.5+15)×10\(^{3}\)=0.3毫安。(于俊安)