比较好的半导体收音机,往往装置一种微安表来作调谐指示器,但由于它实际上是一个微型精密仪表,成本很高,而且容易损坏,故一般普及机很少采用。为了能给半导体收音机装上“小电眼”,笔者试验了几种用发光元件做指示器的电路,现介绍如下供参考。
随着半导体和集成电路的发展,耗电极省的发光器件也陆续出现。这就为半导体收音机安装发光调谐指示电路提供了方便。例如,为适应夜间收听选台的需要,安装小电珠照亮刻度,在国内外已普遍采用。这种度盘照明灯也可用来作调谐指示。国外的半导体收音机已逐渐采用“可充电池”作为电源,国内也普遍使用外接小稳压电源,这就打破了人们心目中存在的用发光元件作调谐指示耗电多的顾虑。实际上,目前的发光器件耗电也不大,例如我国生产的XDC超小型指示灯的额定电流均在40毫安以下,并能在其中挑选出工作电流为十几毫安的。半导体发光元件,如磷砷化镓发光二极管,其额定电流仅10毫安左右,所需工作电压仅1.5伏。如果我们设计指示管在选中电台时亮度最暗、耗电最省,则电流消耗是很小的。
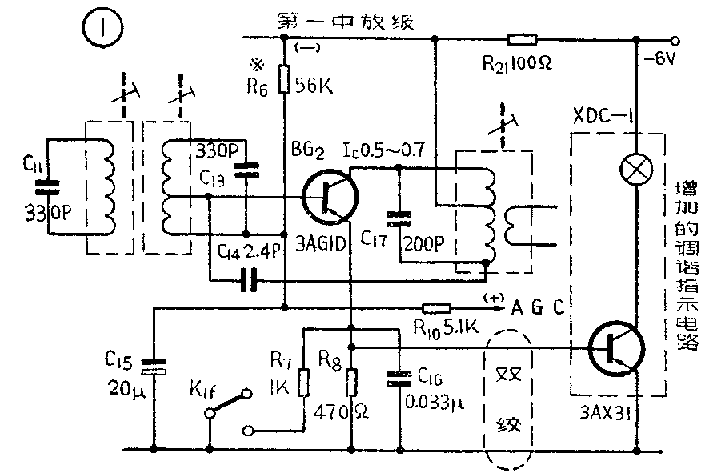
大家知道,小白炽灯和发光二极管通过的电流越大,灯的亮度越大,反之就越暗。这种特性正好用来作调谐指示。超外差式半导体收音机的第一中放管集电极电流的大小,和它的基极的正向偏流成正比。当收音机收到强信号时,经中放管放大和检波后的电压增高。通过R\(_{1}\)0(图1)送到中放管的自动增益控制(AGC)电压也增高,它与中放管基极偏压极性正相反,因此中放管的基极偏压就减小。反之,如收到的电台信号越弱或无台,则一中放管的偏压增大。

简化电路如图2。图中BG\(_{1}\)是第一中放管。R1是中放管发射极电阻,其两端的压降与其集电极电流成正比。当收音机没有收到电台时,BG\(_{1}\) 的集电极电流最大(一般在0.5~0.7毫安)当收到强电台时,由于自动增益控制作用,使集电极电流被减低到0.04毫安左右。如果R1的阻值为1千欧,则它两端的电压变化在700~40毫伏之间。

由于R\(_{1}\)上的压降及电流都较小,不足以推动小白炽灯,所以需要再加上一个直流放大管BG2来推动指示灯。由于共发射极电路的放大管的集电极电流是其基极电流的β倍,如选用指示灯的电流为10毫安,又设BG\(_{2}\)管的β为100,那么直流放大管的基极注入电流只要0.1毫安就可以使指示灯发出最大亮度了。由此分析可看出:无信号时,BG1集电极电流最大,R\(_{1}\)上的压降最大,注入到BG2基极的电流最多,因此BG\(_{2}\)的集电极电流最大,调谐指示灯最亮。
反之,当有电台信号时,由于自动增益控制的作用,BG\(_{1}\)的偏流减小,其发射极电流减低,R1上的压降变小,注入到BG\(_{2}\)基极的电流减少,故流过指示灯的电流也少,亮度变暗。
图3是用磷砷化镓发光二极管做调谐指示管的电路,原理与图2基本相同,只是为了保护发光二极管,多加了一只限流电阻R\(_{2}\)。这是笔者用上海人民无线电厂生产的星火牌6J3-1型晶体管交直流二用收音机安装调谐指示的具体电路。为了便于读者实际安装的方便,图中元件的编号及数值均以该厂生产的整机出厂说明书为准。本电路的XDC-1型超小型指示灯,经组装后实测其无信号电流为15毫安;当接收本地强电台时,电流仅2.5毫安;接收外地电台时,一般在8~10毫安左右。为了使调台时,灯的亮度变化突出,可将远近程开关放在“远程”位置,待调好后再根据需要将开关置于“近程”位置。

推动指示灯的晶体管,一般选用低频三极管3AX31即可,要求不太严格,I\(_{ceo}\)大一点也可以,但β值最好选大一点的为佳。
对于只作调谐指示用的XDC—1型指示灯,在6J3型收音机上的具体安装位置,是在度盘上文字2BAND和MW的中间,并打孔将灯螺装在黑色度盘上(见图4)。为了能清晰均看到指示灯的灯丝亮度变化,如原灯的塑料外罩为半透明的,可以将它拆掉,并换上一个自制的绿色或红色透明有机玻璃罩(形状可根据不同收音机的具体情况和个人爱好而定),以增加美观和清晰度。直流放大管3AX31可利用电池盒下面的空间安装。从图1中BG\(_{2}\)的发射极电阻R8引出到直流放大管3AX31的两根连线应绞合起来,以防干扰。

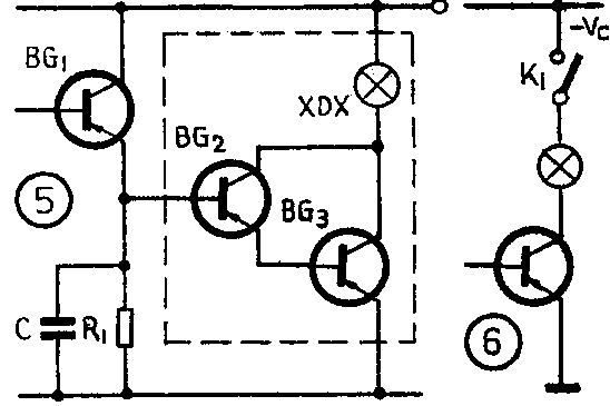
在晶体管扩音机(带收音部分的)和晶体管四用机中,由于是用交流整流并经过稳压供电的,所以调谐指示灯也可以选用一般XDX型指示灯(6伏100毫安),作调谐指示管用。由于电流较大,可以采用二管复合连接,如图5所示,其中BG\(_{2}\)可用3AX31,BG3可用3AX81。第一中放管发射极电阻R\(_{1}\)的阻值,选大一点可以提高调谐指示灯的指示灵敏度。

如需进一步节省耗电,还可以按图6加接一个小开关。选台时接通K\(_{1}\),选中电台后再切断。
当调谐指示灯兼作度盘照明用时,为得到最大亮度,还可以在三极管集电极和发射极上加一个按钮开关K\(_{2}\)(如图7所示)。选台时按下K2,指示灯最亮,当指针接近所选频率时,放开手,K\(_{2}\)自动弹回断路。此时的指示灯就起非调谐指示管的作用了。

在耗电不成问题的收音机中,例如采用小直流稳压电源的晶体管收音机中,也可以根据个人爱好和习惯,使调谐指示管在选中电台时最亮,没有选中电台时最暗或不亮。为了达到这种效果,可按图8增加一个三极管反相器就行了。其电路原理是:没调到电台时,BG\(_{2}\)导通,R1上的压降最大,A点对地电压最低,BG\(_{3}\)基极偏压也小,它不导通。反之,选中电台后,由中放管发射极取出加到BG2基极的电压降低,BG\(_{2}\)集电极电流减小,A点与地之间电压增高,BG3基极偏压增高,BG\(_{3}\)导通,集电极电流增大,指示灯最亮,说明选中电台了。图8中R1的阻值可在2~10千欧之间选取。R\(_{2}\)可用30千欧半可变电阻实调确定,即BG3的β大时,R\(_{2}\)阻值调大些,反之R2应调小。这种电路由于多加了一级放大,所以具有指示灵敏度高的优点。(王本轩)