半导体收音机中的小型电解电容器发生故障,会使收音机出现灵敏度降低、啸叫、不收音等故障,甚至引起其他故障。本文将谈谈电解电容器在收音机中应用的知识和一些故障例子,供检修参考。
目前常用的小型电解电容器有铝壳的和塑料封装的两种,从结构上分有轴向式,即两头引出线的和一头引出线的。电解电容器的优点是电容量可以做得很大,例如耐压几百伏的电解电容,其容量可做到100微法上下;耐压几十伏的,其容量可达几百到几千微法。耐压在一、二十伏以内、容量在100微法左右的电解电容器,其体积可以做得很小。但电解电容器的缺点是容量不太精确,且使用中会发生变化,其漏电流比其他电容大,损耗角也大。
关于电解电容器的应用,主要是用在要通过或旁路交流电流同时又要隔断直流电流的地方。它阻断直流电流的能力大小决定于它的绝缘电阻,通过或旁路交流电流的能力则取决于它的容抗X\(_{c}\),Xc=1/2πfC。式中X\(_{c}\)的单位为欧;频率f的单位为赫;电容量C的单位为法拉。可见在f已知的情况下,C愈大,Xc愈小,通过交流的性能愈好。在半导体收音机中,电解电容器大致有以下几种用途。
1.耦合和旁路:半导体收音机前置低放级与末前级间广泛采用电阻电容耦合方式,如图1中的C\(_{1}\)、C2 就是耦合电容。它们使音频交流信号顺利通过传到下一级去,而将前级的集电极直流电流隔断,不致加到后一级的基极上去。由于晶体管的输入阻抗较低,所以必须使用较大的容量,用电解电容就比较合适,一般采用3~10微法,这样它的容抗就远小于下一级的输入阻抗,这样可以减小能量损失。修理换新电容器时,只要不影响放音质量,与原来数值上下差一些问题不大。
图1中的C\(_{3}\)、C4是作旁路电容,使交流信号在发射极与地之间畅通无阻。不用这两个电容,就有交流负反馈,使该级增益降低。C\(_{3}\)、C4要有足够大的容量,一般为10~50微法,换新电容时不应低于原用数值。

2.滤波和退耦:由于电池存在内阻,各级音频电流流过此内阻形成的电压降,会使前后级间产生正反馈,出现低频振荡的汽船声。电池越旧、内阻越大,上述现象越严重。因此一般总采用50~100微法的电解电容配合适当电阻组成滤波退耦电路,以消除上述现象。滤波退耦电容大些小些问题不大,但以大一点为好。
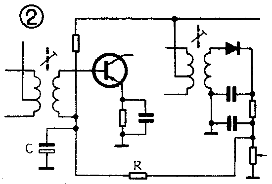
3.ACC滤波电容:作自动增益控制用的电压需要直流电压,一般总是将检波后输出的部分电压通过R、C滤波,去掉音频成分后得到的纯直流电压加到被控管基极上,如图2所示,起AGC作用。如缺少C,则音频信号窜到被控管基极,则将破坏其正常工作。造成收音机灵敏度低、自激啸叫、失真加大等故障。

R、C的数值越大,滤波作用越好。但其充放电时间也加长,不能适应自动控制增益的需要,使信号强弱变化不能及时加以平稳。特别在短波段尤为明显,还可能使弱电台漏掉。所以R与C的乘积,即时间常数τ不宜过大,一般单波段取0.1~0.3秒,多波段取0.1~0.2秒。如R取10千欧,则τ取0.2秒。C=τ/R=0.2/10×10\(^{3}\)=20微法。可见这一电容换新时,最好用原数值。
下面举两个故障实例。
1.牡丹644六管机一台。
故障现象:寻找电台时伴随有尖叫声,说话声音不清晰,唱歌声音含混。
故障原因:退耦电容(50微法)失效。退耦电路失去作用。产生了寄生振荡。
2.葵花JS502-B五管机一台。
故障现象:音量电位器开大时,伴随有啸叫声。
故障原因:自动增益控制电路中滤波电容器(30微微法)干枯失效。此故障如不仔细判断,往往会认为中周失调、中和电容不适当等。(赵楠)