将光照变化转换成电信号的电路,叫做光电转换电路。在光电转换电路中有一种是利用光照的变化产生脉冲信号的,我们把它叫做光电脉冲电路。
光电脉冲信号是怎样产生的?
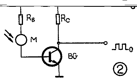
如图1所示,在晶体管BG的基极电路中接入一只开关K,当打开K时,BG便截止,于是其输出端为高电位;当合上K时,BG饱和导通,使输出变为低电位。如果不断交替地打开与关闭这个开关,便可在输出端得到一连串的脉冲信号。

这个电路告诉我们,只要能控制晶体管截止与饱和两种状态交替地转换,就能在其输出端得到脉冲信号。由此给了我们一个启示:如果有这样一种元件,当它受到光的照射时,阻值就非常小(相当于图1中K关闭),当它不受光的照射时,阻值就变得特别大(相当于图1中K打开),我们就可以用它来代替图1中的开关K,并且用一个光源来照射它(见图2)。这时,如果我们用一个能够遮光的物体往复地去遮挡光源的照射,将会出现什么现象呢?

可以看到,当光线被遮蔽时,BG便截止;当光照不被遮挡时,BG便饱和导通。这和图1中开关K 的开闭情况完全相像。因此只要将光照有规律地遮挡,在图2的输出端同样也可以得到一连串的脉冲信号。所差的只是控制的方法不同而已。图2的脉冲信号是由于光照变化而产生的,因此我们可以把它叫做光电脉冲。
能够随着光照变化而引起阻值等参数变化的元件,就是通常所说的光敏元件,现在已被广泛使用的光敏元件有光敏电阻、光敏二极管、光敏三极管、光电池等多种,它们都可以被用来控制晶体管的截止与导通,因此都可以接到电路中去产生光电脉冲。
应当指出的是,在使用这些光敏元件时,要对它们的参数和特点有所了解。
光敏电阻(又称光导管),它没有极性,在接入电路时,不必分正负方向,它在被光照射时,其阻值(光阻)是很低的,约在10\(^{3}\)欧左右,而当无光照射时,其阻值(暗阻)是极大的,可在109欧以上。图3是它的符号及其使用原理图。

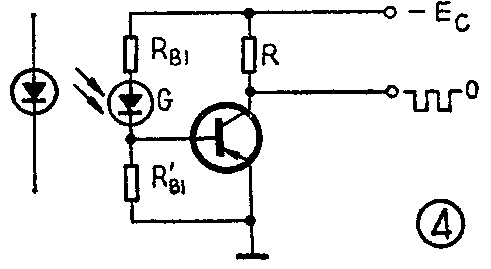
光敏二极管有正负极性,并且在使用的时候要加上反向电压,图4是它的符号和工作原理图。

对于光敏二极管,由于它是非线性元件,通常给出的参数不是光阻和暗阻,而是在一定条件下的光电流和暗电流。实际上暗电流小就标志着暗电阻大,光电流大也说明光电阻小,本质是一回事,只是分析问题的角度不同罢了。显然,从光电脉冲电路的要求来讲,暗电流越小,光电流越大则越好。一般的暗电流小于0.1微安~几个微安,光电流大约为几十微安。锗材料的暗电流大,而且受温度影响较大,硅材料的暗电流小,受温度影响也小,这在使用中应有所选择。
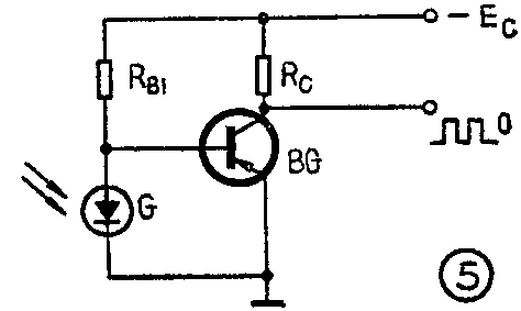
根据不同的要求,光敏元件接在电路中的位置也有所不同,前面几个电路都是把光敏元件接于上偏置电路中,还有一种接法是将光敏元件接在下偏置电路(见图5)。这种接法在光照时晶体管BG截止,光被遮蔽时,BG导通,恰与前面电路相反,因此其输出脉冲也相反。

光敏三极管和光电池等光敏元件,也都能控制晶体管的导通与截止,因而也能接成光电脉冲电路,其原理与前面讲的基本相同,这里就不一一列举了。
在这些电路中,光敏元件就象一只神秘的眼睛,紧盯着光照的变化,灵敏地控制着电路的工作。
电路需要改进
从上述的电路中可以看出,不管光敏元件接在什么位置,它们都是起着改变基极电流大小的作用,从而控制了晶体管的导通与截止。但是它的输出脉冲只是基极电流经过一级放大的结果,信号的能量还是比较微弱的,还不能满足后面电路的需要,因此就有再放大的必要。根据实际需要的不同,放大电路的接法与级数也各不相同。
为了使电路能够可靠地截止与导通,除了在元件数值上经过合理的选择外,可以专门加一组电源E\(_{B}\)作为反向偏置用。此外,有的电路对脉冲波形的要求很严格,因此还需对基本电路所产生的光电脉冲加以整形,通常使用的整形电路是射偶双稳电路。图6示出的电路,就采取了放大、整形和反向偏置等措施。
如果要求图6电路的负载能力更强,并且输出脉冲必须是负的,则可将BG\(_{4}\)改为射极输出的形式。射极输出器也是光电脉冲电路中经常使用的一种基本电路。

光电脉冲电路有什么用处?
由于光电脉冲电路具有灵敏、准确、高速度和无触点等优点,因此已被广泛应用于自动化生产、数控机床、测量仪表、光电通讯以及电子计算机等各个领域中。下面略举几例。
图7为光电脉冲电路在测速装置中的应用。将被测马达的轴上固定一个带孔的圆盘,经过透镜聚焦的光束射过圆盘上的孔,再经过透镜聚光到光电脉冲电路中的光敏元件上,马达转动起来以后,园孔掠过光束,光敏元件上得到一明一暗的光信号,因而电路发出一连串的电脉冲,将这脉冲送到电子计数器,便可记录下脉冲的个数,如果圆盘上为60个孔,那么计数器每秒钟记录的脉冲数恰为马达每分钟的转数。

图8是光电脉冲电路在穿孔纸带或卡片读出器上的应用。这类装置在电子计算机、工业控制机、程控、数控和群控的机器中都是常见的。

在控制系统中,也可将光电脉冲电路接成“或门”和“与门”的形式。图9中两只光敏元件分别接于BG\(_{1}\) 和BG2的下偏置电路中,只有G\(_{1}\)和C2同时被光照射时,输出才是高电位,其中有一只被遮光输出就是低电位,因此这个光电脉冲电路可以看成“与”的关系。利用各种巧妙的接法,就可以得到我们所需要的各种光电脉冲电路。(江南)
