用电子管6P14做前置推挽的扩音机,经常发现6P14损坏,轻则使扩音机声音失真、断断续续,重则烧断高压保险丝,甚至烧毁次高压整流管及其整流元件。除了安装位置不合理可以使管子损坏外,我认为管子在工作时功率损耗太大,以及和前级之间的耦合电容太大等,也常常是引起管子损坏的原因。下面具体介绍几种改进办法。
一、适当调整工作电压
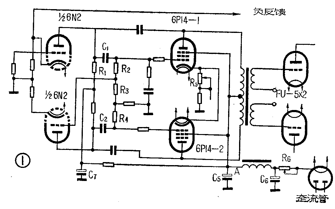
图1是这类扩音机的有关电路图。

在设计这类扩音机时,为了使工作于甲乙\(_{1}\)类状态下的6P14管给下一级输送足够的不失真推动功率,常常将6P14的屏压取得比较高,有的取到290伏(一般情况下取270伏)。有些机器的阴极自给偏压又都偏低,阴极电阻阻值不足120欧。这样,一方面使6P14的功率损耗在平常工作时就已处于临界区,当工作中电源电压一旦发生波动,使得电压升高时,就很容易使6P14管超过允许的功率损耗而在短时间内损坏;另一方面,6P14管的跨导本来就比较高,在上述条件下,这一级的增益更加提高。我们知道,增益太高了会由于某种原因的诱发使电路产生自激振荡,也会使6P14管很快损坏。为了解决上述问题,可调节图1中的电阻R6,使6P14管屏极电压降到270伏,并且焊开R\(_{5}\)中心抽头,使R5为120欧,以提高6P14的负偏压。
有些机器为了节省元件,常常将6P14的屏极电压、帘栅极电压取自电源同一点(图1中A点),因为推动变压器初级线圈存在直流电阻,所以实际屏极电压会低于帘栅压。帘栅压太高会导致帘栅流很大。这样,一方面会使帘栅功耗太大,引起电极烧断或电极变形碰极。另一方面带有交流成分的帘栅电流直接串入电源,容易引起交流声和自激振荡。为了解决这个问题,可采用独立的具有退交连的较屏压低的帘栅压(见图2)。

电路按上述几个办法改动后,推动功率会有所降低,可在阴极电阻上并联一个100微法(耐压为25伏)的电解电容,来提高本级增益。
二、更换失效的功放管
1.功放管FU—5衰老,放大倍数降低,这时如果要使扩音机保持额定输出功率,就应提高推动电压和增大推动功率,这样就会加重6P14的负担,管子则容易损坏。
2.FU—5内部电极碰极或扩音机负荷太重也容易引起6P14负荷过重而损坏。
鉴于上述情况,对质量不好和已衰老的FU-5管应及时更换。
三、减小耦合电容容量
图1中的C\(_{1}\)、C2,是6N2到6P14之间的耦合电容。为了改善低频响应和提高信号传输效率,C\(_{1}\)、C2的容量一般取值较大(1微法)。由于在开机时C\(_{1}\)、C2有一个充电过程(如图3所示),充电电流在电阻R\(_{2}\)、R3、R\(_{4}\)上产生一个上正下负的电压降,使6P14管栅极突然加上一个正电压。又因为6P14的灯丝早已预热,当正电压突然加在栅极时,会使管子严重过载,屏流有时可达200毫安。在电源电压B+和R\(_{1}\)~R4为一定值时,图3中U的大小和C\(_{1}\)、C2的容量有关,C\(_{1}\)、C2越大,充电电流越大,电压U也越高,电压U维持的时间也越长。这样,当开机时就很容易使6P14管损坏了。

为了既照顾扩音机的低频响应,又不使瞬间充电电流太大,经我们试验,C\(_{1}\)、C2取0.1~0.2微法为好。
四、合理布置管子的位置
为了节省机器底板上的平面面积,充分利用空间,有些机器往往将6P14横式安装。由于这种五极管结构紧凑,电极之间距离很小,就容易造成高热状态下电极伸长变形,甚至碰极。常见的碰极及断极故障有:
1.阴极与帘栅极相碰。此时电源通过阴极电阻(120欧)短路,结果就会使整流管过流烧坏。这种故障有时只在某一时间内出现,所以不好检查。当整流管因为此原因而损坏后,滤波电容、限流元件、推动变压器等与电源有关的部分,都可能是良好的,对地电阻也正常,但换上新整流管后,不久就又会出现烧整流管的现象,这就可能是6P14阴极和帘栅碰极引起的故障了。
2.阴、栅碰极。这时6P14栅极带正电压。不管是6P14—1还是6P14—2,只要其中任一只发生阴栅碰极,栅极正电压就可以通过电阻分压后加到下半个6N2的栅极,使下半个6N2管的屏压大大降低(从原来的100多伏下降到30伏左右),阴极电压从1.5伏上升到4伏左右。这时故障虽然表现在下半个6N2管,但实际上毛病却出在6P14。这时测量一下两只6P14的栅极电压,其中电压高的一只就是坏管。
3.电极开路。此时6P14×2屏流不正常,有时只剩40毫安左右,如果排除管子衰老原因,可能是有一只6P14电极开路,只剩一只管子在工作。
为了避免碰极,可自制一个“L”型管座固定架,将6P14由横式安装改为垂直安装。至于管子安放的位置,应考虑到使管脚接线方便,并且不要过于靠近其它怕受热的元件。 (阮信权)