4.混频电路:
高频全电视信号经过高放级的放大后,仍然是比较微弱的,还必须进一步放大。一种方法是再经几级高频放大器放大,然后再进行检波,这是所谓直放式电路。这种电路比较简单,但容易产生自激,工作不稳定,而且图象通道频带很宽(48.5~223MH\(_{Z}\)),各频道之间串扰十分严重。因此,它只适用于一两个频道的简易电视机。另一种方法是将高频全电视信号经过混频电路,变换成中频全电视信号,然后再加以放大和检波,这就是所谓外差式电路。由于外差式电路将全电视信号的高频载频变换为特定的中频载频(图象信号变为37MHZ,伴音信号变为30.5MH\(_{Z}\)),所以,不仅可以提高电视机的抗干扰能力,而且能保证稳定工作,以便提高整机增益。因此,一般产品电视机都采用超外差式电路。联合设计采用的就是这种电路。
混频电路通常有以下几种形式:

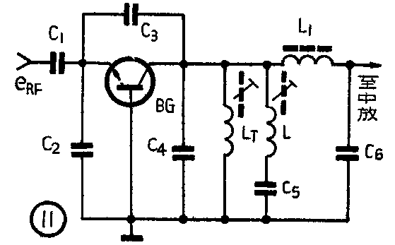
(1)自激式混频器,如图11所示(交流电路),即混频和振荡由同一只晶体管担任。这种电路的优点是线路简单,省掉了本振管;缺点是混频与振荡很难同时获得最佳工作点,因为混频要求工作在小电流状态,而振荡则要求工作在大电流状态。此外,电路稳定性差,混频和振荡相互牵制也较大。
(2)他激式混频器,如图1第④虚线框所示,即混频和本振分别由两个管子担任。这种电路易于获得各自的最佳工作点,而且工作稳定,相互影响较小,因此,用得较多。联合设计就是采用此种形式。

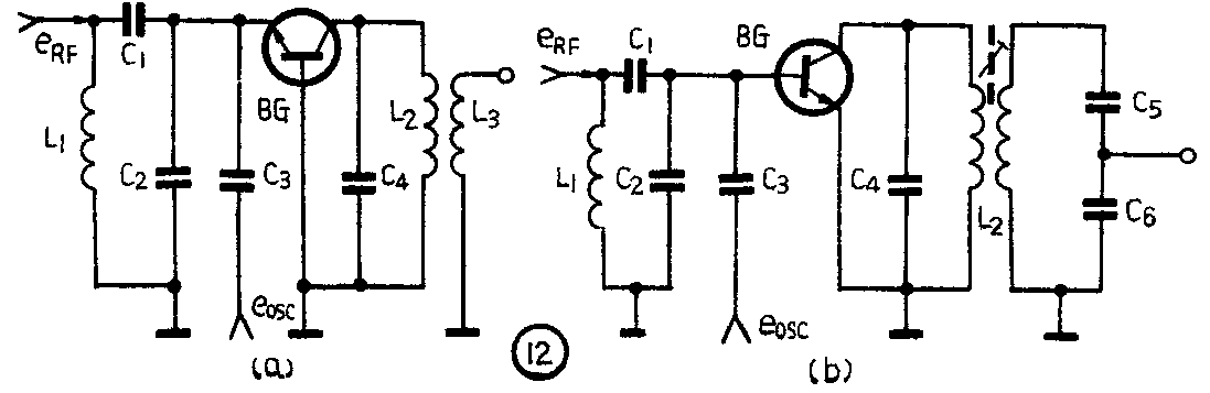
从混频器的接地形式来分,又有基极接地和发射极接地两种,如图12(a)、(b)所示(交流电路)。基极接地电路混频增益较低,但工作较稳定;发射极接地电路混频增益较高,输入阻抗也比基极接地式电路高,便于实现与高放级间的电路匹配。

从混频器的输出电路来看,通常又有π型输出、变压器耦合单调谐输出和双调谐回路输出三种电路。图13(a)是π型串联谐振输出电路,这种电路调整简单,但与中频通道的匹配性能差。另外,中放输入回路为电抗性负载,它对输出电路的影响较大,使回路中心频率偏移,并引起特性曲线的矩形系数和带宽变化。图13(b)是变压器耦合单调谐回路输出电路,这种电路通频带较窄,幅频特性曲线的矩形系数差,选择性不好,一般适宜作参差调谐的第一级。图13(c)是双调谐回路输出电路,这种电路的初级阻抗较高,容易与混频管进行阻抗匹配。次级输出采用电容分压的低阻抗输出形式,也易于和75欧的电缆线的特性阻抗匹配。因为输入、输出都能获得较好的阻抗匹配,所以,传输效率高,当负载阻抗在50欧到数百欧的范围内变化时,特性曲线形状基本不变,只是电压增益略有变化。这种电路对电容性负载适应性很强。另外,双调谐回路输出电路的特性曲线呈双峰,因此,频带较宽,矩形系数较好,对本振信号和高频信号能够得到充分的抑制。联合设计的混频电路就是采用的双调谐回路输出电路。

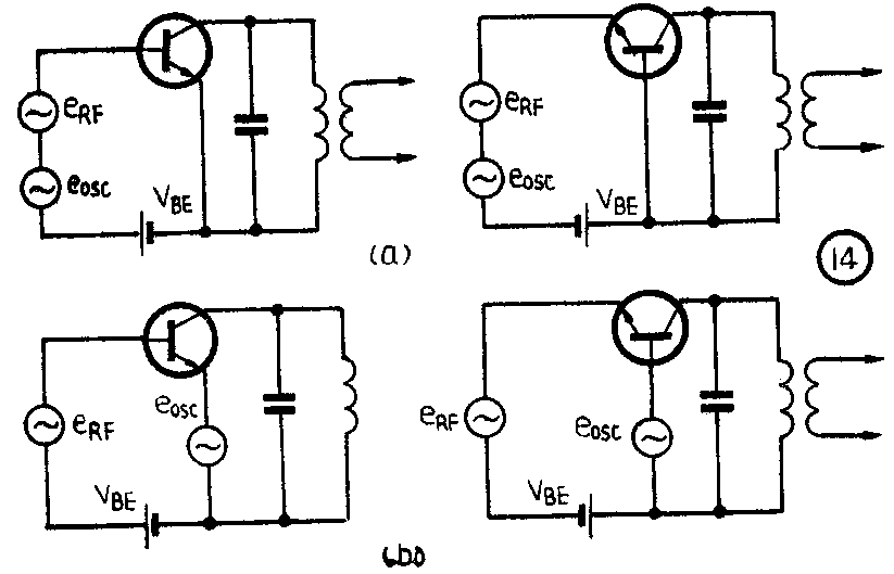
从混频器的高频全电视信号和本振信号注入方式来看,通常又有两种:一种为同一电极注入方式,如图14(a)所示,这种注入方式的优点是本振注入电压可以小一些,混频效率较高;缺点是本振和高放级间回路、混频输入回路相互影响较大。另一种为不同电极的注入方式,如图14(b)所示。这种注入方式的优点是本振电路与高放级间回路、混频输入回路相互影响小,缺点是需要较大的本振注入电压,本振辐射也较大。联合设计采用的是同一电极的注入方式。

混频器有两个主要作用,一是进行频率变换,二是将变频后的中频信号进行放大。从变频的角度来看,要求混频管工作在小电流状态下,即工作在I\(_{b}\)-Ube特性曲线的非线性部分,如图15曲线的A点。因为混频管只有工作在be结的非线性区域,才能产生新的频率成分。但是从放大差频(中频)信号的角度来看,又希望工作电流大一些,即I\(_{c}\)(或Ib)要大一些,以提高对中频信号的放大量。可是又不可能选得太大,否则工作点将进入线性放大区(即I\(_{b}\)~Ube曲线的B点),达不到混频的目的。在设计混频电路时,既要照顾到混频,又要兼顾中频信号的放大,但首先是混频,其次才是放大。因此,正确选择混频管的工作点是很重要的,通常是通过反复实验来确定最佳工作点的。在实验调试时,应使混频器工作点和注入的本振电压保持适当关系,在未注入本振电压时,混频器的I\(_{c}\)要小,注入本振电压后Ic要大,一般选注入本振电压后的混频器工作电流为放大状态时工作电流的1/2~2/3为宜。通常混频管的工作电流I\(_{c}\)应调在1.5~3毫安的范围内。
为了实现混频器的两个任务,对混频器主要有以下技术要求:一是要求混频效率要高,以保证混频后的中频信号足够强。从混频的原理可知,当两个正弦波信号同时注入混频器时,其差频分量U\(_{IF}\)=a2U\(_{RF}\)·Uose〔(1+msin Ωt)cos(ω\(_{ose}\)-ωRF)t〕,式中U\(_{RF}\)为高频信号幅度,Uose为本振注入信号幅度。可见,中频输出电压的大小和高频全电视信号电压幅度及本振注入电压幅度成正比。因此,适当加大本振注入电压可以提高混频效率。但也不能过大,过大反而使混频效率下降,并产生谐波失真。另外,从减小本振辐射及对混频器的影响来看,本振注入电压也不能太大。一般选本振注入电压为100~200毫伏,以100毫伏左右为宜。对混频器的另外一个技术要求是混频增益要大,一般为10dB左右。混频管的最大可用功率增益K\(_{P}\)=\(\frac{2}{π}\)\(^{2}\)·|βfe|2(IF);gi\(_{(}\)RF)go(IF),式中gi\(_{(RF)}\)为晶体管的高频输入电导,go(IF)为中频输出电导;β\(_{fe(IF)}\)为中频交流放大系数。从上式可知,要获得较大的混频增益,要求混频管的小电流放大系数βfe要高;混频管的高频输入阻抗和中频输出阻抗也要高。为了减小中频信号通过晶体管内反馈电容C\(_{ob}\)产生的负反馈,以便进一步提高混频增益,还可以外加中和电容。这不仅可以提高混频增益,而且使混频电路工作更加稳定。另外,在混频器的输入端(b极)还可加中频吸收电路,以降低中频输入阻抗,从而使混频电流增加,提高了混频增益和对中频干扰的抑制能力。此外,在设计混频器时,还要注意降低be结二极管混频电流的通路阻抗,为此,射极旁路电容要滤波良好。而且还要注意混频器输入端和输出端的阻抗匹配。
其次要尽量降低混频器的噪声,一般要求NF≤5dB,除了选择低噪声的混频管外,要求工作电流和注入的本振电压也不能太大。
联合设计混频电路如图1第④虚线框所示。电路中R\(_{6}\)为下偏置电阻、R8为上偏置电阻,用以确定工作点;R\(_{9}\)是发射极直流负反馈电阻,用以稳定直流工作点,C19为射极交流旁路电容;C\(_{18}\)为本振电压的耦合电容,改变C18可改变注入电压的大小;L\(_{1}\)0、L11为混频输出回路初、次级电感,改变初次级线圈的耦合和线圈磁心的位置,可改变特性曲线双峰的形状;R\(_{1}\)0为初级回路阻尼电阻,用以减小特性曲线的顶部凹陷;C21、C\(_{22}\)为次级回路的分压电容,改变C21、C\(_{22}\)的数值,可改变分压比,以便通过75欧的同轴电缆和中放输入阻抗匹配。C17、R\(_{7}\)为测试点的耦合电容和隔离电阻。R11、C\(_{23}\)、C29为电源滤波电路。
5.本机振荡电路:
由上述可知,本机振荡电路的作用是供给混频器一个频率稳定并有一定振幅的高频正弦波信号。本机振荡电路有以下几种形式:
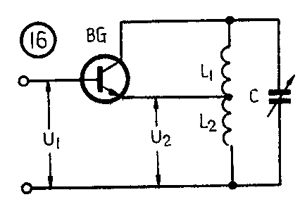
(1)电感三点式振荡电路,如图16所示。这种电路只要满足β\(_{fe}\)≥L2+ML\(_{1}\)+M和U·1与U·\(_{2}\)同相两个条件,就可产生振荡。此电路的优点是容易起振,缺点是振荡频率低、谐波分量多、振荡波形差。因此,只适用于振荡频率要求较低的场合。


(2)电容三点式振荡电路。这种电路的优点是频率稳定度较高、振荡频率高、谐波分量少、结构简单。因此,在电视机高频头中应用较为广泛。电容三点式电路又分集电极接地和基极接地两种,如图17(a)、(b)所示,图17(c)(d)为其交流等效电路。由等效电路可以看出,两种电路除接地点不同外,其结构完全一样,只要设计得合理都能稳定工作。在图17(b)的共基极电路中,L为振荡回路线圈,C\(_{3}\)为耦合电容,C2为正反馈电容,C\(_{1}\)是相位补偿电容,只要适当调整C2和C\(_{1}\)的数值,就可以满足相位和振幅条件,这种电路比较容易起振。在图17(a)共集电极电路中,晶体管相当于射极跟随器,其输入阻抗较大,输出阻抗较小,所以,起振比共基极难。但只要反馈电容C26和相位补偿电容C\(_{28}\)选得合适,还是容易起振的。正因为集电极接地使输入阻抗大、输出阻抗小,所以输入、输出隔离性好,振荡很稳定。另外,混频和本振的相互影响也小。联合设计的本机振荡电路,就是采用共集电极电容三点式电路。其中,R3、R\(_{14}\)为偏置电阻。R15为直流负反馈电阻,用来稳定工作点。L\(_{11}\)(即图1中L9)为振荡回路电感线圈,也是微调线圈。C\(_{25}\)为回路接入电容,设计时将这个电容适当选大一些,可使振荡更稳定。C27、R\(_{12}\)为交流滤波电路。
在设计本振电路时,首先应考虑本振频率的稳定度,如果本振频率不稳定,混频后的中频频率也不稳定。当本振频率偏高时,差频出来的中频也偏高,使图象载频点低于中放幅频特性的半压点,结果使视频信号的高频抬高,低频跌落。反之本振频率太低,将使视频信号的低频抬高,高频跌落。这样都会影响图象质量。因此,要求本振频率的稳定度Δf≤±300KH\(_{Z}\)。由于晶体管的极间电容随机内温度和电源电压的变化而变化,所以,当机内温度升高和管子的电流增大时,极间电容也随之增大,造成本振频率偏移。本振频率的变化量Δf与回路电容的变化ΔC、本振频率fose成正比,而与回路接入电容C成反比,即Δf=\(\frac{Δc}{2c}\)f\(_{ose}\),因为fose很高,所以,只要回路电容有一较小的变化,就会导致本振频率有较大的变化。为了提高本振频率的稳定度,在彩色电视机中,多采用自动频率微调(AFT)。但是,黑白电视机为简化电路,一般不采用,而是在振荡回路上采取一些措施。一种是在振荡回路中接入负温度补偿电容,这种电容随着温度升高容量减小,从而抵消了极间电容随温度升高而增大的部分。再一种是采用改进型电容三点振荡电路,即克拉泼电路。这种电路在电感支路中串联一个小电容,使回路频率提高,所以,可以把回路接入电容加大一些,从而提高了频率稳定度。
由于本振频率不可能做到十分稳定,再加上中放曲线在调整时产生的偏差,结果使伴音与图象都不能处于最佳状态,因此希望本振频率能有一定的微调范围,微调范围一般为±1.5MH\(_{Z}\)~±3MHZ。微调范围不宜太宽,太宽容易使邻近频道信号与本振信号差拍产生图象干扰。但也不能太窄,否则将起不到微调本振频率的作用,不能获得最佳图象。
频率微调有电容微调或电感微调两种形式,即在振荡回路中并入微调电容或微调电感。由于微调电容体积较大,所以在晶体管高频头电路中一般不用,而是采用微调电感的形式。
其次,在设计本振电路时,还要保证一定的振荡强度,以提高混频效率,通常要求振荡幅度达1~2伏。为此本振晶体管的工作点一般选择在3~4毫安。
另外,还要求本振振荡波形不产生失真,以减小混频失真。为了使通道不产生自激,要求本振信号及其谐波不应进入通道,本振外泄电压也要小一些,以免干扰其他电视机的正常收看,一般要求本振辐射场强要小于或等于15μV/米。

上面我们分别分析了滤波电路、输入回路、高频放大电路、混频电路及本机振荡电路。那么,对高频头总电路的要求又怎么样呢?下面讨论一下高频头电路的总曲线。总曲线是指从输入回路加进扫频信号,从混频电路输出端在扫频仪上看到的曲线,如图18所示。总曲线要满足频带宽度、矩形系数和对顶部凹陷等要求。为了能使图象和伴音载频信号都得到充分放大,要求曲线的-3dB(30%)处的频带宽度B\(_{1}\)≥6.5MHZ,而且要求图象载频点和伴音载频点均在-3dB以上。为了提高整机的选择性,要求总曲线的矩形波系数要好,所以,要求在-6dB(50%)处的带宽B2≤11MH\(_{Z}\),即矩形系数11MHZ6.5MH\(_{Z}\)≤1.7。如果-6dB处的带宽太宽,或曲线底部拖尾太长或底部衰减有起伏,都会给邻近频道的吸收带来困难。为了减小损耗和相移失真,总曲线顶部的凹陷要小,一般要求凹陷δ≤|1.5|dB。
另外,要求总曲线左、右峰与中心频率对称,中心濒率
f\(_{o}\)=(fp-1.25)+(f\(_{s}\)+0.25)2MHZ,
式中f\(_{p}\)为图象载频,fs为伴音载频。在调试过程中,带宽、矩形系数和顶部凹陷都要以总曲线的要求为准,若不满足要求,可通过改变高放初次级回路的耦合和混频输出回路线圈的耦合松紧及磁心位置来解决。(李舜阳)