从事无线电电子线路研制工作的同志,常常会遇到一个问题,那就是:信号在传递的过程中,往往会遇到来自系统内外的各种噪音和干扰,严重时甚至使信号无法正确传输,造成失真、误动作等等。随着半导体技术和光电子学的发展,一种能有效地隔离噪音、抑制干扰的新型半导体器件——光电耦合器出现了,并且迅速得到了广泛的应用。
光电耦合器由发光源和受光器两部分组成。把发光源和受光器组装在同一个密闭的管壳内,连接发光源的管脚作为输入端,连接受光器的管脚作为输出端。在输入端加电信号,发光源发光,受光器在光照后,由于光敏效应产生了光电流,由输出端引出。这样就实现了以“光”为媒介质的电信号传输,而器件的输入和输出两端在电气上却是绝缘的。光电耦合器的封装形式一般有管形、双列直插式和光导纤维连接等三种。图1是它的内部结构示意图。图2a是光电耦合器外形,图2b是三种系列的光电耦合器电路图。


可以用作发光源的器件很多,最常用的是砷化镓红外发光二极管。受光器的种类更是五花八门,比较普遍的是硅光敏器件(光敏二极管、雪崩型光敏二极管、PIN型光敏二极管、光敏三极管等)、光敏可控硅和光敏集成电路。根据使用要求,利用不同的发光源和各种受光器组装起来,出现了几百个品种系列的光电耦合器,成为独特的一类半导体器件。
光电耦合器的特点
1.器件的输入和输出端之间从电气上来说是绝缘的,绝缘电阻根据封装形式有些差异,一般都大于10\(^{1}\)0Ω,耐压超过1千伏,有的品种可以高达10千伏以上。
2.因为“光”传输的单向性,所以信号只能从发光源单向传输到受光器而不会反馈,输出信号不会影响输入端。
3.发光源砷化镓红外二极管是低阻抗电流驱动性器件,而噪音是一种高内阻微电流的电压信号,器件共模抑制比大,所以可抑制干扰消除噪音。
4.容易和逻辑电路配合。当使用几种不同类型的逻辑元件组成系统时,用光电耦合器可以很好地解决互相连接时的电平转换和隔离问题。
5.响应速度快,时间常数约几微秒甚至可达几毫微秒。
6.无触点、寿命长、体积小、耐冲击。
光电耦合器的驱动和输出电路
光电耦合器的驱动电路,实际上就是选择适当的方法供给砷化镓红外发光二极管以足够的工作电流,使它发出一定强度的红外光,这个光照射到光敏器件上能产生合适的光电流。
光电耦合器的输出电路,就是将光电流通过内部或外接电路进行放大、输出,以达到信号传递要求的电路。

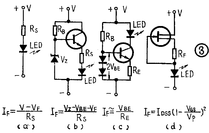
最简单的驱动电路如图3所示。图3a是最常用的方法,红外发光二极管(LED)通过串连电阻调整驱动电流I\(_{F}\)。VF是红外发光二极管的正向压降,一般为1.2V。图3b、c、d是恒流驱动电路,驱动电流不受电源变化的影响。I\(_{F}\)不得超过红外发光二极管的最大正向电流。
此外,还可以用集成电路直接驱动。为了提高光电流输出,还可以采用光调制方法对器件进行脉冲驱动。

光电耦合器的输出方法很多,从原理上来讲,主要有如图4所示的几种。图4a为有入射光时输出为“0”态;b为有入射光时输出为“1”态;c为光敏三极管在基极加引出端外接可变电阻R\(_{1}\),可以调整对入射光的感度;d是用场效应管作电流负载,当入射光在一定值之内,输出总是“ 0”态,当超过一定值时,急速转到“1”态。它有明显的阈值,调整R1和R\(_{2}\)可以改变阈值,这是一种提高信噪比的有效方法。图4e是进一步提高信噪比的电路,差分回路的一侧为光敏三极管,另一侧用电性能相同的晶体管,这样就能补偿温度的变化和电源的波动,获得高的信噪比。
光电耦合器的应用
作隔离用。有些信号传输的四端网络,输入和输出回路的电位需要分开(隔离),这时就可以用光电耦合器。下面介绍几种典型的应用:
(1)可以将几个不同电位的信号通过光电耦合器来构成“与”、“或”、“与非”等逻辑关系(见图5),这样就能很方便地将各种逻辑电路互相连接起来。

(2)可用光电耦合器组成常开、常闭、单刀双掷、双刀双掷和自保持等隔离固体开关。图6示出其中的两种。

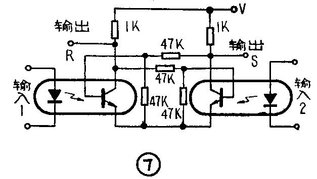
(3)如在光电耦合器的光敏三极管基极加引出端,就能构成具有绝缘触发的脉冲电路。图7所示是一个双稳态电路的例子。

(4)此外还可以用在脉冲放大电路、高电压控制电路、音频和视频的电隔离电路等方面。
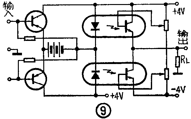
抑制噪音用。用光电耦合器来传送信号,输入端的噪音不会传给输出端,只是把信号送到输出端。输出端的噪音(负载所产生的噪音)也不会反馈给信号源。所以能够很好地抑制噪音。最典型的应用是:作为不同电源电压的逻辑电路互连;组成微电流放大用的斩波器;构成可控硅感性负载的开关电路;组成共模抑制比高达230分贝的差分放大器等。图8、图9示出后两种应用的电原理图。


光电耦合器已在电子线路中被广泛地采用了,实际线路还很多,例如用于示波器与地浮置的绝缘电路;零电压控制交流开关电路;过电流保护电路;用TTL集成电路输出来控制高电压的开关电路;开关式稳压电路;光整流器电路;模拟数字输出系统等等。它的应用范围已扩展到电子计算机及其外围设备,精密仪器仪表、工业用电子设备(如电动机控制装置、数控程控装置、公害监测装置等)、通信设备、医用电子仪器、自动售货机等各个方面。(苏州半导体器件一厂技术科)