初学者在装置简单收音机时,常采用如图1所示的倍压检波电路。其中放大管BG\(_{1}\)采用3AG型锗管,D1、D\(_{2}\)采用2AP型锗二极管。如把图1中晶体三极管BG1改用硅管,这样不仅要把二极管D\(_{1}\)、D2及电源的极性倒过来,而且D\(_{1}\)、D2必须使用一只硅管、一只锗管或两只硅管,而不能再使用两只锗二极管作检波器了,这是为什么呢?

我们知道,三极管的发射结必须加正向偏置,而且只有当偏置电压大于结势垒电压(锗管为0.2伏左右,而硅管为0.6~0.7伏)时三极管才导通。可是从图1所示的这种电路中看到:在直流通路中,二极管D\(_{1}\)、D2直接并联于晶体管基极和发射极之间。二极管D\(_{1}\)、D2的压降便成了三极管发射结偏置电压。如果D\(_{1}\)、D2都是锗管,其正向压降只有0.2+0.2=0.4伏,小于硅管be结导通的势垒电压,晶体管偏压加不上去,就处于截止状态。这时单管机不工作,也就收不到电台了。如果D\(_{1}\)、D2中一只使用硅管,这样D\(_{1}\)、D2上的压降可达0.2+0.6=0.8伏。此电压大于硅管be结的导通电压,三极管才具有放大作用。由此可见放大管如使用硅管,检波二极管必须至少使用一只硅管。
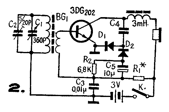
如果晶体管使用硅管,而检波管又想使用两只锗管怎么办?可从电路上作改进,即把图1改成图2所示。图2与图1相比多C\(_{5}\)、R2两个元件,其中C\(_{5}\)是耦合电容,它的作用是使检波后的音频信号能不经过R2而顺利地送到放大管基极作来复低放。R\(_{2}\)和D1、D\(_{2}\)串联充当三极管的下偏置电阻,尽管D1、D\(_{2}\)的正向压降之和为0.4伏,但R2上也有一个压降,这三个电压串联起来加到硅管的be结,当调整R\(_{1}\)时,总可使这个总电压大于硅管be结的势垒电压,因而使硅管导通。因此即使D1、D\(_{2}\)都采用锗管也不影响三极管的工作了。(戚俊超)
