在制作电子管高传真扩音机时,选择一个优良的高传真低频放大器电路,是改善音质的一个关键,但末级输出变压器的好坏,是否能通过所需的音频频带,也是一个很重要的问题。
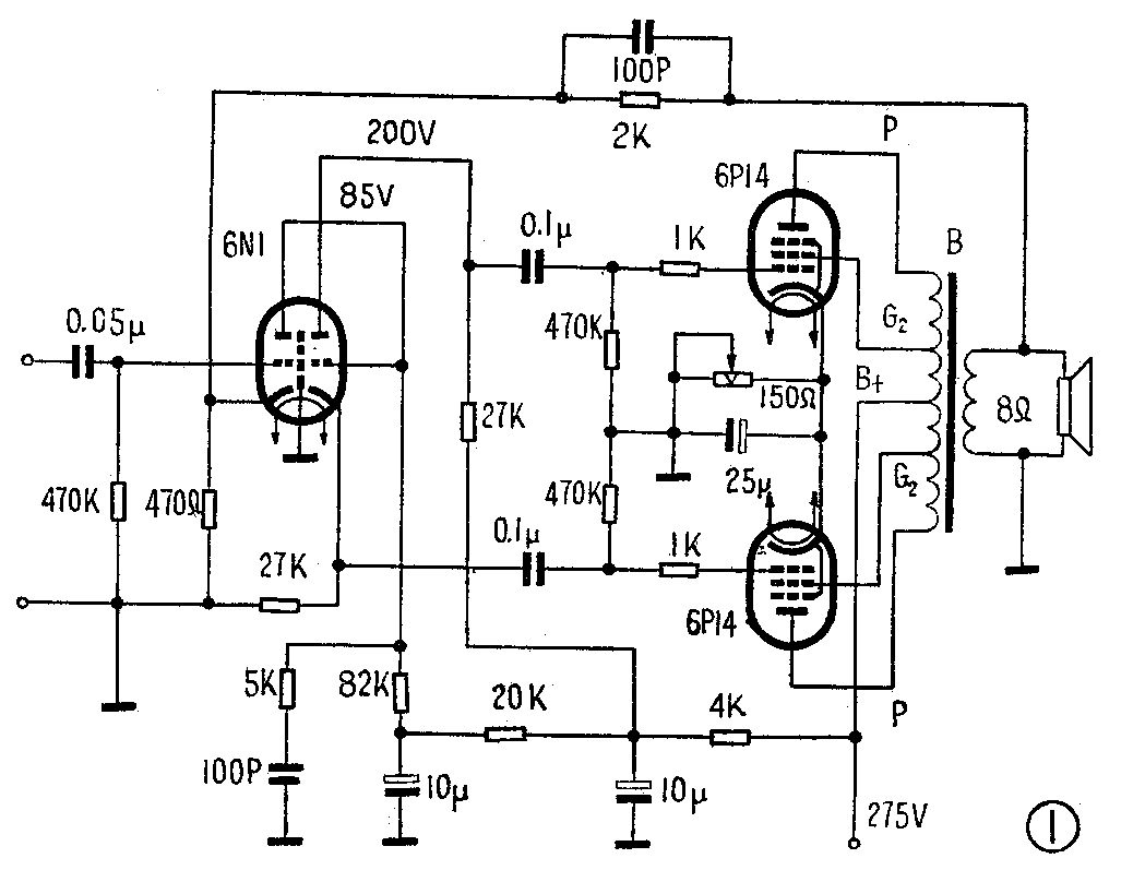
图1是一个超线性高传真放大器电路,它要求配用高传真的输出变压器,这种变压器的设计方法与一般音频输出变压器基本相同,只是由于这种变压器的频率范围要求较宽,在20~15000赫范围内频率失真不应大于1分贝,而且初级线圈的电感量L\(_{1}\)要求足够大,漏电感LS要小,比值L\(_{1}\)/LS必须大于10000。所以在设计时必须考虑到这些特点。

图1中,末级推挽管有一个比较特殊的帘栅极负反馈电路,输出变压器初级线圈两边应各有一个抽头接电子管帘栅极(见图2)。抽头部分的圈数NG\(_{2}\)取决于帘栅极电路的反馈系数K。表1中列出了工作于超线性电路的电子管的有关数据,可供设计时参考。反馈系数K与阻抗、线圈圈数的关系为:
式中Z\(_{G2}\)为电源B+至帘栅极之间所接的负载阻抗;Z\(_{p}\)为电源B+至屏极之间的负载阻抗;N\(_{G2}\)为电源B+至帘栅极之间的线圈圈数;N\(_{P}\)为电源B+至屏极之间的线圈圈数。
要想制作初级线圈电感量足够大而漏电感又极小的输出变压器,单单采取增加圈数的办法很难达到要求,必须合理选择线圈的排列方式,例如采用表2那样多分几段的办法,从而增加初级和次级线圈之间的耦合程度。这样就可以减小变压器的漏电感,改善高频端的频响。分段数越多,漏电感越小,高频响应也就越好,但绕制工艺也越复杂。有时因分段数太多,使得初次级之间的分布电容增加,反而对高频响应不利。一般说来分段数取m=4就能满足要求。

设计举例
已知末级推挽功放管为2×6P14,工作于甲乙\(_{1}\)类;输出功率P2为10瓦;变压器初级阻抗Z\(_{pp}\)要求为8000欧;两电子管屏流Ip为90毫安;次级阻抗Z\(_{2}\)要求为8欧;频率响应在20~15000赫范围内失真不大于1分贝;变压器效率η取0.85。设计步骤如下:
1.变压器输入功率P\(_{0}\)=P2/η=10/0.85≈12瓦;
2.初级线圈音频电压

上式中M代表失真系数,要求失真越小,电感量L\(_{1}\)也就要求越大,低音也就越丰富。式中M=1.12是失真为1分贝时的数值(注意在计算时M不能直接代入分贝值)。
8.线圈漏感L\(_{S}\)≤L1/10\(^{4}\)=127/104=0.0127亨;对L\(_{S}\)要求越小,也就是要求初、次级间的耦合越紧密,对高音就越有利。
9.铁心截面积S\(_{C}\)=2\(\sqrt{P}\)2=210≈6.3厘米\(^{2}\) 根据铁心标准(见本刊1975年第1期和第3期封三)选择GEB22×33型铁心。铁心有效截面积S\(_{C}\)= 2.2×3.3×0.92=6.6厘米2。磁路长度LC=12.4厘米;
10.初级总圈数
N\(_{1}\)=200\(\sqrt{L}\)1·L\(_{C}\)/SC
=200\(\sqrt{127×12}\).4/6.6
≈3100圈;
11.从表1中可查出反馈系数K为0.185,由于K=(N\(_{G2}\)/NP)\(^{2}\),所以N\(_{G2}\)=\(\sqrt{K}\)NP=0.185×31002≈660圈。 即在初级中心抽头(B\(_{+}\))向两边各660圈处抽头,接到电子管的帘栅极。
12.次级线圈圈数N\(_{2}\)=N1/n=3100/29=106圈;
13.导线直径d\(_{1}\)=0.7\(\sqrt{I}\)1=0.70.045≈0.15毫米\(^{2}\),d\(_{2}\)=0.7\(\sqrt{I}\)2=0.71.12≈0.74毫米;
14.线圈排列采用分段绕制方式。分段数m=4。图3为线圈的绕制排列图。线圈的结构尺寸为:初级线圈总厚度A\(_{1}\)=4.5毫米;次级线圈总厚度A2=2.8毫米;组间绝缘总厚度δ=δ\(_{1}\)+δ2+δ\(_{3}\)+δ4=×0.3=1.2毫米;绕线宽度h=33毫米;线圈平均匝长1m=150毫米;

15.核对计算结果。初级线圈电感量

L\(_{1}\)与LS比值为L\(_{1}\)/LS=192/0.0125≈15300,均满足要求。
制作注意事项
1.初、次级线圈之间应选用介电常数小的绝缘材料,如电缆纸、黄漆绸等。聚脂薄膜等塑料制品的介电常数较大,作组间绝缘会使分布电容增大,不宜采用。
2.因为采用了甲乙1类功放电路,铁心中直流磁化已经抵消,所以铁心片可以象电源变压器一样三片交插,然后用螺钉固定。
3.次级阻抗如果是16欧,那么只要对次级线圈重新计算一下,以适应所需的阻抗即可。
4.次级如果要适应多种阻抗,比如0—4—8—16欧,若按表2排列,就难以平均分配,此时可按图4方式绕制,次级线圈同样绕三组,然后并联。但每组抽头的圈数必须准确,如果有误差,反而会降低效率、增加失真。(徐士佐)


