有些初学者装置的四管机,虽然收到了电台的播音,但是听起来声音不那么清楚。例如声音发尖,高音太强,或是发闷,有低沉的感觉;另一种是发哑、不清楚,这些现象都叫失真。失真归纳起来无非两类,一类是频率失真,另一类是非线性失真。所调频率失真即收音机放大电路对不同频率的音频信号放大得不一样。如低音频信号放大得小些,高音就相对地增强,声音就发尖,或者在对高频段的一些音频信号放大得特别大,这样不仅声音发尖还带有吱啦的杂音。所谓非线性失真就是输出信号里除了输入信号原有的频率外又添了新的频率成分。

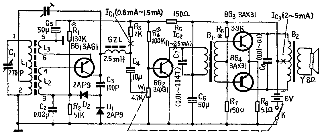
下面我们以附图所示的四管机为例,分析一下产生失真的原因。
功放级引起的失真
附图电路中BG\(_{3}\)、BG4组成末级推挽功率放大器,这一级产生失真原因有以下几种:
1.输入变压器次级或输出变压器初级线圈任何半边绕组断线、虚焊或一部分短路,另外推挽管中有一个坏了、管脚错焊或虚焊等,只要破坏了推挽电路的对称性,都将引起严重的失真。这时收音机发出的声音较小,而且沙哑。判断故障所在的方法是将“音量”旋钮放到音量最小位置,用电压表测量一下推挽管的基极电压是否一样,集电极电压是否一样。然后将不正常的那半边的晶体三极管焊下,检查一下管子质量;测量不正常的半边线圈的阻值,就可判断故障所在。
2.两个推挽管的β值相差太大,使经过推挽管放大后的输出信号波形上下两个半波不对称,造成失真,收音机发出沙哑的声音。我们可以分别测量两个管子的静态(即没有信号输入时)电流,如两个电流值相差很大(超过标准值的30%),说明两管的β值相差很大,需换管子。
3.管子的静态电流太小引起“交越失真”。晶体管的静态工作电流必须大于穿透电流,应当选在1~2毫安左右。如果管子质量差,穿透电流较大,达到800微安时,静态电流可调到2.5毫安左右,两管加起来就是5毫安了。交越失真在大信号时不易听出,把音量关小时就可以听出沙哑的失真来。以上三种情况都属于非线性失真。
4.输出变压器初级线圈的感抗随着频率增高而增大。因此使频率较高的音频信号有所提高,这就造成声音发尖,低音出不来。这种情况在变压器设计不良,自感不足的情况下更明显。为了减小高音频的放大倍数,可以在初级线圈的两端并联一个0.01至0.1微法的旁路电容(见附图中C\(_{8}\)),它可以明显地改善失真。
前置放大级引起的失真
前置放大级是工作在甲类放大状态。如果晶体管工作电流选得太大或太小,都会引起失真,一般在1~2.5毫安之间选择。调整时可以选一个信号较强的电台,把音量开到最大,一边听着声音,一边调整工作点,使声音最好为止(如有示波器来看波形当然更好)。有时候晶体管的穿透电流增大了,使集电极电流增高,即使调整偏流电阻,集电极电流也降不下来,声音发闷、变小。这时只好换一个穿透电流小的晶体管。
有时在输入变压器的初级并接了一个0.01到0.047微法的电容器,见附图中C\(_{7}\),它的作用是为了滤去音频高次谐波,并且压低频率较高的音频,但是C7的电容量不宜用得太大,否则声音就会发闷、低沉,电容量也不应太小,太小将不起作用。
高放级引起的失真
高放级和前置放大级之间的耦合电容,通常在5到50微法之间选择,如果容量太小,低频特性不好。如果此电容器漏电太大,就会影响晶体管的工作点,使声音变小或失真,这时即使调偏流也不起作用。
为了提高灵敏度和选择性,往往在高放级加上再生电路,但是它也带来了使通频带变窄的缺点,因而使声音失真,所以再生强弱要兼顾选择性和音质两个方面的要求。(于昌)