手头有几只三极管,总想了解它的一些性能,查阅晶体管手册,看到列有h\(_{ie}\)、hfe、h\(_{re}\)、hoe等项交流参数(见表一),这些参数有的有单位,有的却没有单位,单位的名称也不一样。究竟h参数是什么意思,它是怎么来的,有什么用处,下面来谈谈这些问题。

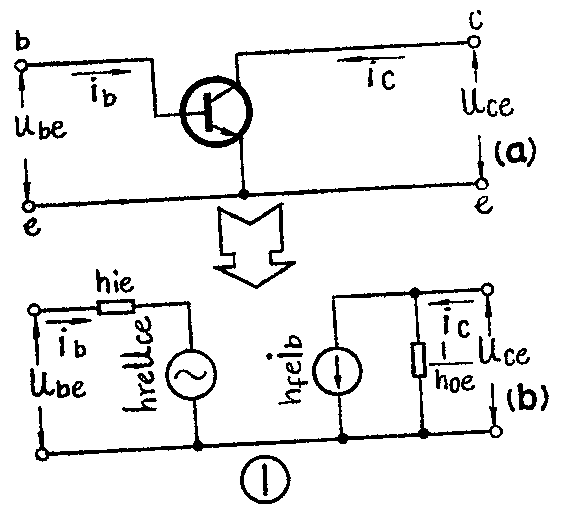
大家都知道,晶体三极管的输入特性和输出特性都是非线性的。这给分析和设计晶体管电路带来了相当大的困难。但在小信号的条件下,可以把特性曲线的局部近似地看成是一段直线,而把晶体管作为线性元件来看待,于是,晶体管可以等效成一个线性电路(见图1)。

这个等效电路是怎么得来的呢,让我们先看看晶体管的输入回路。在有信号输入的情况下,决定基极交流电压u\(_{be}\)的有两个因素:其一是基极交流电流ib。i\(_{b}\)越大,则ube越高。这种性质,可比拟为输入回路内存在着一电阻h\(_{ie}\)。其次是输出端对输入端的反馈作用。输出交流电压uce的变化,也会引起u\(_{be}\)的变化。这种性质,可比拟为在输入回路内存在着一电压源hreu\(_{ce}\)。这样,晶体管的输入回路就可以用图1b左边部分的电路来等效它。再来看看晶体三极管的输出回路。决定输出交流电流ic的也有两个因素:因素之一,是大家熟知的三极管的放大作用,i\(_{c}\)随ib而变,i\(_{b}\)越大,ic也越大。这种性质,可比拟为在输出回路内,存在着一电流源h\(_{fe}\)ib。另一个因素是i\(_{c}\)又随uce的变化而稍有变化。这种性质也可比拟为在输出回路内存在着一个大电阻 1/h\(_{oe}\)。因此三极管的输出回路又可以用图1b右边的电路来等效它。
四个交流h参数就反映了晶体三极管上述四个方面的特性。下面,我们对这四个h参数分别作进一步的说明。

1.h\(_{ie}\)称做共发射极小信号短路输入阻抗(工作于低频时,可忽略其电抗的作用,简单地称作输入电阻),单位欧姆。它反映了输入信号电压与输入信号电流之间的关系。这里所说的“短路”。是指三极管输出端。c-e之间交流短路。前面讲过,决定基极电压ube的,有二个因素,即基极电流i\(_{b}\)和输出端电压uce的反馈作用。我们在测定前一因素的作用时,一定要把后一个因素尽可能彻底地排除掉,才能得到正确的结果。我们把输出端造成交流短路,这时u\(_{ce}\)=0,则图1b左边的hreu\(_{ce}\)=0,这样相当于把这个假设的电压源短路掉了,图1b就成了图2所示。这样,就把上述的后一因素排除掉了。使测得的结果,正确地反映了ube~i\(_{b}\)之间的关系。在上述的情况下,输入端的ube=h\(_{ie}\)ib,由此,不难理解, h\(_{ie}\)可以简明地用数学形式表示为:
h\(_{ie}\)=ubei\(_{b}\)|uce=0
它的单位是欧姆。现在举一个例子:设有一晶体三极管,测得u\(_{be}\)=1毫伏,ib=1微安。那么:h\(_{ie}\)=ube/i\(_{b}\)=1×10\(^{-}\)3伏/1×10-6安=1×10\(^{3}\)欧姆=1千欧。一般晶体三极管的hie在数百欧至数千欧之间。
2.h\(_{re}\)称做共发射极小信号开路电压反馈系数,没有单位。它反映了晶体三极管输出端对输入端的反馈作用的大小。这里所说的开路,是指输入端交流开路,令ib=0,则h\(_{ie}\)ib=0。这样,在输入回路里,i\(_{b}\)在hie上产生的电压降不存在了,这就排除了上述前一个对u\(_{be}\)有影响的因素。此时在输入端测得的ube就只剩下输出端反馈过来的电压h\(_{re}\)uce了(如图3所示)即u\(_{be}\)=hreu\(_{ce}\)

同样,h\(_{re}\)的定义也可以表示为:
h\(_{re}\)=ubeu\(_{ce}\)|ib=0
下面举一个例子,设有一晶体三极管在上述情况下,测得u\(_{ce}\)=1伏特,ube=1毫伏,则:
h\(_{re}\)=ubeu\(_{ce}\)=1×10\(^{-}\)3伏特;1伏特=10-3
h\(_{re}\)不过是两个单位相同的物理量的比率,它是没有单位的。一般晶体三极管的hre在10\(^{-}\)3~10-4之间,对电路的影响不十分大,所以在分析电路时,为了简便起见,常忽略不计。
3.h\(_{fe}\)称做共发射极小信号短路电流放大系数。它说明了晶体管输出的信号电流ic比输入的信号电流i\(_{b}\)大多少倍。也没有单位。在输出端交流短路的情况下,从图2可以看到,uce=0,i\(_{c}\)=hfei\(_{b}\)同前面讲过的一样,hfe可以数学的形式定义为:
h\(_{fe}\)=ici\(_{b}\)|uce=0
例如某一晶体三极管在上述情况下,测得i\(_{b}\)≈10微安,ic=1毫安,那么
h\(_{fe}\)=ici\(_{b}\)=1×10\(^{-}\)3安培;1×10-5安培=10\(^{2}\)=100
一般三极管的h\(_{fe}\)在20~200之间,很明显,hfe就是三极管的交流电流放大系数。
4.h\(_{oe}\)称做共发射极小信号开路输出导纳。一个电路的导纳,就是这电路的防抗的倒数。导纳的单位也就是欧姆的倒数,叫做“莫”(T谑淙攵私涣骺肥保琲b=0,那么在输出回路里,h\(_{fe}\)ib=0,相当于把图1b中的电流源拆掉了,这样决定i\(_{c}\)大小的就只剩下uce这一因素了(见图3),这时i\(_{c}\)=hoe·u\(_{ce}\)。所以,hoe也可表示为:
h\(_{oe}\)=icu\(_{ce}\)|ib=0
例如某一晶体三极管在上述情况下测得:u\(_{ce}\)=1伏特,ic= 5微安,那么:
h\(_{oe}\)=icu\(_{ce}\)=5×10\(^{-}\)6安培;1伏特=5×10-6莫=5微莫。
h\(_{oe}\)反映了输出电压uce对i\(_{ce}\)影响的大小。一般三极管的hoe在几微莫至几十微莫间。在电路里,远小于负载的电导,通常也可予以忽略。

h参数在小信号的前提下,揭示了晶体三极管运用于低频范围内的基本特性。为我们分析和设计晶体管电路带来了很大的方便。现在举一简单实例:图4a的音频放大器里,输入音频信号电压u\(_{be}\)=10毫伏,负载RL为1.2千欧的耳机,晶体管的输入阻抗h\(_{ie}\)=1千欧,电流放大系数hfe=100,求输出信号电流i\(_{c}\),信号电压uce以及输出功率P\(_{o}\)。
先根据图4a作出等效电路如图4b,又因为h\(_{re}\)及hoe数值很小,对整个电路影响甚微可以忽略,又因R\(_{b}\)》hie,R\(_{b}\)也可予以忽略,把等效电路进一步简化成图4c。根据图4c进行计算如下:
1.求输入信号电流i\(_{b}\)。根据hie的定义:
i\(_{b}\)=ubeh\(_{ie}\)=1×10\(^{-}\)2伏特;1×103欧姆=10\(^{-}\)5安培=10微安
2.求输出信号电流i\(_{c}\)。根据hfe的定义:
i\(_{c}\)=hfei\(_{b}\)=100×10\(^{-}\)5安培=10-3安培=1毫安。
3.求输出信号电压u\(_{ce}\)。根据欧姆定律:
u\(_{ce}\)=icR\(_{L}\)=10\(^{-}\)3安培×1.2×103欧姆≈1.2伏特。
4.求输出功率P\(_{o}\)
P\(_{o}\)=ucei\(_{c}\)=1.2伏特×10-3安培=1.2×10\(_{-}\)3瓦特=1.2毫瓦。(郑利根)