一、什么是应急修理?
举一个例子就能说清楚什么是应急修理。图1是一架收音机的低放电路,故障是输入变压器初、次级间发生短路,使前置级和功放级都无法工作。从常规修理看来,只要换一只好的输入变压器就行了, 最多把它拆下来重绕。但采取应急办法却能迅速排除故障。
输入变压器B\(_{1}\)的初级和电源是接通的。初、次级间短路等于电源通过一个很小的电阻和次级相连,从而引起功放级两管总静态电流大大增加;同时,功放管正向偏置的b—e结小电阻,通过短路点使前置低放级的集电极电压大大降低,使BG1基本处在饱和状态,丧失放大作用。这两个原因使收音机不能正常工作。
要修好这个收音机,切断B\(_{1}\)初级和电源的直流通路是关键。因此先把B1的初级和电路脱离,但工作时BG\(_{1}\)必须有电源通路,于是接入R和电源沟通,为了和下级电路耦合,又接入电容C(见图2)。这时前置低放级功能已经恢复,只不过由变压器耦合改成阻容耦合罢了。这时的工作可用图3来分析。假定4、5点表示短路点。正常输入变压器的初级是又作直流通路又作交流通路的。现在直流通路已改由R流通,而由于C的存在,B1初级的上端A到短路点之间的一部分线圈仍作为交流负载并联在R上。音频信号电压U是通过A→4→5→2→R\(_{2}\)→E加到A-2端。通过电磁感应,它的次级1—2和2—3感应出相位相反、幅度差不多的音频电压,加到功放管的b、e间,而B1次级的直流回路仍是畅通的,于是功放级也恢复了工作。


还有几点应注意的:①初、次级有短路的输入变压器,只在有一个短路点时可作应急修理,如有两个短路点,就等于有匝间短路,收音机不能修复,只有重绕或更换变压器。②由变压器结构所决定,初级短路点4必然在初级线圈靠近A或B的一端,4点把初级线圈分成两段。为了保证应急修理后的性能,应将初级线圈中合适的一段接入电路(根据输出音量大小来判断)。③短路点的位置不同,对次级输出的平衡影响不一样。在某位置时,可能使次级输出不平衡很严重,甚至使推挽级无法工作。这时只能将推挽改成单管工作,而该单管功放的输入端只能用B\(_{1}\)的1—2端。
电容C可在10~100微法内任选,因为它是音频通路,所以数值大一些好,另外它也作为隔直流电容,所以耐压要足够。电阻R可在500~1000欧内选用,R太大会使该级集电极电流调不上去,结果输出减小;甚至不能工作;R太小将使该级总交流负载太小。至于A和B哪一点和电路接通,却并不需要找出4点的位置,只要当场试验,哪点接上较响就用哪点接上。然后,如嫌失真太大,则可将末级改成单管输出。
如果再仔细看看就会发现,R\(_{1}\)、C1的数值大致落在我们要选的R、C范围内,于是可以将BG\(_{1}\)发射极对地短路,拿R1当R用,C\(_{1}\)当C用。改后要再调调偏流。或者也可以用图1中的R5当R,C\(_{2}\)当C。
二、怎样搞应急修理?
要掌握应急修理方法,必须熟悉收音机的线路原理,并应以下列几方面为重点:

1.研究并熟悉每个元件在线路中的作用。尤其是该元件在线路中的去留对整机的影响。图4是一个普通低放级的偏置线路。从原理上讲是R\(_{1}\)、R2、R\(_{3}\)联合在起作用,实际上起根本作用的是R1。在应急修理中如碰到R\(_{2}\)、R3损坏或准备将它们移作它用时,就可以放心地取走,或者碰到C\(_{3}\)损坏而无备件时,也可干脆将R3短路。这两种情况都会使该级偏流变大,为使偏流恢复到原值附近,除了调大R\(_{1}\)外,在小范围内也可将R1上端从电源负端-E改接到A点。但如果是R\(_{1}\)损坏,就只有更换了。
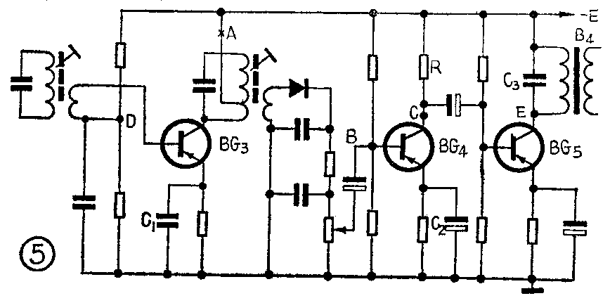
2.要注意一个元件有几个作用和一管多用的电路。例如将音量电位器接在低放级的下偏置电阻位置,就同时兼有控制音量和下偏置电阻的作用。特别是来复电路,是应急修理中经常要用到的电路,当前置低放晶体管损坏,或推挽级坏了一个推挽管时,可以将前置低放的晶体管移作推挽用,将第二中放改成来复电路,利用二中放管兼作前置低放,从而恢复收音机的功能。例如图5是一普通有两级低放的电路。如果第一级低放管BG\(_{4}\)损坏,准备把二中放改成来复电路兼作第一低放,可把B点断开,把B点交连电解电容的负极改接到D点;把A点、C点断开,把中周抽头与C点(R下端)接起来;再在C点到地间加接一个几千到几万微微法的电容器C4(可取用原来的C\(_{1}\)),以保证中频信号的通路;原来的C1则应加大到10微法以上(可用原来的C\(_{2}\)代替),以保证音频信号的通路。R可取100欧到2千欧左右。最后把来复级偏流调到1.5~2毫安。改接后电路如图6。


如果原来只有一级前置低放,也可改接,改接方法如前,但还要把B\(_{4}\)初级的下端E点接到原电路A点中周的抽头上,如图7。一般B4初级都并联有电容C\(_{3}\),还省去了上述再接C4的麻烦。碰到第二中放接有退耦电路的,改起来就更方便了,可以取消退耦电路,利用退耦元件改接。

3.在应急修理中,有时可简化电路。例如可将推挽级放大改为单管放大,利用输入、输出变压器的一半线圈工作,接成如图8所示电路。晶体管发射极接地,或保留原来的小电阻也可以。调R\(_{3}\),使工作电流为10~15毫安(指一般小功率输出而言,中功率管电流还要调大)。一般不要采取去掉R2的办法来增加电流,因这样将降低该级的稳定性。如实在要去掉,可在原地方换上一个50微法的电容器,以供音频电流的通路。

4.在应急修理中,简化电路有个最低限度,其中元件不能再少,例如图9最简电路中的元件都是必不可少的。如有损坏,必须设法置换,不能省去。如图中C\(_{5}\)短路失效,它是必不可少的,必须更换。

5.收音机多种多样,所用元件数值大小不一,似乎杂乱无章。其实不然,同一功能的元件,其数值大体都落在一个范围内。因此,在应急修理中,熟悉各个元件的常用数值范围,并了解该元件数值变大变小时对整机的影响,才能在替代时运用自如,得心应手。如图9所示电路中各元件的数值就有下列范围:
R\(_{1}\) ——1~2千欧左右。数值太小会使振荡线圈Q值太低,不能起振;数值太大,则本级电流调不到规定值,混频增益会下降,甚至要停振,特别对β小的管子影响更甚。
R\(_{2}\)、R3、R\(_{5}\)——上偏流电阻,数值随管子不同而异。一般R2、R\(_{3}\)的数值为十几到几十千欧; R5为几千欧。
R\(_{4}\)——4~10千欧电位器,应是和中周匹配的,不匹配总要引起增益下降。数值大一些选择性好;数值小一些,频带宽一些。
R\(_{6}\)——功放级的下偏流电阻,一般为几十欧到几百欧,因它又是音频通路,数值不宜取太大,以免增加音频信号的损耗;数值太小,则偏置回路本身耗电太大。
C\(_{3}\)——高频通路电容,其数值为几千到几万微微法,数值不需很大,但大些并无妨碍。
C\(_{4}\)——振荡耦合电容,几千到几万微微法。数值小,输入混频管的振荡电压小,反之则振荡电压大些。
C\(_{5}\) 、C6、C\(_{8}\)——几千到几万微微法,因供中频通路用,所以数值不要取得太小,但它们还要通音频,所以数值也不能太大,以免音频信号损失太大。
C\(_{7}\) ——几微法到几十微法,因是音频通路,故大一些好。
必须说明,应急修理并不是正规修理办法,由于电路被简化,或以数值相近的元件代用,必然使收音机性能变坏。例如,由于偏置电路简化,会引起热稳定性变差;将推挽级改为单管输出,将使整机效率降低,音质变差;由于变压器失配,将使失真增大,增益下降;由于中频电路改动,有可能引起中频自激;取消自动增益控制,将引起本地强电台的阻塞,等等。
因此,除了在要求不高的场合,一般在有配件或立等急用的时期过去以后,应当把电路恢复原状。(郭沐)
