严格地说,图1电路中推挽两管的输入信号并不完全相等,因为两管输入信号并不取自推动管BG\(_{1}\)集电极负载的同一点,而是将BG3管基极b\(_{3}\)接到R4下端,将BG\(_{2}\)管基极b2接到R\(_{4}\)上端。因而从对称输入着眼,R4也不能很大,必须使R\(_{4}\)《R3,做到两推挽管输入信号尽量相等。
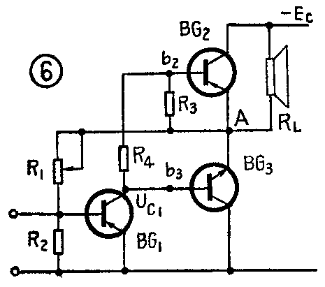
BG\(_{1}\)管集电极电阻R3通过负载R\(_{L}\)接到电源负端,是为了构成电压正反馈,以提高功率。在静态时,低阻的RL和R\(_{4}\)远小于R3,故BG\(_{1}\)管的直流负载主要是R3。在动态时,C\(_{3}\)相当于短路,R3等效跨接在BG\(_{2}\)管的b、e间(若忽略R4,R\(_{3}\)也可看作等效跨接在BG3管的b、 e 间),如图6所示。当A点有信号输出时,总是被R\(_{3}\)、R4和BG\(_{1}\)管的内阻分压,馈给BG2、BG\(_{3}\)的基极,显然,通过R3反馈到推挽两管基极的信号的极性是与A点输出信号相同的,因而属于电压正反馈,其作用是使输出级的功率增益得到提高。但这种正反馈对放大器的频响不利。负反馈有利于展宽放大器的频响,正反馈却要压缩频响,尤其是对低端频响影响更为严重。因此R\(_{3}\)的大小要适当控制,因为正反馈量的大小主要取决于R3。

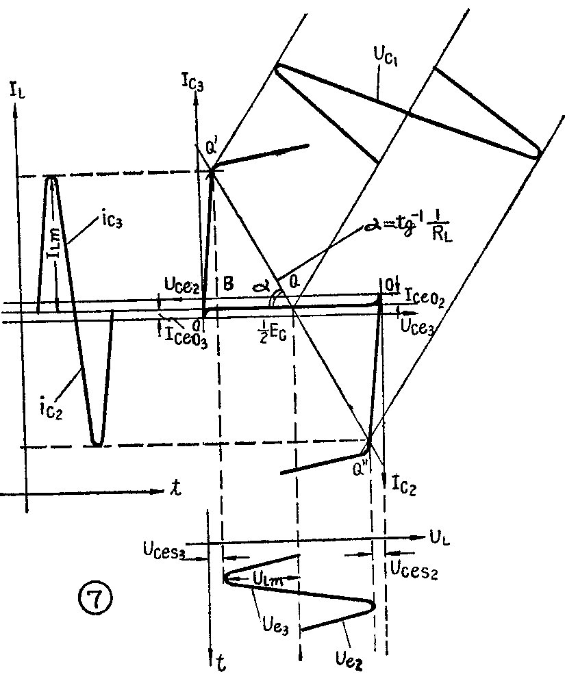
2.图解分析和计算:同变压器耦合推挽功放一样,我们也可将推挽管的两组输出特性曲线相互倒置,如图7所示,用作图的方法来分析辅助对称OTL电路。

因为两管工作在乙类状态,I\(_{ceo2}\)=Iceo3=I\(_{ceo}\),故两组曲线应在Ic=I\(_{ceo}\)处重叠,静态工作点Q就在Ic=I\(_{ceo}\)、Uce=-E\(_{c}\)/2处。过Q点作斜率为tgα=1/RL的交流负载线。当推挽两管输入信号为U\(_{c1}\)时,随Uc1变化, 工作点Q就沿交流负载线在Q′-Q″点间滑动。于是可作出相应的输出电流I\(_{L}\)、输出电压UL的波形。图7采用习惯上的共e电路的作图法。因而作出的U\(_{L}\)与Uc1倒了相。在共c电路的情况下,U\(_{L}\)波形正好与Uc1同相,因而与图7所示相反。但对共c电路和共e电路来说,其输出特性的不同仅在纵坐标标志的意义不同,前者表示I\(_{e}\),后者表示Ic,而在量值上I\(_{e}\)≈Ic,因此图7作法并不影响我们进行分析、计算。
由于发射极电阻R\(_{6}\)=R7=R\(_{e}\)(参看上期本文图1),它们对直流工作点的稳定有好处,但在放大器交流工作状态下都是与负载RL串联的,也是交流负载的一部分,它们上面要消耗一些功率。在R\(_{e}\)与RL相比不能忽略时,交流负载应考虑为R\(_{e}\)+RL,故负载线斜率应算作tgα=1/(R\(_{e}\)+RL)。
下面结合图解分析介绍几项参数的计算方法。
①输出功率P——只要两管选得对称,输出电流、电压的波形也会对称。在量值上i\(_{c2}\)=ic3,U\(_{e2}\)=Ue3若忽略穿透电流I\(_{ceo}\),可认为负载电流幅值ILm与管子集电极电流幅值I\(_{cm}\)近似相等,即ILm≈I\(_{cm}\)。若再忽略饱和压降Uces,且不计R\(_{e}\),又可认为负载电压幅值ULm与管子发射极电压幅值U\(_{em}\)近似相等,即ULm≈U\(_{em}\)=Ec/2。从图7所示三角形△QBQ′可写出关系式

输出功率P按有效值I\(_{L}\) UL计算,可算得

式中:E\(_{c}\)的单位为伏;RL的单位为欧;输出功率P的单位为瓦。
例如,E\(_{c}\)=6伏,RL= 8欧,则最大不失真输出功率为:
P=E\(_{c}\)\(^{2}\)/8RL=628×8=0.56瓦。
如果饱和压降U\(_{ces}\)不能忽略,从图7可以看出,幅值ULm=E\(_{c}\)/2-Uces=(E\(_{c}\)-2Uces)/2,则

上式说明,R\(_{e}\)越大,损耗在Re上的功率越多,输出功率就越小。因此R\(_{e}\)的确定不但要考虑到放大器的稳定性,还必须考虑到不致过多地损失功率,一般总选Re≤R\(_{L}\)/10。
从图7还可看出,输出功率(P=I\(_{Lm}\)ULm/2)正好等于三角形△QBQ′的面积,要提高输出功率,就要设法加大△QBQ′的面积。在负载R\(_{L}\)已定的情况下,交流负载线斜率tgα=1/RL已定,要加大△QBQ′,只有提高电源电压E\(_{c}\)。这样将使负载线向右平移,使交点Q′、Q″上升,集电极电流Ic就急剧增大。或者在E\(_{c}\)已定的情况下,要想加大△QBQ′面积,只有减小RL(选用低阻负载),使负载线更陡,交点Q′、Q″也上升,集电极I\(_{c}\)也将急剧增大。无论哪种情况,都要增大Ic,故这种功放电路对功率管的最大集电极电流参数I\(_{CM}\)要求很高。
②效率η——要计算效率,先要计算电源消耗功率,即电源在一周期内供给放大器的能量。对正弦波来说,不能直接计算一个周期的平均值,因为两个半波等值反相,其平均值恰好为零,但可先计算出半个周期内的平均值,再推算一个周期内的平均值。经计算可知,电源在有功率输出的一个周期内,供给(或消耗)在输出管的电流平均值为I-\(_{c}\)=2Icm/π。前已提过,幅值I\(_{cm}\)≈ILm=(E\(_{c}\)-2Uces)/2R\(_{L}\),每个管的供电电压为Ec/2,于是可算出电源消耗功率为

上式说明,若管子的饱和压降U\(_{ces}\)小到可以忽略,放大器的理想效率同变压器乙类推挽放大器一样可以达到78.5%。
③管子最大集电极损耗功率P\(_{cm}\)——电源供给放大器的直流功率大部转换成交流功率输出,剩下的消耗在管子集电极,使管子发热。因而可以认为,推挽管的最大集电极管耗为电源总消耗功率与输出功率之差,即Pcm= P\(_{o}\)- P。为计算方便,先将Po公式简化为

则每管的集电极功耗仅为P\(_{cm}\)/2=0.137P。
需要说明:上述结果都是在最大动态范围(即输出最大不失真功率)情况下得出的。但实际上管子并非工作在动态范围最大的情况下,即电流、电压并未充分利用,因而实际管耗要加大。实验证明,当电流电压利用系数k=0.636时,两管管耗最大为P\(_{cm}\)=0.406P。另外,上述结果都是在正弦信号的条件下得出的,实际上放大器输入信号并非单一正弦信号,而是一个很复杂的非正弦信号(例如语言、音乐等),因此管耗也要加大。考虑到这两个情况,每个推挽管的最大管耗应按0.25P考虑。例如,若要求输出功率P=1瓦,则每个推挽管的最大集电极功耗必须满足PCM≥0.25P=0.25瓦。
④推挽管的选择——归纳上述情况,便可得到选择推挽管的三个主要条件,即:
最大反向击穿电压BV\(_{ceo}\)≥Ec;
最大集电极电流I\(_{CM}\)≥Icm=(E\(_{c}\)-2Uces)/2(R\(_{L}\)+Re);
最大集电极功耗P\(_{CM}\)≥0.25P。
此外,从图7曲线可知,还要求推换两管的两组特性曲线应尽量一致,输出波形失真才最小,但不易办到。在两管配对时,特别要注意两管在I\(_{CM}\)时的β和饱和压降Uces,即图7中Q′点和Q″点的β值、U\(_{ces}\)应尽量一致,Uces越小越好。


3.对称性:前已提到,图1电路中推挽管只有用同一材料的管子组成时,对称性才能基本得到保证。从图8所示大功率管的β—I\(_{c}\)特性曲线可以看到,锗管与硅管的特性不一致,锗管的β值随Ic增大而急剧上升,到一定值后缓慢下降,而硅管β值却随I\(_{c}\)增大而缓慢上升,到一定值就急剧下降。这就说明,尽管在静态时可以挑选两管β值一致,但在动态时两管β值的变化是不一致的。另外,从图9晶体管的Ube—I\(_{c}\)转移特性曲线又可看到,硅管的特性曲线比锗管要陡,即在动态时,对应于同一输入信号变化△Ube,其输出电流变化△I\(_{c}\)不一样。还有硅管与锗管的温度特性差别也较大。这些因素都将导致输出波形失真。而目前硅PNP型和锗NPN型大功率管还很少见,不可能用相同材料不同导电极性的大功率管组成推挽电路,因此要采用下一节介绍的复合管电路。
二、标准辅助对称式电路

这种电路如图10所示。它采用同材料、同极性的大功率管,并配用中功率或小功率的同材料、不同极性的管子组成复合推挽电路,其特点为:
1.复合管:两个管子复合可看成一个管子。图10电路的交流工作状态可简化成图11所示。推挽管BG\(_{2、4}\)和BG3、5仍然工作在共c状态,故仍具有共c电路的一切特点。电路的分析、计算方法同前。

2.对称性:为了对称,要求β\(_{2}\)·β4=β\(_{3}\)·β5,并不要求复合两管的β值相等,但也不能相差太多,例如β\(_{4}\)=5,β5=40,相应地β\(_{2}\)=80,β3=10,这样虽然β\(_{2}\)β4=β\(_{3}\)β5=400,但不合要求,因为若输出电流I\(_{c4max}\)= 1安,则Ib4max=1/5=0.2安=I\(_{e2max}\)。这对中功率管来说,其工作点已进入饱和区,信号将严重失真。
为了对称,推挽两臂各管的饱和压降U\(_{ces}\)应选得较为一致,且越小越好。希望BG2、BG\(_{3}\)两管采用同一材料、不同导电极性的管子。
复合管也有缺点,从关系式I\(_{c}\)≈β2β\(_{4}\)Ib2可以推断:复合管BG\(_{2、4}\)的穿透电流也会有Iceo≈β\(_{2}\)β4I\(_{cbo2}\)这个关系,即其穿透电流也是大幅度增长的。因而复合管的温度稳定性总不如单管好。为了克服这一缺点,图10电路中,在输出管BG4、 BG\(_{5}\)基极相应接入偏置电阻Re2、R\(_{c3}\)。当调整电位器W2确定静态电流I\(_{c3}\)(≈Ie3=I\(_{e2}\))时,就给输出管加上了一定的静态偏置电压Ie2R\(_{e2}\)、Ic3R\(_{c3}\),使输出管BG4、BG\(_{5}\)(和BG2、BG\(_{3}\))均工作在甲乙类,即都建立一定的静态电流Ico,而I\(_{co}\)远大于Iceo,所以由于温度变化引起的I\(_{ceo}\)的变化,对静态电流工作点的影响就可忽略,从而提高了温度稳定性。但是Re2、R\(_{c3}\)接入后,对注入输出管的信号也有分流作用,因而电路增益会受到损失。此外, Re2、R\(_{c3}\)。接入后, BG2与BG\(_{3}\)管电路的结构并不一样,BG2管信号从其发射极输出,电压增益K\(_{V2}\)≤1;BG3管则从集电极输出,其电压增益K\(_{V3}\)>1,若不采取措施,使KV3≈1,就会使输出不对称,造成严重失真。

怎样才能使K\(_{V3}\)≈1呢?我们将BG3管交流工作电路简化成图12,其中BG\(_{3}\)管的等效输入电阻为rbe3,BG\(_{5}\)管的等效输入电阻为rbe5(作为BG\(_{3}\)管的交流负载)。经分析可知,在电流串联负反馈放大器中,只要反馈电阻Re3足够大,满足β\(_{3}\)Re3》r\(_{be3}\),则放大器增益可近似为KV3≈R′\(_{c3}\)/Re3。式中R′\(_{c3}\)为集电极交流负载,即R′c3=R\(_{c3}\)‖rbe5(‖表示两电阻并联)。这说明在负反馈较强的情况下,放大器的增益几乎与管子无关,仅决定于放大器交流负载与反馈电阻之比。如果使R′\(_{c3}\)=Re3,就可做到K\(_{V3}\)≈1。用这样的方法来计算电路,就可使BG2、BG\(_{3}\)两管的增益都接近于1,即KV2=K\(_{V3}\)≈1,推挽两臂能对称地工作。
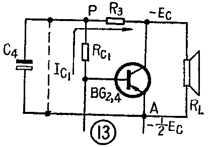
3.自举电路:图10电路由R\(_{3}\)、C4构成所谓自举电路。先假定没有R\(_{3}\)、C4,则图10电路的交流工作状态如图11所示。由于i\(_{c1}\)流经Rc1要产生压降i\(_{c1}\)Rc1,故当BG\(_{2、4}\)导通时, A点电位向负端摆动不到-Ec,而只能达到U\(_{A}\)=-(Ec-i\(_{c1}\)Rc1-U\(_{be2、4}\)),式中Ube2、4=U\(_{be4}\)+Ube2。也就是说, BG\(_{2、4}\)管不能充分导通,输出功率受到限制。

当接入R\(_{3}\)、C4后,如简图13所示。在静态时,R\(_{3}\)与Rc1、R\(_{4}\)等一起构成BG1管集电极负载。这时P点的直流电位为U\(_{P}\)=-(Ec-I\(_{c1}\)R3)。由于R\(_{3}\)较小,可近似认为UP≈-E\(_{c}\),而中点电位UA=-E\(_{c}\)/2,故电容C4被充电,两端电压U\(_{c4}\)=Ec/2,极性是下端正上端负,因而也可认为P点电位是中点电位U\(_{A}\)叠加了电容上电压Uc4,即U\(_{P}\)=UA+U\(_{c4}\)=-Ec。
在动态时,若BG\(_{2、4}\)管饱和导通,中点电位向电源负端摆动,即UA→-E\(_{c}\),相应地P点电位将为:UP→(U\(_{A}\)+Uc4)=-(E\(_{c}\)+Ec/2)=-3E\(_{c}\)/2,即由于C4的作用,将P点电位举高了,相当于在P点接了个高压电源一样,举高的电压足以抵消R\(_{c1}\)上的电压损失,使A点电位能摆动到-Ec,确保电源电压得到充分利用,输出功率达到最大值。这里R\(_{3}\)的作用显然是为了将P点与电源-Ec隔开,防止电源的低内阻将C\(_{4}\)上电压钳位到电源电压,以利于P点电位升高(向负端)。为了使自举电路不致过多地影响放大器频响,电容C4的容量必须足够大,一般以最低频率f\(_{1}\)进行估算,即C4≥1/2πf\(_{1}\)R3。
三、设计举例
已知喇叭阻抗R\(_{L}\)=8欧,试设计一输出功率P=5瓦、f1=50赫的功放电路。
1.电路选择:根据要求应选用复合管OTL电路。
2.确定电源电压:根据P=E\(_{c}\)\(^{2}\)/8RL,可知E\(_{c}\)=\(\sqrt{8R}\)LP=8×8×5=17.8伏。考虑到管子饱和压降U\(_{ces}\)和发射极电阻Re,电源电压应有足够余量,以满足P=(E\(_{c}\)-2Uces)2/8(R\(_{L}\)+Re),一般留20%的余量已可,即实际电源电压应为
E\(_{c}\)′=Ec(1+20%)=17.8×1.2=21.5伏。
考虑到电源电压系列,取E\(_{c}\)=24伏。
3.输出管BG\(_{4}\)、BG5的选择:根据选择推挽管的三个主要条件可知:BV\(_{ceo}\)≥Ec=24伏;I\(_{CM}\)≥Icm=E\(_{c}\)/2RL=24/2×8=1.5安;P\(_{CM}\)≥Pcm=0.25P′+E\(_{c}\)ICQ/2,其中I\(_{CQ}\)是推挽管工作在甲乙类的静态电流,大功率管一般取ICQ=20毫安。P′为实际输出功率,即P′=E\(^{2}\)\(_{c}\)/8RL=242/8×8=9瓦,故P\(_{cm}\)=0.25×9+0.5×24×0.02=2.5瓦。
选用3AD6C可满足要求,其指标为:BV\(_{ceo}\)=30伏;ICM=2安;P\(_{CM}\)=10瓦(加120×120×4mm\(^{3}\)散热片)
4.R\(_{e5}\)、Re4的选取:一般取R\(_{e4}\)=Re5=R\(_{e}\)=RL/10,故选取R\(_{e4}\)=Re5=0.5~1欧。
5.复合管选择:根据图8可知,动态时晶体管β值随I\(_{c}\)上升而增大。前已算得ICQ~I\(_{cm}\)=20毫安~1.5安,若BG4、BG\(_{5}\)相应的β值变化范围为β4=β\(_{5}\)=20~100,故可算得基极电流的动态范围为
I\(_{b4}\)=Ib5=20/20~1500/100=1~15毫安
由复合管原理可知,这一基极电流相应地由BG\(_{2}\)、BG3管提供,故要求两管最大集电极电流应满足I\(_{CM2}\)=ICM3≥I\(_{b4}\)=Ib5=15毫安。两管最大集电极反压同输出管一样仍要满足BV\(_{ceo}\)≥Ec。最大集电极功耗的计算同输出管是一样的,因为BG\(_{2}\)、BG3也是工作在甲乙类的。为简便起见,也可从输出管推算过来。前面已算过输出管的最大集电极功耗为P\(_{cm4}\)=Pcm5=P\(_{cm}\)=2.5瓦。按输出管最低β值进行估算(这时管耗最大),则可知Pcm2=P\(_{cm3}\)≥Pcm4/β\(_{4}\)=2.5/20=125毫瓦。
根据上述计算结果查手册,BG\(_{2}\)管可采用3AX31C,BG3管可采用3BX1E。两管指标均满足P\(_{cm}\)≥125毫瓦, Icm≥15毫安, BV\(_{ceo}\)≥24伏的要求。
6.R\(_{c3}\)、Re2的确定:R\(_{c3}\)、Re2分别提供输出管BG\(_{5}\)、BG4的静态偏流,同时也对信号分流,故不宜取得过小,一般按输出管的输入电阻r\(_{be5}\)(=rbe4)来进行估算,即取R\(_{c3}\)=Re2=(1~10)r\(_{be5}\)。3AD6C的输入电阻约数十欧姆。这里若估为rbe5=r\(_{be4}\)=40欧,则可取Rc3=R\(_{e2}\)=5rbe5=5×40=200欧。
7.R\(_{e3}\)、 Rc2的确定:由于BG\(_{3}\)工作在倒相放大状态,要使得KV3=K\(_{V2}\)≈1,必须使Re3=R′\(_{c3}\)。 R′c3是集电极交流负载,即R′c3=R\(_{c3}\)‖rbe5=(200×40)/(200+40)=33欧,因而可取R\(_{e3}\)=Rc2=R′\(_{c3}\)=33欧。
8.BG\(_{2}\)、BG3 静态工作点的确定:从图10电路可算得BG\(_{3}\)管集电极电位Uc3=I\(_{c3}\)Rc3=I\(_{CQ5}\)Re5+U\(_{be5}\)=0.02×1+0.2=0.22伏,故其发射极静态电流Ie3=I\(_{c3}\)+Ib5=U\(_{c3}\)/Rc3+I\(_{CQ5}\)/β5=0.22/200+0.02/20≈2毫安=I\(_{e2}\),即BG2、BG\(_{3}\)管静态电流应调到Ie3=I\(_{e2}\)=2毫安。这一电流可以调整两管基极偏压来确定。
若偏置电阻为R\(_{b}\)=(R4+W\(_{2}\))‖RT,则偏压可表示为U\(_{Rb}\)=Ube3+I\(_{e3}\)Re3+I\(_{e2}\)Re2+U\(_{be2}\), BG3与BG\(_{2}\)均选用锗管,故发射结正向电压均估为Ube3=U\(_{be2}\)=0.2伏,又知Ie3=I\(_{e2}\)=2毫安,故可算得偏压URb=0.2+0.002(33+200)+0.2≈0.87伏。推动管BG\(_{1}\)总是工作在甲类的,可取Ic1=4毫安。这样就可算得偏置电阻R\(_{b}\)=URb/I\(_{c1}\)=0.87/0.004≈220欧,于是可选取热敏电阻RT=1千欧,R\(_{4}\)=100欧,W2=1千欧。调整电位器W\(_{2}\),可以很方便地控制偏压URb。
9.BG\(_{1}\)管静态工作的确定:由于中点A的静态电位为-Ec/2,故可认为I\(_{c1}\)流经Rc1和R\(_{3}\)产生的压降为U(Rc1+R\(_{3}\))=Ec/2-I\(_{e2}\)Re2-U\(_{be2}\),即
R\(_{c1}\)+R3=(E\(_{c}\)/2-Ie2R\(_{e2}\)-Ube2)/I\(_{c1}\)=(12-0.002×200-0.2)/0.004=2.85千欧。
前已分析过,要求R\(_{c1}\)》R3,故按电阻系列,取R\(_{c1}\)=2.4千欧,R3=470欧。取自举电容C\(_{4}\)=100微法,取Re1=510欧,C\(_{2}\)=100微法。偏置电阻取见R2=4.7千欧,R\(_{1}\)=10千欧,W1=47千欧。
10.输出电容C\(_{3}\)的确定:按公式计算
C\(_{3}\)≥10\(^{6}\)/2πf1R\(_{L}\)=106/2π×50×8≈400微法。
取C\(_{3}\)=1000微法/25伏,使频响低端有足够余量(一般总是取计算值的一倍以上)。(金国钧)