扩音机功放级的电子管用于甲乙\(_{2}\)类和乙类工作状态时,栅极输入信号的正半周会有栅流产生,要消耗一定的功率。这时,它的推动级不但要提供一定的推动电压,而且还必须提供足够的推动功率。所以,推动级与功率放大级之间一般应使用变压器来交连,以减小失真。这个变压器叫做推动变压器。推动变压器除起着不失真地传递信号电压和功率以外,还起着倒相的作用。它对推动级来说,相当于负载。
在设计推动变压器时,为了得到良好的频率响应,变压器初级必须具有足够的电感量,并且线包应采用分段、分层绕制方法,以减小漏电感和分布电容。另外,由于推动变压器次级绕组和功率放大管的栅极电路串联在一起,变压器的次级阻抗就相当于功放级信号源的内阻。当有栅流通过时,在这个内阻上会产生电压降,于是信号产生失真。为了减小这种失真,提高稳定度,信号源内阻应尽量减小。采取的措施是:①使用较大直径的导线绕制次级线圈,以降低直流电阻;②因为初级圈数越多于次级圈数时,初级阻抗对次级阻抗的影响越小,所以推动变压器一般都采用降压形式。
一、设计步骤
推动变压器的设计步骤和输出变压器相似。
1.确定初级电感量 计算公式为L\(_{1}\)=aR/fD(亨利)……(3.1)。式中R为推动管屏极最佳负载阻抗,单位为欧姆。当推动级为单管放大时,R=R\(_{a}\);推动级为推挽放大时,R=Raa。α、f\(_{D}\)的选取方法同输出变压器。
2.确定铁心的型号、规格 当推动级为单管放大时,所需铁心最小截面积为
S′\(_{C}\)=(20~30)\(\frac{\sqrt{P}}{f}\)D(厘米\(^{2}\))
…………………… (3.2);
当推动级为推挽放大时,所需铁心最小截面积为
S′\(_{C}\)=(15~20)\(\frac{\sqrt{P}}{f}\)D(厘米\(^{2}\))
…………………… (3.3)。
式中P为推动级输出功率,单位为瓦特。具体数值可从表2.1(见上期)和表3.1中选取。表3.1中列出的是几种电子管在甲类单管功率放大时的特性数据。

为了减小失真,推动级的输出功率P,不应大于推动管最大输出功率P\(_{M}\)的80%,但应不小于功率放大级所需推动功率的两倍。
根据计算得来的S′\(_{C}\),查规格表选取相应型号的铁心,从中即可查出实际截面积SC和磁路长度I\(_{C}\)。SC应大于或等于S′\(_{C}\)。
3.确定初级圈数 在单管放大情况下,
N\(_{1}\)=(450~550)\(\sqrt{L}\)1·l\(_{C}\)SC(匝)
…………………(3.4)。
在推挽放大情况下,
N\(_{1}\)=(350~450)\(\sqrt{L}\)1·l\(_{C}\)SC(匝)
…………………(3.5)。
4.检查最大磁通密度 检查公式为
B\(_{M}\)=\(\frac{10}{^{5}}\)\(\sqrt{f}\)D·P;S\(_{C}\)·lC(高斯)
…………………(3.6)。
根据上式计算出来的B\(_{M}\)值,不应大于6000高斯,否则需增加铁心截面积,重新计算。
5.确定变压比,计算次级圈数 首先求出初级音频电压峰值
U\(_{1M}\)=1.5\(\sqrt{P·R}\)(伏)……(3.7)。
从表2.1可查出功率放大级栅至栅所需推动电压的峰值U\(_{2M}\),则变压比为n=U2M/ηU\(_{1M}\)………(3.8)。这时次级总圈数为
N\(_{2}\)=n·N1(匝)……(3.9)。
6.确定各绕组导线的型号和规格 推动级为单管放大时,工作状态都为甲类。从无信号到信号最大,屏流变化很小,所以在计算初级导线的直径时,应采用最大信号时的屏流I\(_{aM}\);推动级为推挽放大时,可认为初级电流I1=I\(_{aM}\),所以初级导线的直径可按下式计算:
d\(_{1}\)=0.023\(\sqrt{I}\)aM(j=2.5安/毫米\(^{2}\))
d\(_{1}\)=0.02\(\sqrt{I}\)aM(j=3安/毫米\(^{2}\))
d\(_{1}\)=0.019\(\sqrt{I}\)aM(j=3.5安/毫米\(^{2}\))
………(3.10),
式中d\(_{1}\)单位为毫米, IaM单位为毫安;次级导线直径可用下式计算
d\(_{2}\)=(1.1~1.2)d1\(\sqrt{n}\)(毫米)
……………………(3.11),
式中的系数是为了减小次级直流电阻而附加的。根据计算结果,可从漆包线规格表中选择适当型号、规格的导线。
7.验算并列出变压器绕制规格表 可参照本刊今年第8.9期《电源变压器的简易设计》有关内容。
二、设计举例
现在以R-150型扩音机推动变压器为例来计算。从表2.1可查出,当四只FU-7电子管作甲乙\(_{2}\)类并联推挽放大,输出功率为150瓦时,所需推动功率为0.8瓦,栅至栅推动电压峰值需88伏。由于所需推动功率不大,可选用单管放大电路。在这里我们选用电子管6P6P作甲类放大。
从表3.1可查出,当6P6P屏压为250伏,帘栅压为250伏,栅压为-12.5 伏,负载阻抗为5000欧时,最大输出功率为4.5瓦;当屏压为315伏,帘栅压为225伏,栅压为-13伏,负载阻抗为8500欧时,最大输出功率为5.5瓦。根据上面这些数据,我们就可以大致估计出R-150型扩音机在典型工作状态下(6P6P屏压为288伏,帘栅压为235伏,栅压为-14.5伏)的一些数据:屏极负载阻抗约6000欧,最大输出功率约4.8瓦,最大屏极电流约40毫安。
①确定初级最小电感量 频率响应范围仍然取80~8000赫±2分贝,根据3.1式可得:
L\(_{1}\)=αRaf\(_{D}\)=0.21×6000;80≈15.75亨。
②确定铁心型号、规格 选择推动级输出功率为最大输出功率的75%,则
P=0.75P\(_{M}\)=0.75×4.8≈3.5
瓦。根据3.2式得:
S′\(_{C}\)=25\(\frac{\sqrt{P}}{f}\)D=253.5;80≈5.25厘米\(^{2}\)。
查铁心规格表,可选取GEIB22×28型铁心。此时,S\(_{C}\)=5.62厘米\(^{2}\),lC=12.6厘米(也可以选用GEIB19×32型铁心,此时S\(_{C}\)=5.53厘米2, lC=10.9厘米)。
③确定初级圈数 根据公式3.4可得:
N\(_{1}\)=470\(\sqrt{L}\)1·l\(_{C}\)SC=47015.75×12.6;5.62≈2800匝。
④检查最大磁通密度 根据公式3.6得:
B\(_{M}\)=\(\frac{10}{^{5}}\)\(\sqrt{f}\)D·P;S\(_{C}\)·lC=105\(\sqrt{8}\)0·3.5;5.62×12.6≈2487
高斯。满足要求。
⑤确定变压比,计算次级圈数 根据公式(3.7),求出初级音频电压峰值为:
U\(_{1M}\)=1.5\(\sqrt{PR}\)a=1.53.5×6000≈217.5
伏。从表2.1中查出4×FU-7栅至栅所需推动电压峰值为U\(_{2M}\)=88伏。从表1.1(见今年第8期)中查出,当变压器功率为10瓦以下时,效率为0.7~0.75,我们取η=0.75。此时变压比为
n=\(\frac{U}{_{2M}}\)ηU1M=88;0.75×217.5≈0.539。
所以,次级圈数为N\(_{2}\)=nN1=0.539×2800≈1500匝。
⑥确定各绕组导线直径、型号
取电流密度j=3安/毫米\(^{2}\),根据公式3.10和3.11可得:
d\(_{1}\)=0.02\(\sqrt{I}\)aM=0.0240≈0.127毫米;
d\(_{2}\)=1.2d1\(\sqrt{n}\)=1.2×0.127;0.539≈0.208毫米。
查QQ型高强度漆包线规格表(见本刊1976年第1、2期)可得:d\(_{1}\)=0.13毫米,d′1=0.16毫米,S\(_{1}\)=0.01327毫米\(^{2}\);d2=0.21毫米,d′\(_{2}\)=0.25毫米, S2=0.03464毫米2。


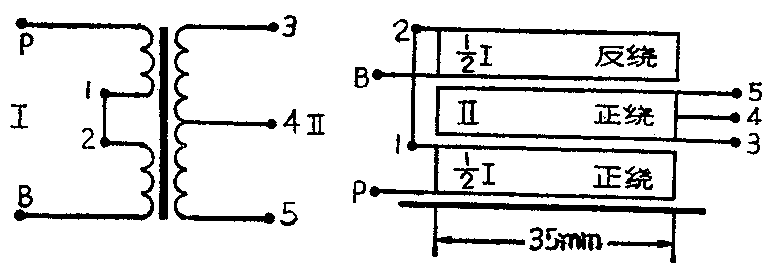
⑦验算并列出变压器绕制规格表 具体验算方法本文从略。绕制规格表可参照表3.2自行填写。变压器结构图见附图。(李龙)