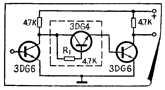
三极管代替耦合电容器
在晶体管组成的放大电路中,可以用一个三极管来代替耦合电容器,尤其是当耦合电容用的是大容量电解电容器时,因为三极管没有电解电容器的漏电现象。

耦合三极管是串接在两个三极管之间,前级集电极电压将使基极电阻R\(_{1}\)两端电压变化,从而使耦合三极管输出电流变化。由于耦合三极管电流仅数微安、β很低、增益也低,故较使用稳压二极管耦合时噪声低得多。
耦合三极管的漏电流要小,要使用平面型硅三极管。
次极三极管的偏置电流将随耦合三极管的β和动作电平而变化,并随电阻R\(_{1}\)和耦合三极管的VCE而变化,可以根据工作要求进行挑选。
电池自动切断电路
用电池做电源,当电池电压下降很低时如果还继续使用,电池就会漏液从而腐蚀其他元件。这里介绍的电路能使电池电压下降到一定程度时自动把电源切断。电路原理很简单,当电池电压足够时,稳压二极管DW导通,三极管BG\(_{1}\)、BG2为正偏置也都导通。当电池电压下降到低于稳压二极管的击穿电压时,稳压二极管截止,BG\(_{1}\)、 BG2也都截止因而把电源电路切断。此时DW与BG\(_{1}\)、BG2的漏电流仅数微安。

电路对三极管无特殊要求,一般的硅三极管都能工作。选择不同击穿电压的稳压二极管就可以改变切断电压。
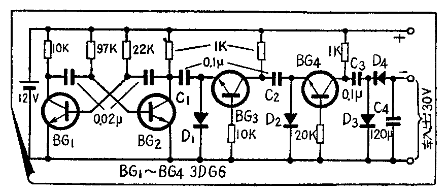
三极管升压电路

这是一个不用变压器而将直流电压提升的电路。三极管BG\(_{1}\)、BG2 组成一个无稳态电路,BG\(_{1}\)和BG2交替处于导通与截止状态。随着BG\(_{2}\)导通与截止使得电容器C1、C\(_{2}\)、C3进行充放电。当BG\(_{2}\)截止时,BG3、BG\(_{4}\)因无偏置也都处于截止状态,此时电容器C1、C\(_{2}\)、C3是并联的,并分别通过二极管D\(_{1}\)、D2、D\(_{3}\)被充电,其两端电压都接近电源电压。当BG2导通时,使BG\(_{3}\)、BG4有了正偏置而都处于导通状态,此时电容器C\(_{1}\)、C2、C\(_{3}\)是串联的并给电容器C4充电,这样C\(_{4}\)两端的电压等于C1、C\(_{2}\)、C3上电压之和,在空载时约为电源电压的三倍。当振荡频率为1千赫时,C\(_{4}\)两端电压约为30伏。(吕秉武编译)