场效应管的输入电阻极大,用来作为长延时继电器电路中的电压检出器件是比较理想的。
设计制作中的一些有关问题
1.场效应管的输入电阻和栅源间的漏电流:常用的场效应管,栅源间的直流电阻R\(_{GS}\)的出厂标准是:绝缘栅型(3DO1或3DO4等)RGS>10\(^{9}\)Ω;结型(3DJ6或3DJ7等)R\(_{GS}\)>107Ω。实际测量值大多远远大于上述标准,绝缘栅型管的RGS值在10\(^{11}\)~1013Ω之间,结型管的在10\(^{1}\)0~1012Ω之间,因此栅源间的漏电流I\(_{GS}\)很小。我们在VGS=-10V、T=25℃条件下,测得一般绝缘栅型管的I\(_{GS}\)值在10\(^{-1}\)0~10-12A之间,结型管的IGS值在10\(^{-}\)9~10-11A之间。对于场效应管的IGS值,一个要注意的特点是:绝缘栅型管的I\(_{GS}\)与偏压成正比,与温度关系较小,一般可以认为从常温到+50℃基本不变。结型管的IGS值却与偏压的关系不大(当然是在不被击穿的情况下)而受温度影响严重,50℃时的I\(_{GS}\)约是常温下的十倍。因此在设计电路时为保证延时精度,采用绝缘栅型管作电压检出器件时其动作点充、放电电流应在5nA以上,用结型管时则不宜小于50nA。
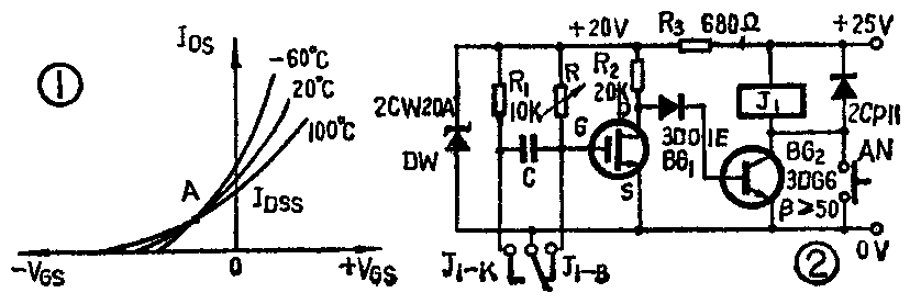
2.温度对场效应管转移特性的影响:场效应管的漏源电流I\(_{DS}\)的温度系数因栅偏压的不同会呈现出负、零、正三种情况,从图1的转移特性曲线可明显地看出这一特点。其零温度系数点(图中的A点)一般在IDS=(0.1~0.25)I\(_{DSS}\)间。(IDSS是场效应管的饱和漏源电流。)设计、调整电路时可利用这一特点对电路进行温度补偿。

3.场效应管的夹断电压V\(_{P}\)和夹断后的泄漏电流IDSP:场效应管的夹断电压V\(_{P}\)是指漏源电流IDS为某一小电流值时的栅偏压,如3DO系列和3DJ系列的场效应管出厂标准就规定为:当I\(_{DS}\)等于50μA时的栅偏压为夹断电压VP。实际上,如果将栅偏压继续向负方向(-V\(_{GS}\))增大,IDS会进一步减小,直至降到某一最低值, I\(_{DS}\)不再随偏压(绝对值)增大而减小时为止。我们称这一电流值为夹断泄漏电流IDSP。绝缘栅型场效应管的I\(_{DSP}\)一般小于5nA,最小可达0.01nA。设计电路时可利用这一特性制作出小电流的场效应管开关,设计出长达数小时,甚至数十小时的延时继电器。
几种延时电路
图2是放电型的延时继电器,其动作原理和第7期“晶体三极管长延时继电器”中图1的电路相似。电路中主要元、器件的选择和调整如下:
场效应管BG\(_{1}\)用3DO1E或3DO4E型,选择其饱和漏源电流IDSS在 0.5mA~1mA之间的管子,其它元、器件的数据已在图2中标出。调整时当V\(_{GS}\)=0(延时电路的待启动状态),漏极电压VDS应小于1V,以保证待启动状态下BG\(_{2}\)可靠截止。若BG1在V\(_{GS}\)=0时,VDS>1V,应适当地增大R\(_{2}\)的阻值,使IDSS在R\(_{2}\)上的压降增大,从而保证VDS降至1V以下。但要注意R\(_{2}\)不得大于40KΩ,以免BG1截止时BG\(_{2}\)的基极电流Ib2太小致使BG\(_{2}\)不能饱和。因此如适当增大R2仍不能使V\(_{DS}\)≤1V,则应更换BG1,选用I\(_{DSS}\)较大而饱和压降较小一些的管子。电路延时过程中,继电器释放的动作点电压V′G\(^{*}\)由BG\(_{1}\)的夹断特性所决定。电路的延时时间t0可用下式计算:
t\(_{0}\)=RCln\(\frac{2E}{E-V′}\)G
式中E为充电回路电源电压,图中为20V,若V′\(_{G}\)=-0.5V,则t0≈0.67RC,当 V′\(_{G}\)取得比较小时,上式可近似为t0≈RCln2≈0.693RC,所以要根据对t\(_{0}\)的需要来选定R值和C值。在长延时继电器中因R值都选得较大,可是又没有相应的大阻值电位器,只好用转换开关分档改变R值以调整t0,但R不宜超过1000MΩ。电容器C最好用CL型涤纶电容器,如需要的t\(_{0}\)较小,R值在200MΩ以下时,也可以采用CJ型金属化纸介电容器。由于漏电流和体积的限制,C值最好不超过10μf。因BG1的动作点可以选在I\(_{DS}\)值呈负温度系数的区域,温度升高时会使t0加大,而C则因温度升高漏电流增加将使t\(_{0}\)减小,所以能有一定程度的补偿,环境温度变化的影响较小。
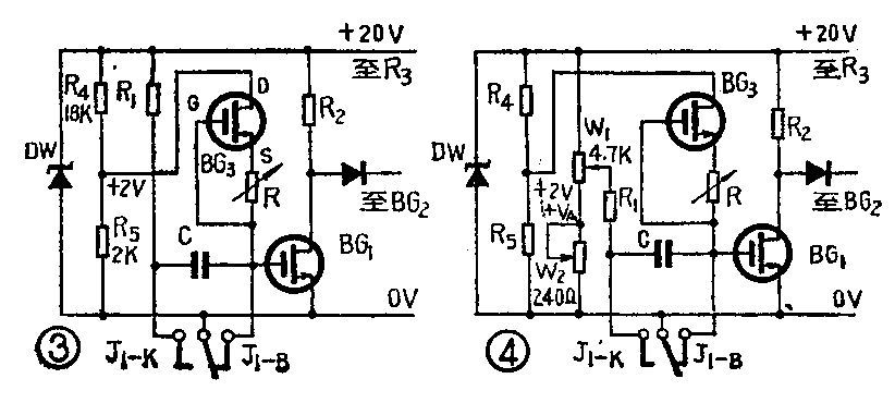
图2电路中的电阻R可用恒流源代替,电路如图3。恒流源的正端D不能象电阻R一样接在+20V处,要接在由R\(_{4}\)和R5组成的分压点上,此点的电压为+2V。因为当图3电路延时启动的瞬间, BG\(_{1}\)的栅极电压VG将下跳到-20V,如果BG\(_{3}\)的漏极D接在+20V处,那么BG3的V\(_{DS}\)将有近40V的电压,BG3就可能被击穿。图3电路改变t\(_{0}\)的方法是改变图中的R值来改变恒流值ID3。其延时时间t\(_{0}\)=(E+V′G)·\(\frac{C}{I}\)\(_{D3}\)。当电路的ID3=10nA,V′\(_{G}\)=-0.5V时,如C=10μf,则其最大延时时间可近20000秒。它的缺点是使用温度范围窄,温度升高时因ID3值增大,t\(_{0}\)会减小,当环境温度为40℃时ID3增大约10%,但因BG\(_{1}\)的IDS处在负温度系数区域内,一定程度地补偿了I\(_{D3}\)增大的影响,所以在40℃时t0的减小不超过7%,一般还可以使用,如果环境温度超过40℃则不宜使用。

此外,图2、图3电路有一个共同的缺点是改变延时时间t\(_{0}\)时要切换高值电阻,不能对t0进行平滑调整。图4的方法可以较方便地解决这个问题。它是采用带指针的多圈螺旋电位器,连续改变电容器C左端充电电压V\(_{C}\)值的方法来改变t0的。V\(_{C}\)的数值可以由电位器W1连续改变,所以t\(_{0}\)可以连续调整。电位器W2是为了校正W\(_{1}\)指针指示值与t0的偏差而设置的,因为继电器的释放动作点电压V′\(_{G}\)不恰巧为零伏而是负零点几伏,必须在W1的“0”点上接以+V\(_{A}\)的偏压校正,t0才与W\(_{1}\)指针的指示值成正比,图4电路的实测值是VA=0.2V。
为解决温度稳定性差的问题,可采用图5的补偿方式:在W\(_{1}\)上端接入热敏电阻Rt进行温度补偿。当W\(_{1}\)选4.7KΩ时,Rt用25℃时阻值为1.35KΩ、温度系数为-3%左右的热敏电阻,这样W\(_{1}\)上端在25℃时的电压约为16V,40℃时Rt降至800Ω左右,W\(_{1}\)上端的电压将升到17V,这将使t0增大约6.5%,补偿了因恒流值I\(_{D3}\)随温度升高而加大所造成的影响,使用最高温度为45℃。为使用上的方便,可以用改变C值或恒流值ID的方法,将t\(_{0}\)与W1指针的指示值调整为整数对应关系。例如调整I\(_{D}\)=16nA,C=10μf,则W1指针变化与t\(_{0}\)的关系为每格10秒,每圈(100格)1000秒。
图2、3、4电路的优点是结构简单,容易调整。缺点是驱动继电器J\(_{1}\)的三极管BG2的截止过程是渐变的,没有陡变特性。这会造成延时继电器动作点电压漂移较大,并使J\(_{1}\)在释放过程中BG2的功耗增大,在延时时间长时尤其明显。图6的电路多用了一只三极管,由于有R\(_{9}\)的正反馈作用,由BG2、BG\(_{3}\)组成的驱动电路具有良好的陡变特性,可以免除上述缺点。

图6的动作过程是:待启动状态时BG\(_{1}\)的栅极G通过R1、J\(_{1-B}\)接+20V,处于导通状态。此时因R》R1,故电容器C两端电压V\(_{C}\)为20V。按下按钮AN,J1吸合,J\(_{1}\)-B断开、J1-K接通,BG\(_{2}\)的发射极e通过J1-K接+20V。因BG\(_{1}\)仍处于导通状态,所以BG2饱和导通,使BG\(_{3}\)也进入饱和导通状态,维持了继电器J1的吸合。由于J\(_{1-B}\)的断开,C开始通过R放电,BG1的V\(_{G}\)由+20V开始下降,电路进入延时状态。当VG降至动作点V′\(_{G}\)时,BG1的I\(_{DS}\)下降到不足以维持BG2 饱和,由于R\(_{9}\)的正反馈作用,BG2和BG\(_{3}\)迅速截止,继电器J1释放,延时动作完成。电路的延时时间:
t\(_{0}\)=RCln\(\frac{E}{V′}\)G
实际制作中可调整R\(_{5}\)和R6的阻值使V′\(_{G}\)在7.4V附近,则t0≈R·C。当R=500MΩ,C=10μf时t\(_{0}\)约为5000秒。使用温度可达55℃。调整电路时要注意电阻R9的选择,反馈不能过深,否则J\(_{1}\)吸合后将不能释放。
若将图6中的R换为恒流源,如图7,并将V′\(_{G}\)调整在+2V左右,取C=10μf,恒流值ID4=10nA,则最大延时可达18000秒。为补偿恒流源的温度系数,将电容C的一端由0V改接在+20V上,使RC电路变为充电型。
上述电路中的场效应管都可用结型场效应管代替,但用结型管时应考虑到结型管的R\(_{GS}\)较小,为保证延时精度和电路的可靠性,应将动作点的充放电电流加大一个数量级。这样,延时时间实际上难以超过一小时。此外,在用结型管代替绝缘栅型管时,还应注意结型管的栅、源极间当处于正偏时将通导。
制作和调试中应注意事项
1.绝缘栅型场效应管易栅穿,焊接时最好先将场效应管脚彼此短路,焊好后再将短路线拆掉。它的耐电冲击的能力较差,调试时应细心,并注意防止电路中的一些电感元件如继电器绕组等的反峰电压窜入栅极回路。
2.长延时继电器的充放电电流极小,大多在毫微安数量级,充放电电路有关的元、器件引线和接线端子间的绝缘电阻影响很大,如场效应管管脚引线、电容器引线、转换开关、继电器引线端子等要保持清洁。必要时需用无水乙醇清洗、吹干再使用。焊接这一部分电路时绝不能使用焊油。
3.为避免潮湿空气以及外界杂散电磁场、高频信号等噪声干扰影响,装置调试完毕的延时继电器最好先放入80℃的鼓风干燥箱中干燥4小时再放入尽可能密封的屏蔽箱体中,里面放入适量的干燥剂(如硅胶)。
4.场效应管的栅极和与它相连接的其它元器件的接线,最好焊在瓷绝缘的接线端子上。若必须焊在印刷电路板上时,印刷板上的与这部分电路直接有关的连线间距最少也要在5毫米以上。
5.电路中的继电器的输出触点,不能接入24V以上的负荷。如需带动较大负荷时,应使用隔离继电器,并加接触点灭火花元器件。否则将影响电路的正常工作和延时精度。
注2:对长延时电路,延时时间t\(_{0}\)的计算式应乘以系数“K”,K由实验求得。(刘铁城)