LC振荡电路是一种正弦振荡器,在广播、通信、自动控制及遥控设备中都广泛地应用。LC电路的种类很多,但这里我们主要介绍变压器耦合振荡器和三点式振荡器。
一、从变压器耦合振荡器谈起

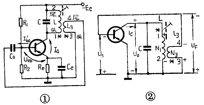
图1所示的是共发射极变压器耦合振荡器的典型电路,其中R\(_{1}\)、R2构成偏置电路。R\(_{1}\)、R2与发射极电阻R\(_{e}\)一起确定振荡管的直流工作点。LC并联电路串在集电极与电源Ec之间,使集电极电流I\(_{c}\)有直流通路,并起到选频作用。线圈L3作为线圈L的次级(L\(_{3}\)与L是绕在同一磁心上), L3将LC谐振回路的交流能量经C\(_{o}\)返送到管子基极。Co在这里是防止基极直流电压被L\(_{3}\)短路,起隔直流作用。电容Ce使发射极高频接地,不致因R\(_{e}\)存在而产生交流负反馈。
为了便于讨论,可将C\(_{o}\)、Ce看作交流短路,电源E\(_{c}\)看作内阻为零的理想电源,即Ec负端就是交流地电位,于是可将图1典型电路画成图2所示的简单交流电路。可以设想在电源E\(_{c}\)接通的瞬间,电阻R1和R\(_{2}\)给振荡管偏置电路一个小的起始偏流,即从零跳变到Ibo,同时产生I\(_{co}\),这种集电极电流的跳变给LC回路以能量,激起LC回路振荡。在振荡电流中包含着极多的频率成分,但只有当频率和LC回路本身的固有频率相同的那个电流,才能在回路两端产生较高的电压。所以LC并联谐振回路具有很好的选频特性。这个被选出来的高频电流,通过L和L3的耦合反馈到晶体管基极,如果L\(_{3}\)的绕法正确,可使反馈电压UF恰好与集电极输出电压U\(_{o}\)的相位差为180°,同时由于反馈电压就是共发射极电路的输入电压,即UF=U\(_{S}\)。通过晶体管放大,负载LC回路在f=fo=1/2π\(\sqrt{LC}\)时阻抗为纯电阻,集电极输出电压与基极输入电压相位差为180°,则总的相位差180°+180°=360°。即反馈电压U\(_{F}\)经过放大后它与LC回路电压相位相同,满足正反馈条件。因此,这种起始振荡虽然微小,但是依靠电路正反馈的作用,却可助长振荡增长。这样经过正反馈—→放大—→再反馈—→再放大的循环,信号便不断增大,振荡也就由小到大地逐渐加强起来了。
从以上讨论可知,产生振荡必须具备的两个基本条件:(一)相位条件:就是反馈必须是正反馈,即反馈信号与输入信号(电压或电流)要同相位,它们之间的相位差应为:或·360°(n=1、2……)。(二)振辐条件:正反馈电压必须足够大,即反馈信号U\(_{F}\)应该大于或等于输入信号UF>U\(_{S}\)。用β表示反馈系数,β=UF/U\(_{o}\),并用K表示无反馈时放大器的电压放大系数,K=Uo/U\(_{S}\),那么反馈信号UF=βU\(_{o}\)=β·K·US,这样振幅条件可改写成K·β·U\(_{S}\)≥US则Kβ≥1。
振荡器起振后,振荡会不会无限制地增长下去呢?不会的,因为晶体管的特性曲线并不都是直线性的,由于正反馈信号不断增长时,必然会使管子的工作点进入非线性区域,于是放大器的放大倍数会随着信号增强而减小,从而使振荡的增长受到限制,最后获得稳定的等幅振荡。

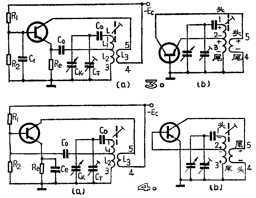
变压器耦合振荡器在超外差式收音机里是经常用到的。图3、图4为常用的收音机本振电路。为了使本振频率有一定的复盖范围和统调,振荡回路内并入了可变电容器C\(_{K}\)和微调电容CT,还串入一个固定电容C\(_{D}\)。图3a电路中基极是输入回路与输出回路的公共端,又振荡回路接在基极与发射极之间,因此称此电路为共基调发电路。其中LC回路通过Co耦合到发射极,基极则通过C\(_{1}\)交流接地,这样交流等效电路可画成如图3b所示。此电路满足相位平衡条件。
图4a所示电路叫共发调基电路,它的交流等效电路见图4b所示。这种电路的输入电压相位与放大后输出电压相位正好相反,又L线圈3端与5端是同名端,因此图4a电路仍然满足正反馈的条件,电路起振不成问题。
图3、图4这两种电路的共同特点是它的振荡回路不是接在集电极和发射极之间,而是接在基极和发射极之间,而且初级线圈L均采用抽头线圈,这是为了减少晶体管输入端对LC谐振回路的影响,使电路易于起振。因为LC并联回路的谐振阻抗很高,一般在几十千欧以上,而晶体管电路的输入阻抗较低,一般只有几千欧,如果将LC并联回路直接跨到管子输入端b-e间,则由于低阻的输入阻抗并联到LC回路上,将使回路谐振阻抗大大降低,回路Q值大大下降,造成电路不易起振、振荡波形变差、振荡幅度减小。所以在晶体管振荡电路中,其LC并联回路总是采取抽头接入的,只将线圈L的一小部分L\(_{2}\)并接到管子输入端。
变压器耦合振荡器在通常情况下只要电路正确,元件没有损坏,特别是注意反馈线圈的极性不接错,电路是比较容易起振的。但此种电路的振荡频率较低,一般用在几十千赫~几兆赫范围内。若要求振荡频率更高,则多用三点式振荡回路。
二、三点式振荡器
三点式振荡器是指LC振荡回路引出的三个端点,就交流而言分别与晶体管的三个电极相连的电路。根据电路结构形式,三点式振荡器可分为电感三点式和电容三点式。

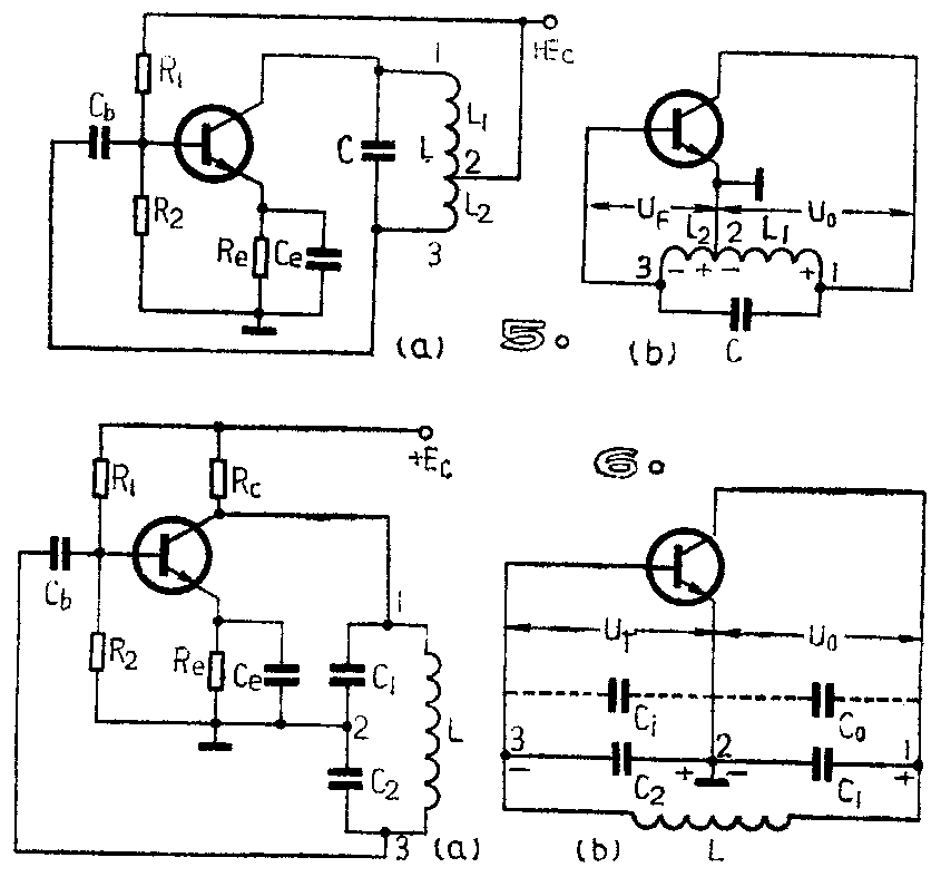
图5a为电感三点式振荡器,电感L采取抽头线圈。现来看看LC振荡回路的三个端点如何与晶体管的三个电极相连。LC回路的1端直接与集电极相连。2端接电源后相当于交流接地,在振荡频率上C\(_{e}\)可看作短路,因此晶体管发射极等于交流接地,那么2端就相当于接发射极。3端与Cb相连,而C\(_{b}\)在振荡频率上也可看作短路,因此3端接基极。图5a的交流等效电路见图5b。显然Uo为输出电压,U\(_{F}\)为反馈电压。可假设某一瞬时回路振荡电压极性是1端为+,3端为-。2~3端电压是1~3端电压的一部分,所以2端为+,3端为-。线圈L2是反馈线圈,它将反馈电压U\(_{F}\)加到基极与发射极之间,使发射结加有反向偏置,ic将减小,相当于i\(_{c}\)以相反方向在线圈L1内流动。对谐振频率而言,谐振回路阻抗为纯电阻,电流与电压同相,故反方向的i\(_{c}\)在L1上产生的电压降也是1端为正,3端为负。这与原来假设的回路振荡电压同相,使振荡加强,补偿了回路的能量损失,从而振荡能维持下去。此电路中反馈电压U\(_{F}\)的大小可以用抽头圈数的多少来控制的。理论和实践均证明当L2L\(_{1}\)=(1;3~\(\frac{1}{5}\))时,电路就能满足振幅条件Kβ≥1,在1;3~\(\frac{1}{5}\)的范围内,通过实验选一合适的值,可保证振荡情况较好。此电路的振荡频率基本上取决于线圈总电感(L1+L\(_{2}\))和电容C,在忽略晶体管参数对振荡频率的影响条件下,计算频率的公式可近似为
f≈1/2π\(\sqrt{LC}\)。
电感三点式振荡器结构简单,只要反馈线圈L\(_{2}\)选取合适,电路很易起振,振荡幅度也较大,其振荡频率一般可做到几十兆赫。如果将C换成可变电容器,则振荡频率就连续可调。由于UF取自L\(_{2}\)两端,L2对高次谐波呈现较大阻抗,故不能将高次谐波短路掉,输出波形中含高次谐波就较多,因此波形较差。
图6a为电容三点式振荡器,电感L不再抽头而是采用电容分压。由于此电路中电容C\(_{e}\)和Cb在振荡频率上可以看作短路,振荡回路的3端与基极相连。2端接地(即与发射极相连),1端直接与集电极相连。这样可画出交流等效电路图,如图6b所示。与上述电感三端振荡电路的分析相似,此电路满足相位平衡条件,能产生振荡。至于反馈量的大小可控制比值C\(_{1}\)/C2。振荡频率取决于总电容C=\(\frac{C}{_{1}}\)C2C\(_{1}\)+C2和电感L,计算公式同前。这种电路亦易起振,且由于U\(_{F}\)取自C2两端,而C\(_{2}\)对高次谐波阻抗很小,可将高次谐波短路掉,故振荡输出波形中含高次谐波较少,从而输出波形较好。振荡频率一般可做到一百兆赫以上,但频率不易调节,因为电容量的改变会影响分压比C1/C\(_{2}\)的变化,影响到反馈量,也就影响到振荡器的起振条件,所以调节范围很小,不适宜用它来构成要求频率变化很宽的振荡器。
三点式振荡器一般用于较高频率的振荡,而且它们的振荡回路都直接与晶体管电极连接,因而晶体管参数(譬如输入、输出电容等)对LC回路会有较大的影响,尤其电容三点式振荡器,工作频率更高,晶体管参数的影响就更大,为了减小这一影响,并使回路便于调节,实际常用改进型的三点式振荡电路。

在图6b等效电路中可以看到,晶体管输入电容C\(_{i}\)和输出电容Co实际上是并联在回路电容C\(_{2}\)和C1两端的,因此应算作回路电容的一部分,它会影响到振荡频率及反馈量的大小。振荡频率越高,要求C\(_{1}\)、C2越小,相对C\(_{o}\)、Ci的影响就越大。显然,要减小C\(_{o}\)、Ci的并联作用,只有加大C\(_{1}\)、C2,但从计算公式f=1/2π\(\sqrt{LC}\)可知,在一定的振荡频率下,C\(_{1}\)、C2用得太大,要求电感L就很小,线圈制作上又很难解决,怎么办?目前常用的有两种办法可以较好地解决这个矛盾,这就是所谓改进型的电容三点式电路或“克拉泼”电路。图7所示为常见的一种,与原始型图6a不同的是LC回路中串入了小电容C\(_{3}\),线圈L两端并联了小电容C4。在振荡频率已定的情况下,C\(_{1}\)、C2就可选得较大,这就使C\(_{o}\)、Ci的影响大为减小。又由于L并联了微调小电容,使频率的微调比较方便了。这种改进型电路常称为并联型电容三点式,还有一种是串联型电容三点式,与图7并联型不同的仅是L两端没有并联电容C\(_{4}\)、频率微调则依靠调节L的磁心来达到,电视机高频头中的本振电路多用此种电路。(金方)