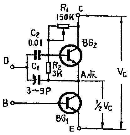
问:在晶体管电视机的视放末级,需要一只BV\(_{ceo}\)>100伏的硅三极管,能不能想办法用低反压硅三极管代替?

答:可以用两只BV\(_{ceo}\)>50伏的硅三极管,按照共集电极电路和共发射极电路串联的办法来代替(如图所示)。为了安装方便,可将所用元件及管子装在一块胶木板上,从另一面引出C、B、E和地线D四根接线,直接焊到视放末级电路中去,原电路中的电阻、电容都不必更动。BG1的基极为串联组件的基极;BG\(_{1}\)的发射极为串联组件的发射极;BG2的集电极为串联组件的发射极。
代用硅三极管,只要BV\(_{ceo}\)>50伏,β>20,截止频率fT>20MH\(_{Z}\)的中功率NPN型晶体管均可选用。调试时,在串联组件未接入视放电路之前,将150K偏流电阻R1先调在中间值,接入电路后,再微调R\(_{1}\)并用万用表直流电压档监测A点电压,使之等于C点电压的一半即可。收看节目时再微调C1,以提高图象的清晰度和对比度。(张祥霖)
问:有一台23厘米晶体管电视机的场扫描输出管,原采用BV\(_{ceo}\)≥50伏的大功率的锗管3AD30C,能不能在不更改原线路的前提下,用BVceo≥50伏的大功率硅管来代替?

答:实践证明是可以的。用一只3AX31和一只硅大功率管3DD12组成复合管,如图所示,不需要更改电视机原来的线路,就可直接替换3AD30工作。修理时只要拆下损坏的3AD30C,在原有散热片的安装孔上装上3DD12或3DD15,然后按照图示接入一只3AX31即可。也可以采用DD01、DD02等其他型号的大功率硅管,效果与3DD12相同。如果采用DD01等其他类型的管子,则需要根据不同管子的外型来改动散热片的安装孔,或者另做一块散热片。由于采用了复合管的接法,β\(_{复}\)=β1·β\(_{2}\)每管的β值都不需很大,所以,只要选用β值为40~60的3AX31与β值为10~50的3DD12(3DD15)就可满意地工作。原电路换上复合管后,只需要调整一下场幅度与场线性电位器即可正常收看。(陈锡仪)
问:SZP到中频变压器的初级,有的是1~2端圈数少(底视图)、2~3端圈数多,有的是1~2端圈多、2~3端圈数少,这是为什么?如何使用?

答:SZP型中频变压器分旧标准和新标准两种。旧标准引出脚上的号码是反时针方向排列的(见图1),后来新标准改为图2的形式(为了与旧的印刷电路板通用,也有的新标准的中频变压器,内部引出头的相对位置没有变)。所以同型号的中频变压器有两种出腿标志。但是在使用时,不管是哪一种形式,电源和集电极多数是接在圈数少的一段,因为这样做不仅机器工作稳定,而且增益也够用。(文尚)
问:有一部天津产的500瓦扩音机,它的前级交连电容器(0.05微法)漏电引起失真,我换上了一只新纸介电容器,音质好听了,但出现了交流声,这是什么原因?
答:可能是电容器接反了,将纸介电容标有一道黑圈的外金属极一端接到了栅极,这样电容器外金属极感应到的杂散交流干扰信号就可能直接串到栅极,加之天津500瓦扩音机前级又装在电源整流层的上面,层间无金属板隔离,电容器外金属极就更容易受到电源50赫交变电磁场的干扰。
排除方法:①将交连电容器方向改变一下,使外层金属极接上一级电子管屏极,内层接下一级的栅极。这时电容器外金属极感应到的交流干扰信号,受到阻抗Z\(_{c}\)=1;2π×50×0.05×10\(^{-}\)6≈64千欧的衰减,就可以基本消除交流声;②将电容器外层裹一层锡箔屏蔽起来,并将锡箔接机壳,效果将更好。(吴绪义)
问:手头上有一只490微微法空气双联,能否和LT101S及LT104B线圈配合,装制电子管收音机?
答:LT型线圈,本来是为配合365微微法空气双联而设计的。原说明书线路图上,中波波段垫整电容用470微微法,如果改用490微微法的双联,垫整电容可改为600微微法。
因为是磁心线圈,调整时可以把磁心转出一点,改变电感量L使其与双联配合就可以了。还有一个办法,就是把双联动拆去两片或三片。拆片子时要小心,不能把要保留的片子弄歪或弄坏。(方锡)