提起硅稳压管,人们常常会联想到稳压电源。其实硅稳压管的应用远超过“稳压”这个范围,它可以在电路中起多种作用,大致归纳为恒压源、非线性电阻和可变电容三类,分别工作于图1所示的伏安特性的BC段、OC段和OB段。

稳压管大量地用作恒压源,图2是它的基本电路。高于稳定电压的直流电源加在稳压管的串联电路上,从稳压管两端便得到电压基本恒定的直流电压。这是因为稳压管在较高的电压下被反向击穿,工作于伏安特性的BC段,其动态电阻很小,所以电流变化所引起的稳压管电压变化就很小,近似于一个恒压源。电路中要注意稳压管的极性,使管子工作于反向接法,即负极接电源正端,正极接电源负端,否则输出电压很低。此外,串联电阻是不可缺少的,它承受输入电压与输出电压之差,并限制稳压管的电流在允许的最大工作电流范围之内。当在稳压管上并联负载后电流被分流,为使电压维持不变,必须使在最大负载电流时流过稳压管的电流大于或等于稳定电流。因此限流电阻R必须满足下式:
式中:U\(_{sr}\)为电源电压、UZ为稳定电压、I\(_{ZM}\)为最大工作电流、IZ为稳定电流、I\(_{fZM}\)为最大负载电流。同时可得出稳压管允许输出的最大负载电流为:IfZM=I\(_{ZM}\)-IZ,因此稳压管一经选定,其允许输出的最大电流也就确定了。欲提高稳压管输出的负载能力,可增大I\(_{ZM}\),即选用耗散功率较大的稳压管,或者采用晶体管射极跟随器,如图3所示,此时最大负载电流为IfZM=(1+β)·(I\(_{ZM}\)-IZ),式中β为晶体管共发射极静态放大倍数,由此可见负载能力提高了β倍。还要注意,稳压管的稳压值受温度变化影响较大。例如,稳压值为8伏的2CW15管子,温度系数为+7×10\(^{-}\)4/℃,当环境温度升高40℃时,稳压值可以增加0.22伏,因此有时要考虑温度补偿。一般稳压值6伏以上的管子,温度系数为正;6伏以下的管子,温度系数为负;6伏左右的,温度系数接近于零。

稳压管在反向击穿前两端虽有电压,但仅有很小的反向漏电流,一般小于0.1~0.5微安。如反向电压为1伏,电流为0.1微安,则静态电阻高达10兆欧,即相当于一个10兆欧的电阻。稳压管反向击穿后,电流明显增大,电压却增加甚微,静态电阻变小。如稳定电压为10伏,稳定电流为10毫安,则静态电阻为1千欧,即相当于一个1千欧的电阻。稳压管击穿前后其静态电阻有了很大的变化,也就是说,可以把稳压管看成是一个典型的非线性电阻。
稳压管具有一个P—N结,P—N结存在结电容,电容量随两端反向电压而变化,反向电压越大,结电容越小。稳压管反向击穿后结电容便不再变化。稳压管一般具有约2~5百微微法的起始电容,电容变化范围在3倍左右,其品质因素要比一般二极管高,但变化范围比变容二极管小。因此,稳压管可作为变容二极管用于广播收音机的调谐电路或自动频率微调电路等场合。
下面,我们扼要介绍一些稳压管的具体用途。
1.用于并联型稳压电源
图2和图3所示的电路就是并联型稳压电源的基本电路,一般在负载电流较小、输出电压固定时采用。
2.用于串联型稳压电源
在负载电流很大或输出电压需要连续调节时,常采用串联型稳压电源。串联型稳压电源的基本电路见图4。图中硅稳压管作为恒压源,用作基准信号,它与来自输出电压的取样信号比较,由放大器BG\(_{1}\)放大并通过调整管BG3使输出电压稳定。注意,恒压源是接在电压稳定的输出端而不是接在电压波动的输入端,这样可以提高基准信号的稳定性并减少纹波的影响,从而提高稳压性能。
3.用作分压器

采用多个稳压管串联的恒压源,由各稳压管可取出不同的分压值,构成分压器(如图5a)。它与电阻分压器相比具有输出电压稳定的优点,由分压器分流所造成的功率损失也较小。图5b采用双向稳压管用作交流分压,这种稳压器常用于电压定标,这时应小心选择稳压管。
4.用于晶体管直流偏置

晶体管放大器静态工作点的稳定,常常影响到放大器的工作性能。图6采用恒压源作为偏置电路的电源,可以减少电源电压变化对静态工作点的影响,使放大器在电源电压降低时仍保持较高的增益。稳定电压低于5伏的管子,具有负的电压温度系数,当温度升高时电压降低,基极电流减小。恰好用来补偿晶体管电流的增加,提高放大器静态工作点的温度稳定性。在多级放大器中,恒压源可以共用。
5.用于放大器退耦
退耦电路用来从电源上隔离放大器的前后级,防止后级(尤其是功率输出级)通过电源(由于存在电流内阻)对前级造成不应有的耦合,引起自激振荡。退耦电路通常为阻容低通滤波电路,恒压源也可用作退耦电路。如图2电路中的稳压管就兼有稳压和退耦作用,且与信号频率无关,适用于低频放大器。它的缺点是电压降低较多,功耗也较大。
6.用于放大器耦合
直接耦合放大器具有较高的增益,能放大频率极低的信号以至直流信号,但它前后级的直流电平较难配合,采用稳压管作级间耦合能合理解决这一问题。图7画出了多级直接耦合放大器的中间一级,其中有二个稳压管。一个稳压管串联于晶体管的发射极,用以提高射极电平,另一个串联于前级输出与后级输入之间,用来降低输出电平。选择合适的稳压管可以使输入输出电平相等,以满足前后级级联的要求。由于两个稳压管都工作于伏安特性的BC段,此时动态电阻很小,几乎可以无衰减地传递信号。
7.用于放大器限幅
把图2电路接在放大器输出端,便能限制输出电压的幅值。当输出电压小于稳压管击穿电压时,其静态电阻极大,不影响放大器的输出;当输出电压大于稳压管的击穿电压时,其静态电阻急剧减小,放大器输出被旁路,输出电压不超过稳压管的击穿电压。

运算放大器的限幅,可采用图8电路。稳压管并联在反馈电阻R\(_{f}\)上。当输出电压较小时稳压管静态电阻极大,电压增益由Rf与输入电阻R\(_{sr}\)的比值决定;当输出电压大于稳压管的击穿电压时,其静态电阻减小使总的反馈电阻值大大减小,放大器电压增益相应降低,输出电压被限幅。
8.用于脉冲限幅

硅稳压管可用于脉冲限幅,其基本电路和输入、输出波形见图9。图中a、b、c是串联限幅器,d、e、f是并联限幅器。串联限幅器的输出电压波形是输入电压波形中高于稳压管击穿电压的部分,它可用来抑制干扰脉冲,提高电路的抗干扰能力,还能用作鉴幅器,以鉴别信号的幅值。并联限幅器的输出电压波形是输入波形中低于击穿电压的部分,它可用来整形和稳定输出波形的幅值,还能从输入的正弦波电压中形成近似的方波电压,或是从全波整流后的双半波中得到梯形波电压。这种梯形波电压广泛用于采用单结晶体管的可控硅触发电路,作为同步电源。
9.用于电平转移

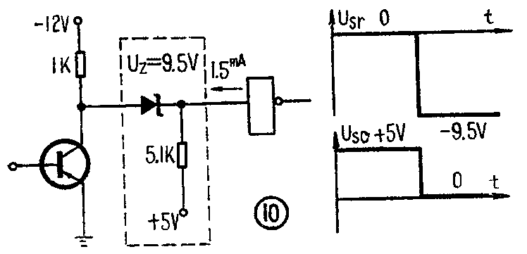
在数字逻辑电路中,由不同导电类型(P—N—P和N—P—N)的晶体管组成的分立元件电路和不同种类的数字集成电路,它们的信号电平往往具有不同的幅值和极性,当它们相互连接时一般都需要加入一个电平转移电路。如果前级输出电平大于后级输入电平且极性相同,通常采用串联或并联限幅器。若前后级信号电平极性相反,则电平转移电路可以具有如图10所示的形式。图中虚线框内的稳压管和一个电阻组成电平转移电路,它把电信号电平从0~-9.5伏变换成+5伏~0,从而可与TTL集成电路相连接。从波形图中可看出,通过电平转移电路后信号波形不变,但电平向上移动了一个稳压管的击穿电压值。其中信号幅值可以根据后级电路的要求而变化,但只能减小,不能增大。
10.用于过电压保护

来自电源的过电压可以采用稳压管保护。图11a、图11b是直流电源过电压保护电路,图11c是交流电源过电压保护电路。正常情况下电源电压低于稳压管的击穿电压,稳压管反向电阻很大。当电源过电压时稳压管击穿,静态电阻减小、电流增大、电压受到限制。
11.用于扩展直流电压表的量程

当用较小量程的直流电压表大致测量较大电压时,可利用串联稳压管分压的原理扩展电压表的量程,如图12a所示。电压表指示的是被测电压与稳定电压之差,而稳压管稳定电压是已知的,因而就测出了被测电压。用串联稳压管来扩展量程,可以保持原来的指示灵敏度,但不能用于低于稳定电压的测量。采用图12b所示电路,利用单刀多掷开关切换串联的稳压管数,则可弥补上述不足。
12.用于函数发生器

在模拟装置中,常使用输出电压与输入电压成非线性函数关系的函数发生器。采用稳压管可组成图13a所示的函数发生器。选择适当的稳压管和电阻,使得当输入电压小于U\(_{x1}\)时输出电压较低,稳压管都呈高电阻,运算放大器的反馈电阻为R1,电压增益较大;当输入电压达到U\(_{x1}\)时稳压管Dw1击穿,反馈电阻R\(_{1}\)上并联了R2支路使增益减小;当输入达到U\(_{x2}\)时Dw2击穿,反馈电阻又并联上R\(_{3}\)支路使增益再次减小;当输入达到Ux3时D\(_{w3}\)击穿,反馈电阻又并联上R4支路使增益进一步减小,由此可以获得图13b所示的斜率渐降的非线性函数关系。需要指出,由于稳压管的击穿存在一个连续的转折过程,从而使增益的变化比较平滑,比折线更接近于所要求的曲线。
13.用于调幅信号检波

利用稳压管反向伏安特性具有明显转折的特点可以作为调幅信号的检波管。稳压管伏安特性的转折一般要比二极管明显,转折后动态电阻较小、线性度较高,因此采用稳压管检波效率较高、失真较小。图14是稳压管检波电路原理图,图中稳压管上加有反向偏置电压,使其处于击穿点。为了减小负偏压电路对信号的旁路,在负偏压电路中串联了兆欧级电阻。为了防止检波负载对负偏压的分流,采用隔直电容耦合检波负载。稳压管检波电路可用于超外差收音机中,但自动增益信号不易获得。
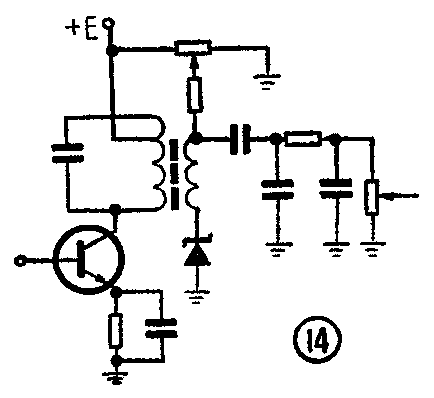
14.用于调谐回路

利用硅稳压管具有可变结电容的特性可以构成频率可谓的谐振回路,图15为其原理图。稳压管接有可谓的负偏压,并通过隔直电容与电感线圈相连,组成谐振回路。改变稳压管的负偏压即改变结电容,可以改变电路的谐振频率(负偏压较小时,可能影响振荡幅值)。电容改变3倍,谐振频率变化\(\sqrt{3}\)倍。隔直电容必须比结电容大得多,以避免缩小调谐范围。在负偏压电路中必须串联高阻值电阻,或者串联电感线圈与几百千欧的电阻,以防止交流旁路或产生寄生振荡。(许慕中)
