在一些单位中,由于工作需要,甲、乙双方要互相发出联系信号,比如,在使用电梯运货物时,当甲方装好货物后,就发出联系信号通知乙方,等乙方给甲方一个回答信号后,甲方工人启动电梯,将货物运到乙方。乙方收到货物后给甲方发一信号,通知甲方再次启动电梯,使它返回到原处。联系的方法很多,我们这里给大家介绍一种用声、光显示作为联系信号的方法。声、光信号由声光信号器给出,把声光信号器分别安装在甲、乙两处,并用一导线将它们连接起来。
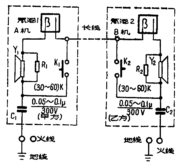
声光信号器的具体电路见图1。A、B机分别安置在甲、乙处,A、B机结构相同。当甲方给乙方发信号时,只需按下按钮开关K\(_{1}\),这时220伏市电经地线、C1、K\(_{1}\)、外连接导线、氖泡2、Y2、C\(_{2}\)回到220伏市电的火线端。因氖泡2上的电压已超过它的起辉电压,氖泡2亮,喇叭Y2有交流声,说明乙方已收到甲方信号。同理,乙方发信号结甲方时,A机的喇叭也响、氖泡1也亮。

图中,氖泡1、氖泡2的起辉电压大于等于130伏,可用两只起辉电压为60~80伏的氖泡串联起来代替。Y\(_{1}\)、Y2用泡沫压电扬声器,若用高阻舌簧扬声器代用时,可将R\(_{1}\)、R2省去。C\(_{1}\)、C2用纸介金属膜电容或纸介油浸电容,它们的容量大小决定着氖泡的亮度和喇叭的音量,可在0.05~0.1μF之间选取,耐压大于300伏。开关K\(_{1}\)、K2为按钮式开关也可以用CAN—1单刀按钮开关。
安装时,若将C\(_{1}\)的一端接入市电220伏的地线,则C2的一端应接市电的火线端,若C\(_{1}\)接市电的火线端,则C2应接市电的地端,但不可都装在地线或火线端。若不知地线或火线时,可先将C\(_{1}\)、C2随意插入本方的电源插座上,如果按K\(_{1}\)或K2时,对方没有声光信号,只要将其中一方的插头反接即可。(王本轩)