1.小李作半波整流实验的电路见图1,合上开关时,测得变压器次级绕组交流电压为8伏;接入二极管D后,测得直流电压U\(_{AB}\)=3.3伏;接上电阻、电容以后如图2所示,测得直流电压UA1B1约为11伏,他感到奇怪,你能解释这种现象吗?

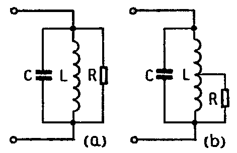
2.图a、b所示的两个振荡电路,哪一个振荡回路的Q值高些?

上期“想想看”答案
1.在这个电路中,当K接通或断开时,LC回路中的电流的频率是不相同的。当K闭合时,信号加到LC回路,LC回路处于强制振荡状态,所以LC回路电流的频率为f\(_{1}\),即35兆赫。如果此时将开关K断开,那么由于LC回路已从信号源得到了能量,这个能量在回路的L、C两个元件上转换,一会儿电容C充电,能量转到C上,一会儿电容C又通过L放电,能量又转到L上,这种能量转换的周期完全取决于LC的时间常数。因此,LC回路处于自由振荡状态,这个振荡电流的频率就是LC回路的固有谐振fo,为30兆赫。(王德源)
2.在分析下面电路图时,假设小灯泡直接并联在电源两端如图1中的第3只灯泡(从左向右排列)或者小灯泡与电阻R并联后再并联在电源两端如图1中的第1只灯泡电路,我们都认为小灯泡处于“亮”的状态。若小灯泡与电阻串联后再接在电源两端,如图1中的第2灯泡电路,我们认为小灯泡处于“次亮”状态。若象图1中第4只灯泡被短路了,则灯泡处于“不亮”状态。根据这些原则,电路中各灯泡的状态如下表。(张开逊)
