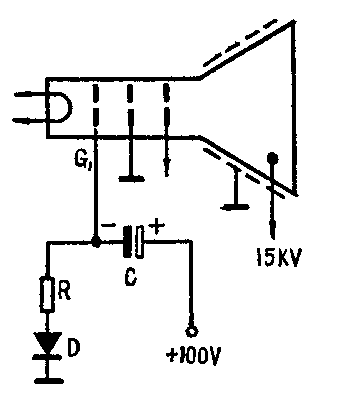
问:按北京牌840-1型线路自装一台电视机,原线路高压整流为一次升压电路,当改为二倍压电路后,关机时出现了亮点,这是怎么回事?怎样消除?
答:这是因为倍压电路的电容及分布电容和显象管阳极与石墨层之间形成的电容相并联,增加了高压滤波电容的容量,使之存储的电荷增加,同时高压放电回路的阻抗也变大了,关机后,电荷在行、场扫描结束前来不及泄放掉,原来的消亮点电路作用不够,所以出现了亮点。

可用在关机后给显象管控制栅上加负压的办法来解决,如图所示。正常工作时,100伏给C充电,D导通,G\(_{1}\)上的电压接近零伏,不影响正常工作。关机后,C上充电形成的负压加给G1,使D截止。当C取10μ/160V,R取100K时,关机瞬间G\(_{1}\)上的电压为负70伏左右,并能保持几分钟以上。实践证明,采用这个方法是行之有效的。(方明)
问:有一台孔雀牌KQ-23型电视机,无图也无声,经检查发现预视放BG\(_{4}\)基极与发射极电压从正常的5.7伏、5.1伏分别下降到3.7伏、3.2伏;中放AGC电压从正常的3伏上升到5伏,而预视放及AGC电路各元件均正常,这是什么缘故?
答:对于元件无损坏而预视放电位下降,中放AGC电压上升的电视机来说,出现无图无声故障的原因很可能是中放自激引起的。对于这种故障,在无扫频仪的情况下,可用短路三中放的次级并用万用表测量预视放基极或发射极电位的方法来判别。短路三中放次级后,如果预视放的基极或发射极的电位恢复正常,则说明中放存在自激。这是因为中放自激时,数伏的交流强信号使检波二极管处于负向整流的状态,其平均负电压叠加到基极上,使U\(_{b}\)下降。UE的下降是由于预视放b\(_{e}\)结跟随的结果。UE下降后,使B\(_{G6}\)的Ube由反偏变为正偏,从而使BG\(_{6}\)导通,BG6的发射极由1R37、1R38组成的5伏分压加至中放级,造成整机无图无声。利用短路法观察预视放能否恢复直流电位是判别中放自激的一个简单而准确的方法。中放产生自激一般是由于中周失调、中放管参量和回路元件发生变化等原因造成,应逐一加以排除。(晓慧)
问:检修春雷504型收音机时,测量BG\(_{1}\)管的集电极电流、集电极电压均正常,只是基极对地负压小于发射极对地负压,什么原因?这对收音机性能有没有影响?怎样把基极负压调上去?
答:这是一个管子兼作本振、混频的电路。本振电路工作时,基极对地负压小于发射极负压是正常现象。因为要使本振电路起振,必须使本振线圈抽头2和接地头3间的正反馈电压通过C\(_{4}\)加到管子输入端b-e间。随着振荡加强,这一正反馈电压愈来愈大,其直流成分(平均电流)I'bo也随之增大,如图示方向。 I'\(_{bo}\)流经R2、R\(_{3}\)并产生压降,使基极电位升高、发射极电位降低,其极性正好与原来静态时所加的发射结正向偏压Vebo相反,并抵消V\(_{ebo}\),所以使管子工作点从原来调好的甲类状态向甲乙类或乙类状态偏移。振荡越强,工作点偏移越大,最后使管子工作进入非线性区。也正因为这种自给(反向)偏压的作用,才限制了振荡幅度无限制地增长,最后达到动态平衡。因而在本振电路工作正常的情况下量基极对地负压总是小于发射极对地负压的,只有设法使本振停振(脱开耦合电容C4),才能真正量得静态时的V\(_{ebo}\),这时基极电位就比发射极电位低了。(金国钧)

问: 在常用的五、六灯电子管收音机上,换接一只8欧扬声器,输出变压器是否需要改绕?若有一只16×16毫米\(^{2}\)的铁心,怎样绕成线包?
答:早期生产的普通电子管收音机,扬声器的阻抗有不少是3.5~4欧,若换用8欧扬声器,屏极端就不是最佳的负载阻抗,输出功率减小,失真增加。为了使6P1恢复最佳负载阻抗,应将输出变压器次级圈数增加到原来的1.5倍。例如:已知原来次级圈数为80圈,则可不动原来线包,在线包外面顺原来方向再增绕40圈。如果想按16×16毫米\(^{2}\)的铁心重新绕制,线包的数据如下: 初级2800圈,线径φ0.11毫米;次级120圈,线径φ0.47毫米。铁心顺插,空隙用厚度为0.06毫米的电话纸一层充填。 (文尚)
问:我单位有一台飞跃R150—1型电子管扩音机,想测试一下四只功放管的静态屏流,请问用什么办法?
答:可以在无信号输入时,用万用表直流电压档分别测试功放管四个屏极电阻(R\(_{39}\)、R40、R\(_{41}\)、R42)上的电压降,除以屏极电阻的阻值,即可求出每只功放管静态屏流的大小。应该十分注意的是:四只屏极电阻对地都带高压,用表笔测量它两端的电压时,表笔任何一端都不要碰机壳,以防止高压对地短路,并应切实注意人身安全,不要触电。(翟华)