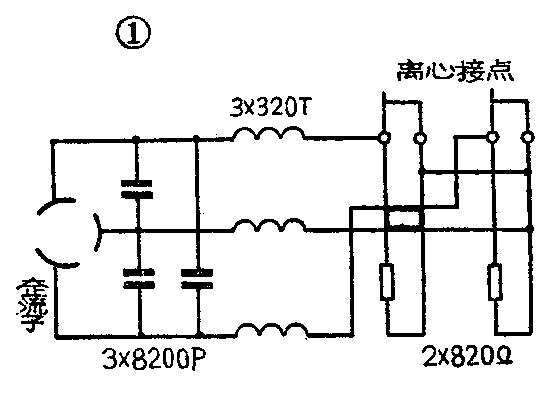
电唱机中用的直流微型电机常见故障有: 电动机不转;转速不稳,时快时慢;运转当中有死点;工作电流太大;转速太快等。对于机械稳速式唱机(例如东方红69—1、葵花DC-2、长白山71-2等型号)来说,电机的故障多出在稳速架、整流子等处;电子稳速式(例如701型)的故障多出现在整流子和电子稳速板。这两种电机的一些参考数据见附表。

1、电动机不转:对于机械稳速电机来说,多数是离心开关接触不良,转子断线或短路,长期不用整流子表面形成氧化膜,使碳刷和整流子之间接触不良。可将万用表电流档串联于电机电路中,如果没有电流指示,或是当用手转动电机时电流时有时无,可拆开电机,检查碳刷是否完好,并测量三组线圈的直流电阻,看是否在18欧左右,并比较三组线圈是否平衡。如果发现某组线圈不通,就可能是那一组的离心开关接点未接触好。用金相砂纸或鹿皮打光即可。转子修好后,应对准原来做的记号重新装好。上紧三个固定螺丝钉时要试着紧,使电流消耗减小到要求值。

对于电子稳速电机来说,故障多出在电子稳速板,或者是转子断线、短路,碳刷接触不良等。可先不忙于拆电机,先用万用表检查线圈直流电阻是否正常,再测量电子稳速板电压是否正常(正常值为4伏左右)。判断出故障点后对症修好即可。
2.转速不稳,时快时慢:机械稳速式电机的故障可能是:①三个绕组不均匀,圈数不一致。这种情况用万用表测不出来,应该用万用电桥测试。如发现绕组不均匀,应重绕,但重绕很麻烦,所以一定要细心检查,排除其它损坏原因后,再考虑是否重绕。②离心开关接点松动,电机旋转时发生振动,接点位置发生变化。可用尖咀钳把动接点架丝扣处稍微往紧的方向捏一捏,直到螺丝钉不松动为止,然后调好转速并用漆封牢即可。③碳刷片弹力减弱,造成碳刷对整流子压力不足。可用尖咀钳或镊子把碳刷片往主轴方向调一下,使其增加压力。
对于电子稳速电机来说,其故障原因可能含油轴承松动,连轴一起转动,应重新装好。如系含油轴承太小,应换新的。碳刷与整流子接触不良,可用金相砂纸或鹿皮打光。如果不带负荷或负荷较轻时转速正常,负荷加重时(例如放78转/分唱片)转速则减慢,可将万用表电流档串联在电机电路中, 如果发现放78转/分唱片时电流超过85毫安,则说明电机有问题,因为电机电流超过85毫安,就已超出了稳速板的稳压范围。在放33\(\frac{1}{3}\)转/分唱片时,因为负荷轻,电流不会超过85毫安,所以故障表现不明显。

3、运转当中有死点:即电机在某点起动不起来,用手起动一下就转,给一点力就停。多数原因是三个线圈中有一个断线,或是机械稳速式电机离心接点接触不良。如果断线在外层,可拆下一圈重新接好(圈数误差最大允许为5圈,拆一圈是允许的),断线在里层时应重绕;如果离心接点接触不良,可用金相砂纸或鹿皮打光;如果系整流子损坏,则应换新整流子。机械稳速电机线圈碰稳速器架造成局部短路(此时电流也大),可参照工作电流太大、线圈局部短路的故障修理。
4.工作电流太大:如果空载时工作电流在60毫安左右,则是由于有磨掉的碳刷粉粘在整流子上,造成局部短路。可用棉花球蘸酒精擦去碳粉。如果机械稳速电机工作电流在150毫安左右,则故障可能是离心稳速器架碰线圈,形成局部短路。可用起子轻轻撬稳速器架,往上提一点,但不要提得过高,以免线圈断线或碰外壳,然后用塑料布或绝缘纸垫到短路处,即可恢复正常工作;整流子短路也会造成电流大,如短路处不严重,可用小刀轻轻把接触处割断。如果短路接触处大,应换新整流子。如果电机电流在200毫安左右,并且电机停转,原因就可能是:①线圈短路或与电机并联的电容短路,可用万用表判断;②电机运转时间很长,被磁钢和碳刷产生的碎末阻塞住。可用白胶布粘除碎末;③离心接点没有上好。重新上好接点,调准转速封牢即可。
5、转速太快:原因可能是机械稳速电机离心开关短路(直接短路或是离心接点在电机旋转时离不开)。如属直接短路,应找出短路处对症修理。如属旋转时接点离不开,可将动接点拧下来,用镊子或小起子把静接点二铜片压力调匀(不上动接点时弹片与动接点片不应接触上,也不要间隙过宽),然后装上动接点即可。
电子稳速电机如果转速太快,一般是由于电子稳速板不起稳压作用。对于701型唱机来说,问题多出在稳速板的BG\(_{1}\)回路,或是BG2外壳是集电极的管子碰附近的元件,BG\(_{3}\)基极断线、bc结短路等。(于传仁)