①确定容量
我们用下脚“G”代表高压整流,下脚“C”代表次高压整流,根据公式(1.6)、(1.7)可知
U\(_{0}\)G=1.05U'0G=1.05×640≈672(伏),
i\(_{0}\)G=1.1I'0G=1.1×0.4=0.44(安),
U\(_{0}\)C=1.07U'0e=1.07×300≈320(伏),
I\(_{0}\)C=1.1I'0C=1.1×(0.024
+0.047+0.007+3×0.0023
+2×0.0075+0.003+0.007
+0.011+0.0042+0.002
+0001)=0.14(安)。
高压整流使用Γ型滤波,次高压整流使用π形滤波。根据表1.2,高压及次高压绕组的设计功率分别为:
P\(_{G}\)=1.34U0GI\(_{0}\)G=1.34×672×0.44≈396(伏安)
P\(_{C}\)=1.71U0CI\(_{0}\)C=1.71×320×0.14≈76.6(伏安)。
根据公式(1.5),高压电源指示灯功率(取U\(_{Z}\)=5伏,IZ=0.5安)为:
P\(_{Z}\)=\(\frac{1+η}{2η}\)·UZ·I\(_{Z}\)=1+0.9;2×0.9×5×0.5≈2.7(伏安)。
所以,高压电源变压器总容量为:
P=P\(_{G}\)+PC+P\(_{Z}\)=396+76.6+2.7≈475(伏安)。
②确定铁心型号、规格
根据公式(1.9)和表1.3、表1.4,最小铁心截面积为:
S'\(_{C}\)=1.1\(\sqrt{P}\)=1.1475≈23.98(厘米\(^{2}\))。
上式中取B\(_{m}\)=12000高斯。选取GEIB40×80铁心,则可查出实际截面积为
S\(_{C}\)=29.1(厘米\(^{2}\))。
③确定初、次级绕组圈数
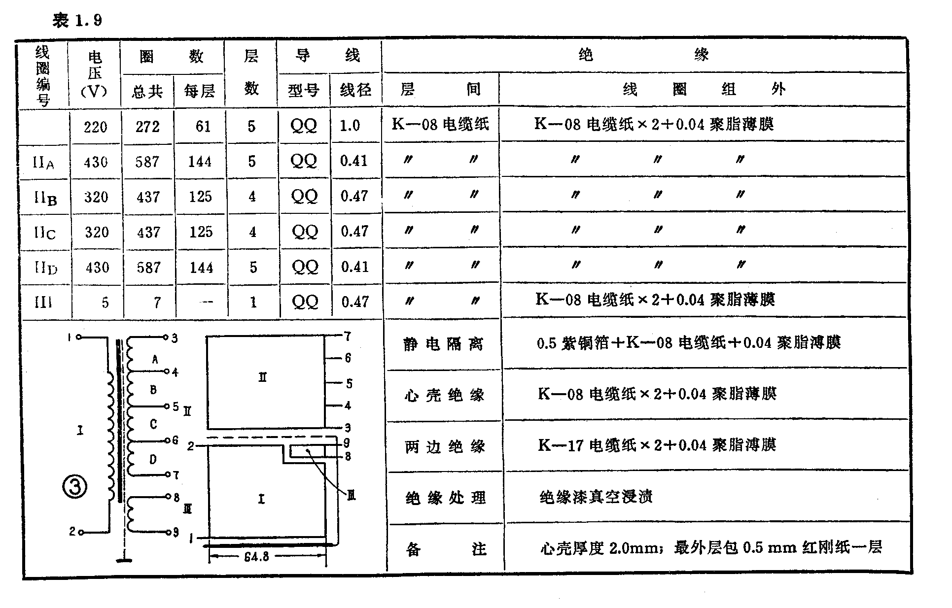
根据表1.2可知,高压绕组所接的是电感性负载, U\(_{2G}\)=1.11U0G=1.11×672≈750伏;次高压绕组所接的是电容性负载,U\(_{2C}\)≈U0C=320伏。根据(1.13)式可求得每伏匝数N\(_{0}\)=\(\frac{450000}{B}\)M、S\(_{C}\)=450000;12000×29.1=1.3。当ΔU取0.05时,各绕组圈数为:
N\(_{1}\)=(1-ΔU)U1·N\(_{0}\)=(1-0.05)×220×1.3=272圈,
N\(_{2}\)=N2D=(1+ΔU)U\(_{2A}\)·N0 =(1+0.05)·(750-320)×1.3=587圈,
N\(_{2B}\)=N2C=(1+ΔU)U\(_{2B}\)·N0=1.05×320×1.3=437,
N\(_{3}\)=(1+ΔU)·U3N\(_{0}\)=1.05×5×1.3≈7圈。
④确定各绕组导线直径、型号
根据表1.2和公式(1.17)可知:
I\(_{2G}\)=0.71I0G=0.71×0.44=0.31(安),
I\(_{2C}\)=1.11I0C=1.11×0.14=0.16(安)。
I\(_{1}\)=1.1\(\frac{P}{U}\)1=1.1×475;220≈2.38(安),
取j=3安/毫米\(^{2}\),则
d\(_{1}\)=0.65\(\sqrt{I}\)1 =0.652.38≈1.0(毫米),
d\(_{2A}\)=d2D=0.65\(\sqrt{I}\)\(_{2G}\)=0.650.31≈0.364(毫米),
d\(_{2B}\)=d2C=0.65\(\sqrt{I}\)\(_{2G}\)+I2C=0.650.47≈0.442(毫米),
d\(_{3}\)=0.65\(\sqrt{I}\)3=0.650.5≈0.462(毫米)。
查线规表(见本刊1975年第3期,QQ型漆包线基本同Q型漆包线)取标称值,得:d\(_{1}\)=1.0毫米;d'1=1.07毫米;S1=0.79毫米\(^{2}\) ; d\(_{2A}\)= d2D=0.41毫米;d'\(_{2A}\)=d'2D=0.45毫米;S\(_{2A}\)=S2D=0.13毫米2 ;d\(_{2B}\)= d2C=0.47毫米; d'\(_{2B}\)=d'2C=0.52毫米;S\(_{2B}\)=S2C=0.17毫米\(^{2}\) ;d\(_{3}\)=0.47毫米;d'a=0.52毫米; S\(_{3}\)=0.17毫米2。
⑤进行初步估算
铜线总截面积为:
S\(_{M}\)=0.79×272+2×0.13 ×587+2×0.17×437+0.17×7=517(毫米\(^{2}\))。
窗口总面积为:
S\(_{0}\)=l1·h=26×72=1872(毫米\(^{2}\))。
二者比值为:\(\frac{S}{_{M}}\)S0=517;1872=0.28 <0.29。所以上述设计可以成立。
⑥列出绕组规格表(见表1.9),做最后验算。

最后验算线包总厚度为:
D=1.2〔2+0.08×2+0.04×1
+1.07×5+0.08×5+0.08×2
+0.04×1+0.52+0.08+0.08
×2+0.04+0.05+0.08×1+0.04
×l+2(0.45×5+0.08×5+0.08
×2+0.04×1)+2(0.52×4+0.08
×4+0.08×2+0.04×1+0.5)〕
≈24.6(毫米)。
因为l\(_{1}\)=26毫米,所以D<l1, 设计结果满足各项要求。
2.250瓦扩音机高压电源变压器
从扩音机结构设计(参见TY-250/1000型扩音机)可知,高压电源变压器的主要任务是供给两只EG1-0.3/8.5作整流,以供末级功率放大管所需的屏压。
从电子管特性手册可查出,两只FU-5电子管在屏压为1250伏,作乙类推挽放大时,最大输出功率可达300瓦,最大屏流为400毫安。
①确定容量
根据公式(1.6)和(1.7)可知:
U\(_{0}\)=1.05U'0=1.05×1250=1313(伏);I\(_{0}\)=1.1I'0=1.1×0.4=0.44(安)。
由于使用Γ型滤波器电路(电感性),根据表(1.2),高压绕组的设计功率为:
P\(_{G}\)=1.34U0I\(_{0}\)=1.34×1313×0.44=774(伏安)。
根据公式(1.5),指示灯功率(取U\(_{Z}\)=5伏,IZ=0.5安)为:
P\(_{Z}\)=\(\frac{1+η}{2η}\)UZI\(_{Z}\)=1+0.9;2×0.9×5×0.5=2.7(伏安)。
所以高压变压器总容量为:
P=P\(_{G}\)+PZ=774+2.7≈777(伏安)。
②确定铁心型号、规格
根据公式(1.9)和表1.3、表1.4、求得最小铁心截面积为:
S'C=1.1\(\sqrt{P}\) =1.1777≈30.7(厘米\(^{2}\))。
上式中BM取12000高斯,选取KEIB4O×100铁心,则可查出实际截面积为:S\(_{C}\)=36.4厘米\(^{2}\)。
③确定初、次级各绕组圈数
根据公式(1.2),得U\(_{2}\)=1.11U0=1.11×1313≈1450(伏);根据公式(1.13),得每伏圈数
N\(_{0}\)=\(\frac{450000}{B}\)M·S\(_{C}\)=450000;12000×36.4≈1.03。
当ΔU取0.03时,各绕组圈数为:
N\(_{1}\)=(1-ΔU)U1N\(_{0}\)=(1-0.03)×220×1.03≈220,
N\(_{2}\)=2×(1+ΔU)U2N\(_{0}\)=2×(1+0.03)×1450×1.03≈3074,
N\(_{3}\)=(1+ΔU)U3N\(_{0}\)=1.03×5×1.03≈6。
④确定各绕组导线直径、型号
根据表1.2和公式(1.17)可知:在负载为电感性时,I\(_{2}\)=0.71I0 =0.71×0.44=0.31(安);I\(_{1}\)=1.1\(\frac{P}{U}\)1=1.1777;220≈3.9(安)。取j=2.5安/毫米\(^{2}\),则:
d\(_{1}\)=0.7\(\sqrt{I}\)1=0.73.9≈1.38(毫米),
d\(_{2}\)=0.7\(\sqrt{I}\)2=0.70.31≈0.392(毫米),
d\(_{3}\)=0.7\(\sqrt{I}\)3=0.70.5≈0.50(毫米)。
查线规表,取标称值,得:d\(_{1}\)=1.4毫米; d'1=1.48毫米; S\(_{1}\)=1.539毫米\(^{2}\);d2=0.44毫米;d'\(_{2}\)=0.49毫米;S2=0.1521毫米2;d\(_{3}\)=0.51毫米;d'3=0.56毫米:S\(_{3}\)=0.2043毫米2。
⑤进行初步估算
铜线总截面积为: S\(_{M}\)=S1N\(_{1}\)+S2N\(_{2}\)+S3N\(_{3}\)=1.539×220+0.1521×3074+0.2043×6=808.2(毫米\(^{2}\));窗口面积为S0=l\(_{1}\)·h=40×100=4000(毫米2)。工者比值为\(\frac{SM}{S0}\)=808.2;4000≈0.20<<0.38 。从计算结果可以看出,铜线总截面与窗口面积之比远小于额定导线占空系数。为了使次级高压绕组有更好的电压调整率,可选取d2=0.51毫米,则d'2=0.56毫米,S\(_{2}\)=0.20毫米\(^{2}\)。此时,
⑥列出绕制规格表,作最后验算绕制数据见表1.10。

最后验算线包总厚度为:
D=1.2(5+0.17×2+0.11×2
+1.48×4+0.17×4+0.17×2
+0.11×2+0.56+0.17+0.17
×2+0.11×2+0.17×2+0.05
+0.10×2+0.56×22+0.17×
22+0.17×2+0.10×2+0.16
×4+0.5)≈38.8(毫米)。
因为l1=40毫米,所以D<l\(_{1}\)。设计结果满足要求。
三、几个有关问题
由于汞气整流管灯丝电压要求稳定,开机需要预热时间等原因,有些广播站用半导体二极管直接代替汞气管做整流用。代用后应考虑下列问题。
1 .半导体二极管管压降很小,只有一伏左右,而汞气整流管管压降达几十伏。因此,用半导体二极管代替后,整流输出电压必将提高。这时应注意滤波电容器的耐压问题。
2.整流输出电压提高, 会使功率放大管屏压增高,因此可能出现屏极发红现象。
3.对于高压电源变压器和整流电路都不应做任何改动,可直接将整流管代换使用。
由于半导体二极管本身管压降小,如果重新设计电源变压器,次级电压U\(_{2}\)可适当降低3~5%,其它各参数都不需变动。(李龙)
