显象管是电视机的关键部件,一旦损坏就无法收看。因此,延长显象管的寿命,对于充分发挥电视机的作用是非常重要的。显象管经常出现的故障是:灯丝断、慢性漏气、极间短路、过早衰老等。如果在显象管的供电电路中采取一些必要措施,就可以减少故障,延长使用寿命。现介绍一下我们的几点看法。
我们认为显象管断灯丝和过早衰老除了显象管的质量不好外,主要是因为:
一、电源电压变动太大。例如有的地区,电源电压有时低于170伏,有时高于240伏。当电源电压过低时,会使显象管阴极严重欠热,时间长了就会损坏显象管阴极,使显象管过早衰老。当电源电压过高时,会使显象管的第二阳极电压、加速极电压等过高,加上显象管内部零件有毛刺、真空度不高等,就会引起跳火。显象管内部跳火会放出气体,降低真空度。虽然显象管内有消气剂能“吃”掉部分气体,当有较大的跳火时,气体放出过多,消气剂就“吃”不了,又会引起更大的跳火,这样恶性循环,使真空度大大降低,造成阴极“中毒”。
解决的办法:
(1)如果电源电压变动过大,有条件者最好用交流稳压器。如果采用调压器升降电源电压,应加过电压保护装置,以免电源电压突然升高时烧坏管子。
(2)在显象管的第二阳极电路上串连一个470K/1W~1W/2W的限流电阻和一只390P/15KV的电容,如图1所示。这样可以限制显象管内部跳火时所产生的电流,减少跳火时放出的气体,使之容易被消气剂“吃”掉。显象管正常工作时,第二阳极电流小于100微安,这样在限流电阻上产生的电压降小于100伏,此电压与1万多伏的高压相比可忽略不计。当显象管跳火时,第二阳极电流瞬间会增大数倍,限流电阻两端的压降也随之增大数倍,其值视跳火程度而定,甚至全部高压都降在限流电阻上,因此保护了显象管,也保护了1Z11高压整流管和行输出级。

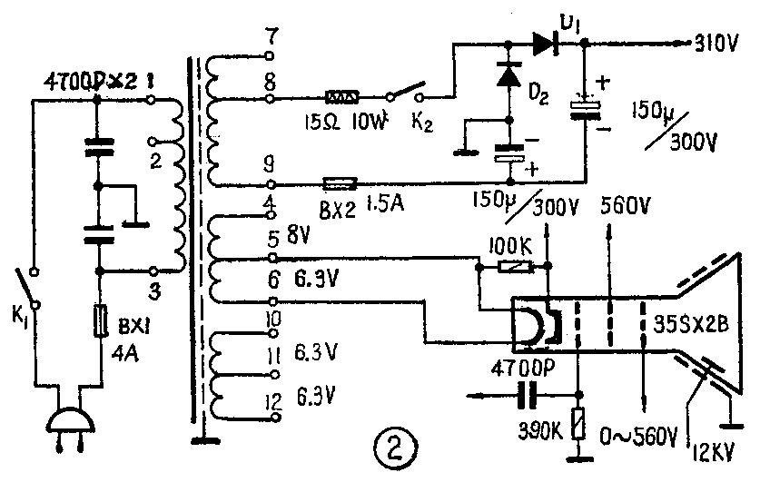
二、显象管灯丝供电电路的保护措施。
1.在电视机中,显象管的灯丝电源一般都是由电源变压器单独一个绕组供电的,与“地”不通,如图2所示。但是,有的电视机在灯丝与阴极间接有100K电阻,用以保持灯丝与阴极的同电位。有的则不加100K电阻,这样就可能造成阴极与灯丝的击穿。由于阴极与灯丝之间有极间电容C\(_{极}\),灯丝与“地”间又有很大的分布电容C布,如图3所示,而C\(_{极}\)远小于C布,所以阴极与地的电压大部分加到了阴极与灯丝间,就容易使阴极与灯丝击穿。加上100K电阻后,使阴极与灯丝之间的阻抗小于灯丝与地间的阻抗,因此,保护了灯丝,灯丝就不容易断了。


2.大家知道,灯丝在冷态时的阻值是比较小的,因此,在开机的瞬间,灯丝电流比额定值大数倍。如果灯丝与它的引出线的焊接点的接触电阻过大,就会使大部分功率都集中消耗在焊点处。由于瞬间消耗功率过大,温度很高,因而有的显象管在开机的瞬间,经常看到灯丝两头出现亮的闪光,经过多次这样过热,焊点处就可能会烧断。因此,建议对显象管灯丝加热电源采取如下措施:
(1)有的电视机的显象管灯丝电源有6.3伏和8伏两个引出头,见图2。通常使用6.3伏,8伏空着。如果在8伏电源上串接上一只3欧左右的限流电阻,作显象管的灯丝电源,如图4。这样就可以起到保护显象管灯丝的作用。

(2)还有的电视机显象管灯丝电源只有6.3伏,但是电源变压器窗口有空隙。可用绝缘导线穿绕几圈,然后串接一个限流电阻,如图5。例如35厘米显象管,灯丝电压为6.3伏,电流为0.6安,穿绕几圈后与6.3伏串联达10伏左右时,可串接一只6Ω/5W的限流电阻。

(3)也可以采用先加半压的办法,如图6所示。由于有5欧的电阻降压,加至显象管灯丝的电压只有3伏,半分钟后,即可接通开关,加上6.3伏的全压。这样也可起到保护作用。

至于23厘米及31厘米等灯丝电压为12伏的显象管,也可按上述原理改装。
另外,一般电视机的电源开关都是由音量电位器带开关控制的。在刚开电视机的时间内(半分钟内),电子管、显象管的阴极还未热起来(即未工作),而电源整流部分采用的硅二极管已经开始工作了。这时各电子管的阳极电压过高(可看到各电子管有蓝光,甚至有跳火)。同样,滤波电容器两端的电压也过高,一般大电解电容器为150μ/300V,而加到电容器两端的电压会超过300伏,这样就可能打穿电解电容,以及损坏管子。建议将对比度电位器用带开关式的电位器,以控制高压。即音量电位器带开关K\(_{1}\)控制低压,对比度电位器带开关K2控制高压,见图2。(南京电子管厂 张文)