在彩色电视机中,为了成功地解出R、G、B信号来,保证重显彩色图象的质量,并顺利地实现彩色电视广播与黑白电视广播的兼容,其解码器除了上期介绍过的几部分电路外,还必须具备其他一些电路,如副载频信号再生电路、逐行倒相的相位识别电路、自动色浓度控制电路、消色器等等。下面分别介绍。
五、副载频信号的产生与锁相原理
根据同步检波的要求,在同步检波器中,除了要输入接收到的色度信号之外,同时还需要输入一个副载频信号,这样同步检波器才能检出色差信号来。这个副载频信号由彩色电视机本身产生,而且要求与发送端的副载频保持严格的同步关系,即具有完全相同的频率和固定的相位关系。因此,要求彩色电视机要有一个能与外来副载频同步信号(色同步信号)锁相的副载频振荡器。所谓“锁相”,是指两个信号之间的相位关系被锁定在一个固定值上。当然这时两者的频率也必须是由相接近达到完全相同才成。为此,要求本机的副载频振荡器的振荡频率要有足够高的准确度与稳定度,一般应达到10\(^{-5}\)(十万分之一)的数量级,通常采用晶体振荡器。
图7示出一种常用的副载频晶体振荡器的简化原理图,它相当于一个三点电容式振荡电路,晶体在这里起一个电感的作用。由于晶体只在很窄的一段频率范围(数十或数百赫)内呈现电感作用,而这种电路又只有晶体起电感作用时才能振荡,这样晶体的稳定度就决定了振荡频率的稳定度。对于这种电路,在这里只讲一讲变容管2CC1的作用。在电路里变容二极管处于反偏置状态,即不导电,起作用的只有它的结电容。结电容是随反偏压的大小而变化的,如图8所示,反偏压越大结电容越小,如果改变偏压的数值,就能改变结电容的大小,也就能改变谐振回路的频率和相位。因此,只要用一定的直流电压控制变容管,就能控制本机副载频振荡器的频率和相位,使之与外来副载频同步信号同步,这样就组成图9所示的方框图,来实现锁相。

这里关键要有一个鉴相器,将本机振荡信号与外来色同步信号进行相位比较。如果二者的相位有相对变化(频率变化也反映为相位的变化)时,鉴相器便输出一个信号,经滤波器滤出直流电压成份后,再去控制变容管,从而改变了本机振荡器的频率和相位。直到本机振荡信号与外来信号频率相同、相位关系固定后,这种自动控制作用才稳定下来。这就是锁相的过程。
对于具有自动同步作用的电路我们并不陌生,在电视机行扫描电路中就采用了自动同步电路。但是,它是由本机产生的锯齿波电压与外来行同步脉冲信号进行鉴相的,这属于脉冲鉴相。而在解码器中采用的是正弦波鉴相,它是由本机产生的正弦波与外来色同步信号的正弦波进行鉴相的。不过它们的基本道理是一致的。下面着重说明正弦波鉴相电路的原理。图10(a)是一种正弦波鉴相电路的原理图,电路形式与上期介绍的同步检波器差不多,工作原理也类似。当外来的正弦波锁相信号u\(_{1}\)加到变压器的初级时,由于次级中点接地,次级上感应电压的瞬时极性如图所示。将本机副载频振荡信号u2加到两个二极管的中点与“地”之间。设u\(_{1}\)比u2的幅度大得多,则每当u\(_{1}\)的正峰值来到时,两个二极管瞬时导通,并给电容C1和C\(_{2}\)充电,充电电压为uc1和u\(_{c2}\)。由于充电时间常数很小,很快充满,其他时间二极管均被uc1与u\(_{c2}\)所封闭。输出端的电压u1取决于u\(_{c1}\)和uc2的大小,而u\(_{c1}\)和uc2又取决于u\(_{1}\)正峰值来到时,加到两个二极管中点电压u2的瞬时值。如果象图10(c)那样,当u\(_{1}\)正峰值来到时,正好u2处于下降并经过零值点的部分,这时电路中A、B之间与B、C之间的电压相等,于是u\(_{c1}\)与uc2也相等。又因为u\(_{c1}\)是右端为负,uc2是右端为正,所以,二者在输出端互相抵消,使输出电压u\(_{0}\)为零。此时,对晶体振荡器不产生控制作用,这属于u1与u\(_{2}\)频率相同,相位合适的情况。若本机振荡器频率偏高,如图10(d),这样就使ul正峰值到达时,u\(_{2}\)已下降到负值,则每当D1与D\(_{2}\)导通时,A、B之间的电压大于B、C之间的电压,从而使uc1大于u\(_{c2}\),结果使输出电压u0为负。这个每周出现一次的负电压经滤波器滤波后,加到晶体振荡器的变容管上(即图7的A点),使它的反偏压减小(原来A点为正电压)。由图8可知,这时结电容增大,使本机振荡器的频率降低,直到与外来同步信号频率相等并有确定的相位关系为止。反之,当本机振荡频率偏低时,如图10(e)所示,此时自动控制过程与上述过程正相反。当u\(_{1}\)达正峰值时,u2还未下降到零而处于正值,所以,u\(_{c2}\)大于uc1,使u\(_{0}\)为正,正的u0经滤波加到变容二极管上,结果使结电容减小,从而使本机振荡频率升高。总之,是一个自动控制过程,最后达到稳定为止。
由图10可见,锁相过程稳定以后,本机振荡信号的相位比外来同步信号的相位超前90°。所以,锁相时并不一定是同频又同相,只是频率相同而相位具有固定关系罢了,以后需要什么相位再加个简单的移相电路即可,一般电感、电容与电阻组成的电路都具有移相的作用。

以上讲的是正弦波鉴相电路的一般原理,在彩色电视机的解码器中,由于外来的锁相信号(即色同步信号),只是在每个行同步脉冲后面才跟着出现的8到10个周期的副载频信号,因此,鉴相作用在一行的时间中,只是短暂地出现几个微秒。这就需要将鉴相器后面的滤波器的时间常数选得足够大,以保证本机副载频信号与外来色同步信号在所有时间上均处于锁定状态。
另外,色同步信号的取得,还需要有一个选通放大器,以便将色同步信号从每一行的色度信号中分离出来,并加以放大,保证鉴相电路中的u\(_{1}\)比u2大2~3倍,然后再作为锁相信号。其分离原理见图11。因为色同步信号(见图11a)在每个行同步脉冲的后肩上,所以,需要有一个选通门脉冲作为开关信号去控制选通放大器。通常是将电视机同步分离电路分离出来的行同步脉冲(见图11b)延时约4微秒(准确的为4.375微秒)后(见图11c),再作为开关信号去控制此放大器的工作点,这样就可选出色同步信号来(见图11d)。而在选通放大色同步信号的时间之外,放大器均处于截止状态,以避免在其他时间内色度信号漏过去扰乱锁相的稳定。

六、逐行例相的相位识别电路
有了本机晶体振荡器产生的并与发送端锁相的4.43兆赫的副载频信号以后,是否就可以检出两个色差信号呢?问题并没有完全解决。从彩色电视信号的编码中我们已经知道,发送端传送的已调(R-Y)信号(即V信号)是逐行倒相的,因此,在接收端注入到(R—Y)同步检波器的副载频信号,也必须准确地按相同顺序逐行倒相,才能检出具有固定极性的(R-Y)信号来,这也是一个收发同步的问题。为了解决这个问题,发送端在发送色同步信号时,其相位是按一行+135°,一行-135°(即225°)逐行交替传送的,如图12(a)所示。前者代表+(R—Y)的一行,后者代表-(R—Y)的一行。在接收端则应当将这种区别检出来,形成一个控制信号去控制加到R-Y同步检波器的本机副载频的相位,使其跟着逐行倒相。

实现这种控制也是由副载频鉴相器来完成的。由于色同步信号的相位逐行改变,鉴相器的输出也会是逐行改变的。但是这并不影响锁相过程,因为鉴相器的输出是经过滤波器才去控制本机副载频振荡器的,只要滤波器的时间常数足够大,就能保证副载频振荡器锁相在鉴相器输出信号相位的平均值上,由于注入鉴相器的色同步信号一行为135°,一行为225°,这样鉴相器输出信号的平均相位为180°,即锁相在180°的相位上。根据上面的分析,本机副载频振荡信号将被锁在比180°超前90°的相位上,即270°的相位上。
在滤波器前,鉴相器输出的是一个逐行改变的交变信号。因为本机副载频振荡信号被锁在270°的相位上,所以,当具有+135°相位的色同步信号来到时,由于本机副载频振荡信号的相位比135°超前的角度大于90°,根据鉴相器的原理,鉴相器输出的应为负值;而对于具有-135°相位的色同步信号来说,本机副载频振荡信号的相位比-135°超前的相位小于90°,鉴相器输出的应为正值。所以说鉴相器的输出信号受色同步信号的控制,一行为正,一行为负,交替变换着,如图12(b)。由于每两行时间内鉴相器输出信号变化一个周期,其频率应为行频的一半,即7.8千赫。
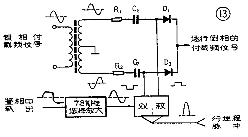
将这个近似方波的7.8千赫的信号送到如图13所示的相位识别电路中去,作为识别信号。在送到识别电路之前,首先要经过一个7.8千赫的选择性放大器,形成7.8千赫的正弦波,滤除不必要的干扰,同时经过适当的移相,如图12(C),然后再去控制双稳态脉冲电路的左边。双稳态脉冲电路的触发脉冲是由行逆程脉冲经过微分电路后供给的,如图12(d)所示。所以,每当行扫描逆程脉冲与7.8千赫识别信号的正半周同时加到双稳态脉冲电路的左边时,如图12(e),双稳态脉冲的左边就翻转一次。而由于7.8千赫的正弦波信号的正半周是对准-135°色同步信号所代表的-(R—Y)一行的,这就使双稳态脉冲电路的左边只有在-(R-Y)的一行到来时,才被触发导通,此时双稳态电路的左半边输出的为低电位,右半边输出的必然为高电位。直到下一行,即+(R-Y)的一行到来时,双稳态电路的右半边才被行逆程脉冲触发导通,此时右边输出的为低电位,左边则输出的为高电位。如此按照确定的极性轮流翻转双稳态脉冲电路的工作状态,在双稳态脉冲电路的两边形成极性相反的开关脉冲,如图12(f)所示。将这两个开关脉冲加到图13所示的两个二极管的正极,这样就可控制两个二极管逐行倒换轮流导通。

将本机副载频振荡器产生的经过锁相的副载频信号加到相位识别电路变压器的初级(见图13),由于次级中心接地,则上下两端感应出极性相反的副载频信号,通过轮流导通的上下两个二极管输出一行为90°、一行为270°的两种副载频信号,然后送往(R-Y)同步检波器。前者用以解调+(R—Y)的一行;后者用以解调-(R—Y)的一行,这样解出的R-Y信号就具有固定的极性了。
七、自动色浓度控制(ACC)
大家知道,黑白电视机中都有自动增益控制(AGC)电路,用以保证电视图象的稳定。彩色电视机也不例外,但是AGC电路并不能保证色度信号与亮度信号之间的比例关系。这是因为色度信号的频谱处于视频图象信号频谱的高端(4.43±1.3兆赫),所以容易受接收场强的变动、天线的不匹配、本机振荡频率漂移以及中放增益频率特性变动等的影响,引起色度信号与亮度信号幅度相对比例关系的变化,也就是色差信号与亮度信号幅度相对比例关系的变化,结果导致彩色图象色浓度(色饱和度)的不稳定。为了解决色浓度的不稳定,需要采用自动色浓度控制电路,简称ACC电路,来自动校正上述原因引起的色度信号幅度的变化。可以认为ACC电路也就是色度信号通道中的AGC电路。
为了实现ACC,必须选择一个能代表色度信号强度的标准。色度信号本身的幅度是随图象内容而变化的,不足以作为参考标准。而色同步信号的幅度却是固定的,它的幅度正好反映了色度信号的强度。就象电视机的AGC电路中选用同步脉冲的幅度来代表电视信号的强度一样。而色同步信号的幅度变化又反映到鉴相器后经选择性放大器输出的7.8千赫正弦波信号的幅度上,色同步信号强,7.8千赫正弦波的幅度就大;色同步信号弱,7.8千赫正弦波信号的幅度也就小。如果将7.8千赫正弦波信号经检波后,用它的直流成分去自动控制色度信号放大器的增益,就能实现ACC。
实现ACC的原理电路见图14。将选择性放大器输出的7.8千赫的正弦波加到图14中BG\(_{1}\)(PNP管)基极与射极之间,这个正弦波的正半周使BG1截止,负半周使BG\(_{1}\)导通,相当于在集电极产生检波(整流)作用。而负半周的幅度就控制了集电极电流的大小,此电流在集电极负载电阻R4上产生的电压,经滤波后获得直流成分,再去控制BG\(_{2}\),BG2相当于色度信号放大管BG\(_{3}\)的发射极负反馈电阻,其内阻影响BG3放大器的增益。当色度信号减弱时,7.8千赫正弦波的幅度减小,使BG\(_{1}\)给出的直流电压也减小,加到BG2(PNP管)的基极上后,由于基极电压的减小,造成集电极电流增大,等效于BG\(_{2}\)的内阻减小,相当于减小了BG3发射极的负反馈电阻,从而提高了BG\(_{3}\)放大器的增益,使色度信号增强。反之则相反。这样就能自动控制色度信号的增益,使重显彩色图象的色浓度得到稳定。
八、消色器及Y通道的特点
象AGC电路一样,ACC电路也只能在一定的色度信号强度变化范围内起作用。如果接收到的色度信号过弱,仍会造成图象的彩色不稳定、杂波大、不清晰等现象,特别是当色同步信号弱到不足以锁定副载频振荡器时,同步检波作用被破坏,此时会出现图象彩色的完全混乱,甚至不能观看,与其看到这样一幅彩色图象,还不如观看一幅较清晰的黑白图象,为此要求自动关闭色度信号通道,从根本上断绝色度信号通道可能引入的一切干扰。这时只让Y信号加到彩色显象管上去,从而显示出黑白图象。在用彩色电视机接收黑白电视广播时,也需要切断色度信号通道和亮度通道中的色副载波陷波器。所以,在彩色电视机的解码部分都设有一个消色器,它相当于一个电子开关电路,其原理电路与图14中的BG\(_{1}\)一级相同,只不过是适当选择其工作点,使得当具有正常的色同步信号幅度时(也即正常的7.8千赫正弦波幅度时),BG1的集电极输出为+4伏;而当没有色同步信号(接收黑白电视广播时)或色同步信号过弱时, BG\(_{1}\)的集电极输出为0伏。用这两个电压去开关色度信号通道,便能起到消色作用。例如将色度信号通道输入端的一级NPN管组成的放大器的工作点选在+4伏,则每当消色器送来+4伏时,色度放大器正常工作,每当消色器送来0伏时,这一级放大器就截止,从而就关闭了色度信号通道,完成了消色器的作用。

消色器输出的开关信号另外一路送到Y信号通道的4.43兆赫陷波器上,用来控制陷波器。4.43兆赫陷波器的原理电路见图15(a),属于一种桥T型滤波器。当+4伏电压来到时,二极管D\(_{1}\)导通,陷波器起作用;当0伏电压来到时, 二极管断开,陷波器不起作用。前者是收看彩色图象的情况,后者是收看黑白图象的情况。4.43兆赫陷波器的陷波特性如图15(b)所示,其作用是将Y信号的4.43±1.3兆赫范围内的频谱去掉,因为在这一段频谱范围内Y信号与色度信号是以频谱交错的形式混在一起的,如果让色度信号通过Y信号通道加到彩色显象管上去,就会干扰图象。彻底解决的办法是采用一种梳状滤波器,滤掉色度信号而不伤及Y信号为好。但是,实践证明这样做并不必要,只要在Y放大电路中加一个陷波器,将4.43兆赫附近的频谱连色度信号带亮度信号一齐滤掉就行了。这时当然会使图象清晰度有所下降,因为Y信号的这段频谱属于视频范围的高端,代表图象中的轮廓细节部分,但实践证明人眼对彩色图象清晰度的要求低于黑白图象,这样做是允许的。当然这个陷波器的频带不能太宽,也不能衰减得太厉害,一般要求陷波的频带为4.43±0.2兆赫,衰减十余分贝即可。
对于收看黑白图象,这个陷波器引起的清晰度损失是没有必要的,应把陷波器自动断开,这就要靠消色器给出的0伏电压使二极管不导通,陷波器的下端不接地也就起不到陷波作用。这种电路有时也叫自动清晰度控制电路。
整个Y信号放大电路的幅频特性见图15(b),适当提高2~3兆赫部分的增益可以提高电视图象的清晰度。另外,在Y信号放大电路中还应包括一个700毫微秒左右的延时线,将Y信号延时、用以保证Y信号与色差信号同时到达矩阵电路,使解出的R、G、B信号在相对时间关系上不失真。因为色度信号要经过色度信号放大器、梳状滤波器、同步检波器等。电路环节较多,引起的延时必然增大。因此Y信号放大电路中附加一段延时线是必要的。
到此为止,我们简要地介绍了彩色电视信号的编码和解码过程,目的是帮助初学者了解彩色电视的基本知识,为今后掌握彩色电视技术打下一个基础。(张家谋)