在一些需要外接直流电源的收音机或仪器仪表中,为了防止接电源时将正负极性搞反,可以如图1所示在输入端接上四只二极管。这样在外接电源时就不必考虑正负极性了。

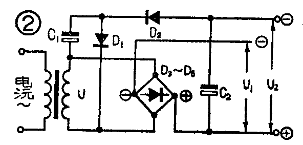
如果我们现有的变压器只有一组付绕组,而在使用时需要两个电源,那么只要如图2所示那样适当地使用二极管,便可得到U\(_{1}\)、U2两组电源。

在直流可逆变速电路中,经常装有稳定电路的负反馈装置如图3所示。有时我们要求电机正转时负反馈深一些,电机反转时负反馈浅一点,那么只要在反馈电路中加一二极管D即可。在电机正转时,二极管D反向截止,反馈电压U\(_{f}\)=(R1+W/2)R\(_{1}\)+W+R2(U-U\(_{SCR}\))。电机反转时,二极管正向导通,如果二极管管压降忽略不计,那么反馈电压Uf=\(\frac{W}{2}\)(U-U\(_{SCR}\))R1+R\(_{2}\)+W(其中USCR为可控硅上的压降)。由此可见,电机正向旋转时负反馈比逆向旋转时要深。

在切削加工专用机床的信号指示系统中加一支二极管即能收到良好的效果。图4(a)为交流指示灯电路,图4(b)为直流指示灯电路。如果我们要求机床动力头快进时指示灯发全光,工进时发暗光。在图中快进时J\(_{1}\)、J2都吸合,指示灯亮,工进时仅J\(_{1}\)吸合,指示灯变暗。

在开关电路中,三极管的结电容大或饱和过深会影响电路的翻转速度。我们只要如图5所示在晶体管的基极、集电极间加一个二极管D,使U\(_{D}\)>Ubc>0(式中U\(_{D}\)为二极导通正向压降),晶体管处于浅饱和,减小存贮时间;而且D能中和基极与集电极间的结电容Cbc,减小C\(_{bc}\)对高频的深度负反馈,从而加速了电路的翻转速度。(何家华)