用单结晶体管(简称单结管)同样可以组成线路简单、精度较高的长延时装置。为了设计和制作单结管长延时继电器,先谈谈与延时电路有关的单结管的一些参数和特性。
图1a是由单结管组成的基本延时电路,图1b是单结管的发射极特性。当电源电压E通过电阻R向电容器C充电时,C上的电压U\(_{c}\)按指数规律上升,当它达到单结管BG1的发射极峰点电压V\(_{p}\)时,BG1的发射结开始导通,流过电阻R上的电流转向单结管的发射极e,如果此时发射极电流I\(_{e}\)大于BG1的峰点电流I\(_{p}\),BG1就被触发,电容C就通过e—b\(_{1}\)—R1—0放电,在基极b\(_{1}\)上出现正脉冲。从电源被接通到b1上出现正脉冲的这段时间,就是延时时间t\(_{0}\)。通过计算可知:
t\(_{0}\)=RCl\(_{n}\)\(\frac{1}{1-η}\)(1)

式中η是单结管的外压比。
从(1)式可以看出,t\(_{0}\)与R、C、η三个参数有关。为了得到较大的t0,需要将R、C值取大一些,但也不能随意地加大,电容C的增大受漏电流和体积的限制,电阻R的增大受单结管峰点电流I\(_{p}\)的限制。为使图1的电路可靠触发,必须满足
V\(_{BB}\)是单结管基极b2、b\(_{1}\)间的电压,近似等于电源电压E。VP是单结管的峰点电压,相当于前面讲过的动作点电压V\(_{D}\)。
V\(_{P}\)=ηVBB≈ηE……(3)
而峰点电流I\(_{P}\)则相当于前面讲过的动作电流ID,它的数值一般在2μA以下。将(3)代入(2)并整理得:
R<\(\frac{V}{_{BB}}\)(1-η)IP……(4)
此式说明了图1电路中的电阻R不能随意加大,它有个上限就是\(\frac{V}{_{BB}}\)IP(1-η)≈E;I\(_{P}\)(1-η)。如果R超过了这个数值,流过R的电流太小,单结管就不满足触发条件,延时电路就无法正常工作。为了得到尽可能大的R值,可以根据(4)式取R的极限值:R=\(\frac{E}{I}\)P(1-η),那么从(1)式可得
t\(_{0}\)=\(\frac{EC}{I}\)P(1-η)l\(_{n}\)1;1-η……(5)
其中若E、C和I\(_{P}\)都是定值,则延时时间t0与(1-η)l\(_{n}\)\(\frac{1}{1-η}\)成正比。数学分析表明,当η=1-1;e时,t0达到最大值(e=2.718,为自然对数的底)。t\(_{0}\)与η之间的关系如图2所示,当η≈0.63时,t0值最大。所以为得到较长的延时时间,并且兼顾到延时精度的要求,应选用η值在0.55~0.7之间的单结管。

根据以上分析,下面谈谈单结管长延时继电器几个主要参数的选择。
1.电源电压E的选择 从增加延时的角度看,应将电源电压选得高些,这样,电阻R的数值也可以相应地加大,而且单结管的峰点电流I\(_{P}\)也随VBB的增大而降低,这更有利于R的加大,以增加延时时间和保证电路的可靠触发。但是E受单结管最大功耗的限制,以BT33型为例,一般选择E=25V较合适。
2.电容器C的选择 由于单结管延时电路都是充电型的,而且又要求有足够的发射极电流(要大于峰点电流I\(_{P}\))单结管才能触发。所以电容器C的漏电流较大时可能出现电路不能可靠触发的情况。为使电路能可靠工作,最好选用金属化纸介电容器或涤纶电容器,如选用电解电容器,要经过严格挑选,并应适当减小电阻R的数值,对动作点的发射极电流Ie要留有较大余量,以保证触发时I\(_{e}\)>Ip。
3.电阻R阻值的确定 为达到较长延时,电阻R应尽可能选大些。国产单结晶体管的I\(_{P}\)值一般都小于2μA,为保证单结管的可靠触发,设计时最好将IP值定在3μA来计算R的最大值。例如:若取E=25V,η=0.6,则R的最大值应不超过
若选用3μf、160V的金属化纸介电容器,这个电路的延时时间约为90秒。
为了保证I\(_{e}\)>Ip,又能将R选得较大以增加延时时间t\(_{0}\),可采用图3的方法。

图3中的三极管BG\(_{1}\)约可将基极电流放大(hFE+1)倍供给单结管的发射极。从而只要BG\(_{1}\)的基极电流大于(\(\frac{1}{h}\)FE+1)I\(_{P}\), BG2就能可靠触发。图3电路中R的上限值比图1的电路可增大h\(_{FE}\)倍,当C值一定时,延时时间可增大一个数量级。图3中的BG1应选择漏电流小,且在小电流工作时有较大的h\(_{FE}\)的管子。3DG6等小功率硅三极管可以满足要求,这类三极管在Ic=2μA的条件下,h\(_{FE}\)约在10~50之间。若取E=25V,η=0.6,IP=2μA,C=10μf,BG\(_{1}\)的hFE=25,R可增大到100MΩ左右,t\(_{0}\)可达700秒。
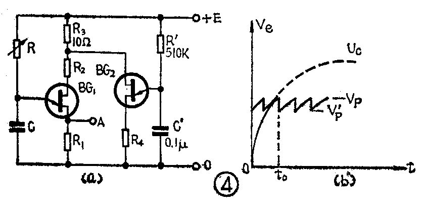
如欲再增大R的数值,可采用图4a的方法。图4a中BG\(_{2}\)组成一个周期约为50ms的振荡器。由于BG2与BG\(_{1}\)的电源端公用了10Ω电阻R3,每当BG\(_{2}\)触发时R3上的压降就会使BG\(_{1}\)的VBB下降0.2~0.3V,于是BG\(_{1}\)的峰点电压VP将与BG\(_{2}\)的触发周期同步地下降到VP',V\(_{P}\)-VP'约为0.1~0.2V(示意图4b)。当电容器C上的电压U\(_{C}\)刚达到VP'时,因BG\(_{2}\)还没有触发,BG1的峰点电压仍为V\(_{P}\), 此时BG1不能触发。U\(_{C}\)继续上升,还没有达到VP之前,BG\(_{2}\)触发,使BG1的峰点电压下降到V\(_{P}\)',BG1也就被触发了。电容器C放电,在U\(_{C}\)>VP'这段时间内,它都能保证BG\(_{1}\)所需的峰点电流,所以BG1所需的峰点电流将由电容器C(而不是通过电阻R)供给,理想情况下R值可选得任意大电路仍能可靠工作,而实际上受绝缘电阻和电容器C漏电的限制,R以不超过500MΩ为宜。


图5的电路也能在R值较大的条件下使BG\(_{1}\)可靠触发,道理与图4类似,设计电路时可以灵活使用。采用图4和图5的方法可将延时时间增大到5000秒左右,但在制作时对电容器C的挑选将更为严格,一定要保证电容器C的漏电阻RC比电阻R大一个数量级。
大多数单结晶体管发射结反向漏电流在常温下约为1nA, 50℃时会增大10倍左右,当充电电阻选用100MΩ以上时,单结管发射结漏电流会严重影响延时精度。此时应挑选集电结反向漏电流在0.1nA以下的3DG6或3DG4按图6所示的方法接在电路中。

上述电路中的充电电阻R如用恒流源来代替,可以使延时时间进一步加长,这时,可以选用η值较大(例如η=0.85)的单结晶体管。
单结管延时电路的延时精度主要受峰点电压的漂移和电容器C的漏电流这两个参数的影响。这两个参数的变动又主要与环境温度有关。为减轻温度对延时精度的影响,可调整R\(_{2}\)的阻值进行温度补偿。如温度升高延时时间减短,可适当地加大R2,反之,应减小R\(_{2}\)。R2一般在100Ω~800Ω之间。温度补偿调整得较好时,上述电路放在环境温度为室温至50℃之间工作时,其延时误差将不超过1%。

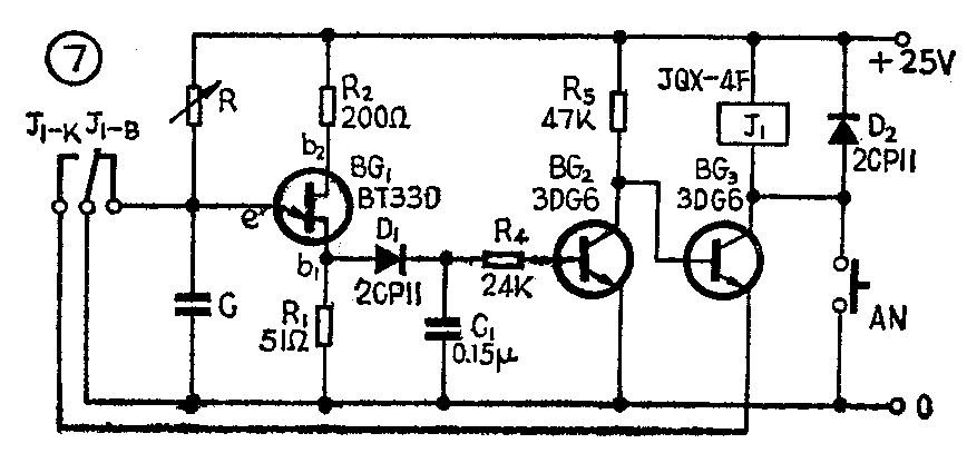
图7是一种实用的延时释放继电器。常态下BG\(_{2}\)截止,因BG3的发射极悬空,所以继电器J\(_{1}\)处于释放状态。将按钮AN按合一下,J1吸合,J\(_{1}\)-k接通,BG3发射极接0,因此时BG\(_{2}\)仍然截止,故BG3导通,放开按钮AN后继电器仍然处于吸合状态。J\(_{1}\)-B断开,使电容C开始充电,当UC达到V\(_{P}\)时BG1触发,b\(_{1}\)上的正脉冲通过D1、R\(_{4}\)加到BG2的基极,使BG\(_{2}\)导通、BG3截止,继电器J\(_{1}\)释放,电路恢复常态,完成了延时释放动作。由于单结管输出的是脉冲信号,因此当脉冲宽度较小时,可能造成J1来不及释放,所以用电容器C\(_{1}\)使BG2的导通时间适当延长,以保证延时结束时继电器J\(_{1}\)能可靠动作(释放)。
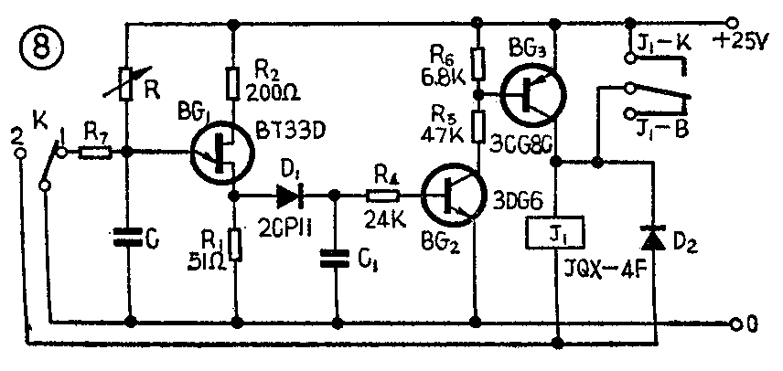
图7中由BT33D组成的基本延时电路部分可由图3、图4、图5等电路代替,以适用于不同的延时要求。这样,图7的电路和上述几种不同基本延时电路配合起来,延时范围可以做到从几十秒直到上万秒。图8、图9的电路也是一样。

图8是延时接通的延时继电器。当开关K由“1”端转向“2”端时,延时开始。待BT33D触发、BG\(_{2}\)导通、BG3也同时导通,J\(_{1}\)吸合,J1-k接通,使继电器J\(_{1}\)保持在吸合状态。只有当开关K从“2”转回“1”端时继电器才能释放,电路复原。加上R7(300Ω左右)是保护继电器触点和电容器C用的。

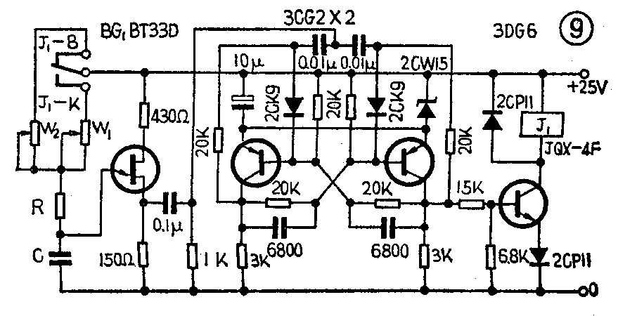
图9是一种具有双向延时功能的电路。它的特点是继电器J\(_{1}\)能吸合一段时间后自动释放,释放一定时间又自动吸合,如此循环动作,可以一直继续下去。
除上面介绍的电路外,用单结管还可以组成多种不同功能的延时装置,只要掌握了单结管的特点和电路主要参数的选择方法,读者可根据需要自行设计。(刘铁城)