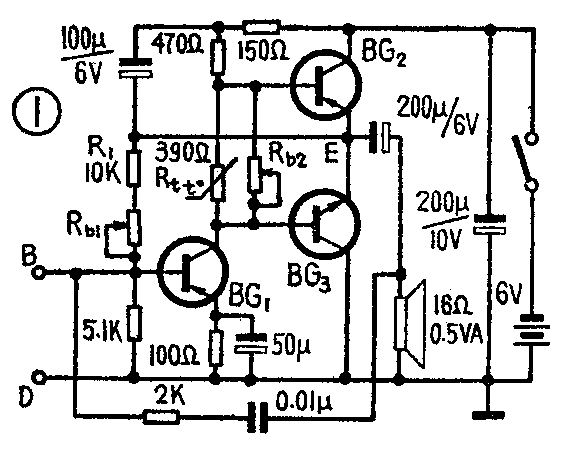
对无输出变压器功放电路(简称OTL电路)的测试和判断互补晶体管是否对称地工作,一般都是利用示波器和信号发生器进行观测。但在没有上述仪器的情况下,也可以在有信号时用万用表直流电压档测量互补晶体管二个发射极接点对地的直流电压的方法来判断。但这种方法只适用于如图1所示的作为音频放大的OTL电路。

在调试之前,我们先安装一只极为简单的信号源,如图2所示。这里的变压器可以采用任何一个具有5~10伏绕组的电源变压器。电位器W采用1千欧3瓦线绕电阻。电解电容器应取大一点,以免信号发生失真;同时还应注意电容器的耐压应高于10伏。

调试时,首先断开第一低放级(图中未画出)与推动级之间的耦合,使图1所示电路与其他电路分开。然后接通电源,反复调整R\(_{b1}\)和Rb2,使图1中E点电压为电源电压E\(_{c}\)的一半(此例中为-3伏),互补推挽输出级静态电流为4~8毫安。
上述静态工作点调整完毕后,即可进行动态测试。将图2所示信号源接入220伏、50~60赫交流电源。把W置于最低位置,将S与图1中B点接通,A点与D点接通,同时用万用表直流电压档测量E点电压,调W缓缓加大输入信号,使输出达到电路额定值(可用交流电压档测量扬声器两端电压,如图1的额定值为150毫瓦,相应的交流电压指示应为1.55伏)。在边加入信号的同时,边观察E点直流电压,如12E\(_{c}\)不变,则说明此OTL电路是对称地进行放大的。
如果在缓缓加大信号后发现E点电压随信号的增大而逐渐偏移,例如E点电压由-3伏变为-3.2伏(注意,在观察时可暂停加大信号),此时说明BG\(_{3}\)的β小了,或者BG2的β大了;更换一只晶体管,重调直流工作点,并重复前述步骤,直至达到要求。反之,加大输入信号后如果E点电位向着与上述相反的方向偏移,例如变为-2.8伏等,则是BG\(_{3}\)的β大了,或BG2的β小了。
这种调整方法的原理是:因为我们采用交流50赫市电作信号,它是标准正弦波信号,经过不失真放大后还是正弦波。我们知道:完整周期的正弦波的平均值等于零,而我们用万用表直流电压档测试E点电压,量得的是输出交流正弦信号若干个完整周期的平均值与直流电压12E\(_{c}\)之和。如果OTL电路是对称地、不失真地进行放大,则输出端的交流信号是正、负半周对称的正弦波,如图3中实线所示,其平均值为零。此时E点量出的直流电压应保持1;2Ec不变。

如果两个互补晶体管不对称,假定BG\(_{3}\)的β较小,对信号的放大量减小(根据OTL电路工作原理,图1输出信号的正半周是由BG3放大,负半周是由BG\(_{2}\)放大),结果将如图3中正半周的虚线所示,或者如果BG2的β较大,对信号的放大量比BG\(_{3}\)的大,则此时正负两个半周的平均值之和不再为零,而是一个负值,例如由原来的-3伏变为-3.2伏。相反,则E点电压向正的方向变化,如图4中虚线所示。
此外,还有一种情况,当输出信号逐渐加大时,E点电压并不立即变化。当输出信号随输入信号加大而增大到一定值(例如当扬声器两端电压达到1.2伏)以后,才开始随信号的加大而逐渐产生偏移。这是因为互补晶体管的集电极—发射极饱和压降U\(_{ces}\)不一致而造成的。如果BG3的U\(_{ces}\)较大,则BG3将比BG\(_{2}\)提前饱和,它所放大的正半周将产生“削峰”现象,见图5(a)。图中①、②虚线表示信号较小时的情况,此时正、负半周对称,E点电压为\(\frac{1}{2}\)Ec不变;实线表示输入信号较大时,晶体管BG\(_{3}\)产生饱和的情况,此时E点电压向负的方向偏移。反之,如果BG2的U\(_{ces}\)较大,则BG2将比BG\(_{3}\)提前饱和,E点电压将向正值方向变化,如图5(b)所示。在上述情况下,应尽量更换一只Uces较小的同型号管子,使两管对称,以提高不失真输出功率。

这种方法也适用于复合互补晶体管OTL电路。我们用以上方法调试了几部OTL机子,效果很好,基本上达到了线路设计要求。
电路图中各管型号为:BG\(_{1}\)—3AX31;BG2—3AX81,3AX31;BG\(_{3}\)—3BX3,3BX01,3DK4,3DG12,3DG27等。(潘英学 冯雪晴)