我们单位传达室离办公楼较远,要想使安装在传达室的对讲机能分别控制楼里各办公室的通话喇叭,对讲机到各喇叭就得单有传输线,用线较多。为了节约传输线,我们制作了这台用光电控制的对讲转换机。把它安置在楼里离各办公室较近的地方,它的引出线接到各通话喇叭上,而传达室里的对讲机到转换机只用两条传输线。通话时,对讲机通过转换机来接通所需的通话喇叭。
工作原理
整个对讲系统方框图见图1。它是由晶体管对讲机、光电控制转换机、喇叭等组成的。其中光电控制转换机包含有12组光控电路。从图中可以看出,对讲机输出的音频信号与从对讲机电源取出的直流可调控制电压同时经外线路加到转换机上。调整直流控制电压在不同的数值上(这个电压数值代表着与哪一路喇叭通话的信号),与此相对应的一组光控电路工作,把对讲机的音频信号加到需要通话的那路喇叭上,完成通话。

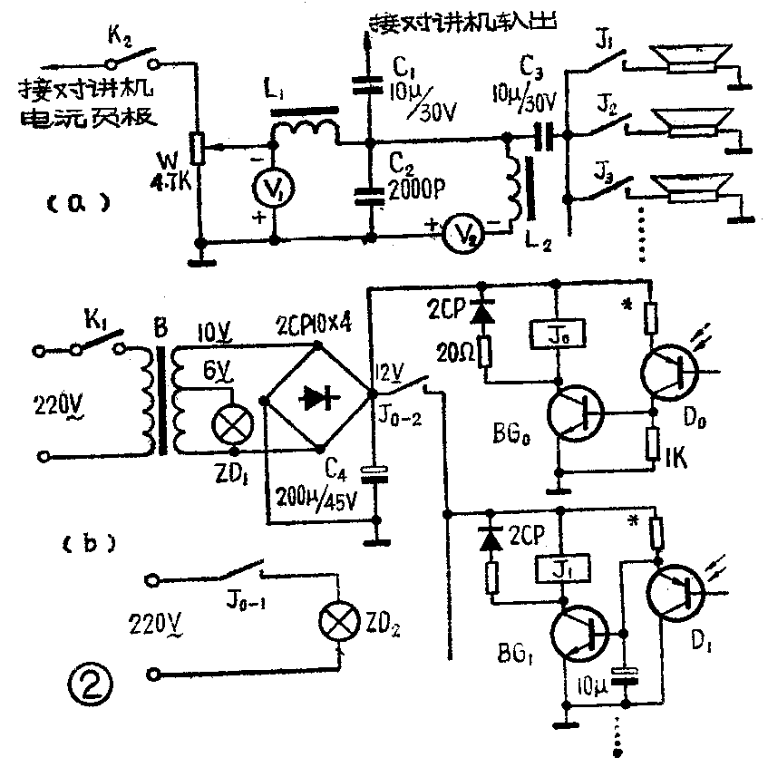
具体线路见图2。在图 2(a)中,当接通K\(_{2}\)时,调整W选取不同的电压值,这个直流电压经L1、L\(_{2}\)加到V2表上,V\(_{2}\)表指针偏转到一定位置。由于在V2的表盘上打了0~11个透光孔,当表针偏转到某位置时,就挡住了该位置上的透光孔,这时相对应的一组光控电路工作,电路中的继电器动作,继电器的触点把需要通话的那路喇叭接通,从对讲机输出的音频信号经电容C\(_{1}\)、C3、继电器触点加到喇叭上。
图2(b)为光控电路部分。其中BG\(_{0}\)、光电管D0、继电器J\(_{0}\)等组成亮通式电路,而BG1、D\(_{1}\)、J1~BG\(_{11}\)、D11、J\(_{11}\)等组成11组暗通式电路。图中小灯泡ZD1为D\(_{0}\)的光源,灯泡ZD2为各暗通式电路中光电管的光源。D\(_{0}\)安置在V2表盘指针指零位的透光孔底下,其它各光电管依次安置在表盘上相应的透光孔底下。

接通K\(_{1}\)后,ZD1亮。不通话时,W上无直流可调电压输出,V\(_{2}\)表的指针停在零位,刚好挡住D0的透光孔,D\(_{0}\)因无光照射内阻变大,BG0处于截止状态,继电器J\(_{0}\)释放,它的常开触点J0-1断开ZD\(_{2}\)的电源,J0-2断开各暗通式电路的电源,各暗通式电路不工作。
通话时,先接通开关K\(_{2}\),调节W至某位置,因有直流可调控制电压输出,V2表的表针离开零位偏转。此时,零位透光孔下面的光电管D\(_{0}\)因有光照射,内阻变小,BG0由截止变为导通,J\(_{0}\)动作,它的触点J0-1接通ZD\(_{2}\)的电源,ZD2亮;J\(_{0}\)-2接通各暗通式电路的12伏电源。当V2表表针停在某位置时,挡住了该位置上的透光孔,该透光孔下面的光电管因无光照射内阻变大,晶体管因发射结正向偏置而导通,电路中的继电器动作,继电器的触点接通了相应的喇叭,对讲可以开始进行。
通话完毕,调W使V\(_{2}\)表表针回到零位,BG0截止,恢复到准备状态。
线路图中,C\(_{2}\)为抗干扰电容,用以防止外线路感应的高频杂波信号进入对讲机。为了防止V2表针偏转瞬间挡住其它透光孔引起电路的误动作,在各暗通式电路的光电管两端并联一个10微法的电容,它起延迟暗通式电路工作时间的作用,当表针瞬间挡住透光孔时,电路不工作。
元件的选择与制作
直流电压表V\(_{1}\)、V2用1毫安以下的磁电式电流表改制的。V\(_{1}\)表用来指示直流可调控制电压,为了节省它,也可直接在W旋柄上刻度电压值,但应注意刻度准确,以免因刻度拥挤造成电路误动作。V2表表盘见图3,上面有直径为4毫米的透光孔。为了多安放光电管,透光孔分上、下两排,而且两排孔要错开,以免表针停在一个位置上同时挡住两个孔。为了增加表针的挡光面积,表针头上加了铝箔(用胶水粘上即可)。由于表外上加了铝箔,要重新调整表针的平衡。为了在电源电压降低的情况下也能工作,V\(_{2}\)表的满偏转量程要取得比对讲机的电源电压低1/5~1/4,比如,对讲机电源电压为9伏时,V2表的满偏转电压可取7伏左右,以保证V\(_{2}\)表的指针能摆到最右边的透光孔上。

光控电路中的晶体管BG\(_{0}\)~BG11用耗散功率大于200毫瓦的NPN型管子,我们用的是3DK7。光电管用玻璃壳的3AG1、3AG71、3AG72等晶体管代替。继电器J\(_{0}\)用有一对常开触点的JQX-4F,它的吸合电压为12伏,吸合电流为20毫安。继电器J1~J\(_{11}\)用干簧管自制的(干簧管取自于JAG-2-4IC继电器)。制作时,先在干簧管两端用绝缘胶布绕上十几匝(以增大干簧管上的绕线面积),然后用线经为0.01毫米的漆包线在干簧管上乱绕4500匝。作好的继电器吸合电流约为20毫安,释放电流约为10毫安,线圈两端电压约为6伏。
制作电源变压器B时,应注意它的绕组匝数要比一般电源变压器的初、次级匝数多些,它的功率约为5瓦。L\(_{1}\)、L2用半导体收音机用的输入变压器的初级绕组代替,次级空着不用。灯泡ZD\(_{1}\)用6.3伏指示灯,ZD2用220伏、25瓦白炽灯泡。
安装与调整
安装时,可根据需要的通话路数自己设计转换机的印刷板。把各光电管安置在印刷板上有敷铜的一面,并且排列在表盘下面,与相应的透光孔一一对应。电路的元器件都安置在印刷板的另一面,见图4。ZD\(_{1}\)灯泡用一个固定支架安置在表盘上,它正好对准零位透光孔。ZD2安置在距离表盘约15~20厘米高的地方,以使各透光孔均匀受光照,这时各暗通电路中的光电管亮阻小于1千欧,暗阻约为50千欧。

调整各光控电路时,要在工作条件下进行。先调整亮通式电路中的BG\(_{0}\)上偏置电阻,使BG0导通时工作电流约为25毫安、截止时约为2~5毫安;然后调整各暗通式电路中晶体三极管的上偏置电阻,使各三极管导通时工作电流为25毫安左右、截止时为几十~几百微安。
组装后再进行一次统调。统调时,记录下每一路转换机接通时V\(_{1}\)表上的电压数值,或者在表盘上作上记号,以供通话时使用。调整好以后,把V2表盘刷成黑色,防止表盘反光造成电路的误动作。
使用时,先接通K\(_{1}\)。需要通话时调整W,找到V1表上某路对讲时的电压值,电路接通后,就可以对讲通话。(李旭东)