用晶体三极管来制作延时继电器,器材容易解决,调整也简单。图1是一种较简单的晶体三极管延时继电器的原理电路,它的工作过程如下:
1.待启动阶段 电源接通后,电路处于延时准备状态。电容器C的a端通过继电器J\(_{1}\)的常闭触点J1-B与电源电压+E接通,而b端则通过三极管BG\(_{1}\)的发射结接电源零端。在正偏置的作用下, BG1处于饱和状态,因此其发射给压降V\(_{be1}\)≈0。所以电容器两端的电位分别为Va=+E;V\(_{b}\)=0。因BG1饱和,使BG\(_{2}\)发射结电压小于阈值电压而截止。继电器J1的线圈中无电流流过,呈释放状态。
2.启动阶段 按下按钮AN,继电器J\(_{1}\)吸合,常闭触点J1-B断开,常开触点J\(_{1}\)-K接通,使电容器C的a端接零,Va由+E下跳到0,但电容C两端电压不能突变,因此Vb由0下跳到-E,如图2所示。同时,BG\(_{1}\)因发射结反向偏置而截止。BG2的基极电位升高,转入饱和导通状态。此时放开按钮AN,继电器J\(_{1}\)因BG2导通,依然处于吸合状态。

3.延时阶段 从BG\(_{1}\)基极电位跳变为-E开始(图3中t1),电路进入延时状态。BG\(_{1}\)因受反向偏置而截止,此时电容器C将通过电阻R对电源放电,所以b点的电位Vb不能保持在-E不变,而是随时间的推移而逐渐升高。V\(_{b}\)随时间的变化关系见图3。当Vb升到接近于BG\(_{1}\)发射结起始导通电压Vbe1时,曲线出现转折,此时BG\(_{1}\)由截止转向导通,并迅速饱和。图中的虚线部分表示若没有BG1接在b点时,V\(_{b}\)曲线的上升规律。t2点是曲线出现转折的时刻,也就是BG\(_{1}\)由截止转向导通的时刻,t1至t\(_{2}\)。经过的时间t0就是延时时间。在时间轴t上标志的τ、2τ、3τ等是指由t\(_{1}\)开始计算的时间,由计算可知t0≈0.7τ=0.7R·C。

4.复位 当V\(_{b}\)曲线到达图3中的t2点之后,BG\(_{1}\)稳定在导通饱和状态,BG2截止,继电器J\(_{1}\)释放。电路完成了延时释放的任务,仍回到待启动状态。
图1的电路有下列特点:
1.电容器C上的充放电电压变化幅度大,几乎等于电源电压,并且由于BG\(_{1}\)的导通大致处于曲线的0.7τ处,如采用小电流下高hFE的晶体管,此时曲线的变化率尚较大,可以得到较高的延时精度。
2.由于BG\(_{1}\)由截止转向导通的时刻,电容器C两端的电压正处于接近于零的时候,此时电容器上漏电流很小,因而能减轻电容器漏电阻对BG1导通的影响。
3.BG\(_{1}\)的导通工作点比较稳定,除R及C和BG1本身外,不受电路中其它元、器件参数变化的影响。
一种实用电路和元器件参数的选取

图4是由图1演变而来的实用电路,适用于较宽的延时范围,由几秒到近一小时。下面谈谈一些元、器件在电路中的作用及其参数的选取。
三极管BG\(_{1}\)和BG2可采用任何一种小功率NPN型硅三极管,其主要参数要求如下:
BV\(_{ceo}\)>30V;Vces<1V;I\(_{cM}\)>20mA;
h\(_{FE}\)(BG1 I\(_{b}\)=20μA时,BG2 I\(_{b}\)=0.5mA时)≥50
图4中选用了3DG6D,其它3DG或3DK系列的三极管,只要符合上述条件的均可采用。
R\(_{1}\)的选取要从两方面考虑,一是当BG1截止时能供给BG\(_{2}\)足够的基极电流Ib2使其饱和导通;另一是当BG\(_{1}\)导通时不会因Ib2过大致使BG\(_{1}\)不能饱和。图4中BG1导通时的最小I\(_{b1}\)值是18μA,继电器J1线圈的直流电阻是1800Ω,当h\(_{FE1}\)和hFE2均大于50时,R\(_{1}\)选用51KΩ可以满足上述要求。
R\(_{2}\)的用途是限制电容器C的充电电流的。当接通电源或延时结束,J1-B接通的瞬间,C都要快速充电。这个电流将通过BG\(_{1}\)的发射结,如果不加限制可能将BG1的发射结烧毁。当R\(_{2}\)选取1KΩ时,可将充电电流限制在20mA以下。
R\(_{3}\)、D1、D\(_{2}\)的作用是给电容器C的a端加一个约1.4V的偏压。这样可以达到两个目的。一个目的是减轻电容器C漏电流对导通的影响。由于当BG1导通时,电容器C的b端电位要略超过D\(_{5}\)和BG1发射给正向压降之和,约等于+1.4V,如果a端接0V,这时电解电容器C的两端就会出现反向电压,使电容器漏电流加大。a端加正偏压后,使V\(_{a}\)=1.4V,在BG1导通的过程中电容器C两端电压即可接近于零,可以使漏电流大为减小。另一个目的是可以进行温度补偿。因为外D\(_{1}\)、D2上压降的温度系数与D\(_{5}\)和BG1发射结的正向压降温度系数相同,因此可以补偿BG\(_{1}\)导通点的温度漂移,提高了延时精度。
D\(_{5}\)串接于BG1的基极回路中,作用是保护BG\(_{1}\)的发射结。因硅三极管发射结反向耐压一般仅为6V~9V,当b点电位跳到-E时(本例E=25V),会将发射结击穿,所以串入D5保护。D\(_{5}\)的耐压要大于30V,反向漏电流要小,以免对RC放电曲线带来影响。可以用3DG6或3DG4的集电结来替代D5。
继电器J\(_{1}\)选用了JQX-4F型灵敏继电器,线圈直流电阻1800Ω,工作电流14mA。它有两对转换触点,一对用于电路中,另一对可作为输出使用,负载能力是220V·3A。如果用其它型号的继电器,可以适当地改变图4电路的元器件参数,使其与继电器配合。
R'和W串连起来,阻值之和就是图1中的电阻R。接入R'的目的是当W调至最小值时,I\(_{b1}\)不致过大,以免损坏BG1的发射结。调整W可以改变延时间t\(_{0}\),W的数值可根据所需的延时时间和选取的C值来决定,一般情况下W值可在100KΩ至330KΩ之间选择。如欲得到较长延时,可使用大阻值的电位器,但最大不得超过1MΩ,否则BG1将不能保证可靠饱和(除非更换更小电流下有更大h\(_{FE}\)的BG1)。
电容器C应根据所需要的延时时间配合电位器W的数值选取,由100μF至5000μF,耐压在25V以上的钽电解电容器或铝电解电容器经过严格挑选均可采用。电容器的挑选方法可参看上期本文“电容器的选择”一节。最好用钽电解电容器。实际测试表明,凡是出厂时间在一年以内的铝电解电容器大部分也都可以满足要求。

图4的电路中如果W为1MΩ,C为5000μF时,最长延时时间约为一小时。图5是采用恒流源的延时电路,如果电容器C采用5000μF,最长延时时间可达5000秒。调整图5中的电位器W可以使延时时间在70秒至5000秒范围内变化。
上述电路经实际使用证明是可靠的。当使用电解电容器时,因它有漏电流较大、容量不够稳定、温度系数较大等缺点,因而使得延时精度不够理想,能适应的温度范围较窄。实际测试在延时100秒左右时延时误差不超过±1%,1000秒以内不超过±2.5%,一小时内不超过±5%。使用温度最好不超过35℃。
小型金属化纸介电容器和薄膜电容器比电解电容器性能好,但这类电容器容量小,体积大。为解决这个问题,在设计电路时应尽量减小图4中BG\(_{1}\)的基极电流Ib1以增大电阻R的数值,达到较长的延时。但是I\(_{b1}\)不能随意减小,三极管的hFE值在小电流工作状态下随着I\(_{c}\)的减小而降低,同时还要受三极管反向漏电流的限制。可以选用3DG6、3DG4等型号的三极管,我们在实验中挑出常温下Icbo在0.1nA(毫微安)以下的管子,当I\(_{b}\)为100nA时,hFE约在10~50之间。这类三极管约占3DG6B、C、D中的30%,3DG4中的10%(当然,同时还应考虑到BV\(_{ceo}\)>30V这一条件)。使用这种经过挑选的三极管,配合漏电流小的小容量电容器,可以制作出较理想的长延时继电器。
另一个实用电路

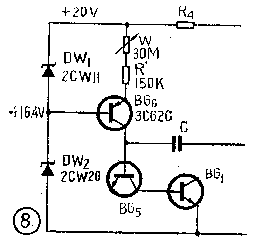
1.三极管BG\(_{5}\)是作为二极管使用的,对它的要求较严格,要求BVcbo>30V,I\(_{cbo}\)在30V下常温时要小于0.05nA,只有这样才能保证50℃下反向漏电流不超过1nA,并可得到在较高温度下的延时精度。2.三极管BG1在I\(_{b}\)=100nA时,hFE应不小于25,挑选方法如图7所示。当开关K打开时,电表M应无读数,K闭合时,M的指示应大于2.5μA。3.BG\(_{2}\)的Ib=1μA时,h\(_{FE}\)应大于50。也可以用图7的方法挑选,将图中的电阻R改为4.7MΩ,表M的满度电流改为100μA即可。BG2和BG\(_{4}\)的hFE要大于40。4.电容器C可选用金属化纸介电容器或薄膜电容器。若用金属化纸介电容器,应采用上期讲的方法进行挑选,要求是常温下τ\(_{c}\)大于200×10\(^{3}\)秒,Rc大于10千兆欧。若用涤纶电容器,只要是合格产品可不经过挑选。5.电位器W的最大值是200MΩ。为调整延时时间t\(_{0}\)应改变W的数值。实际上没有这么大阻值的电位器,因此只好采用单刀多掷转换开关来改变W值的大小。为了换档时能与延时时间成整数对应关系,应按t0=0.69R·C精确计算出每档电阻值。6.为了达到较长的延时时间t\(_{0}\),可采用图8的恒流源代替图6中的W和R'。恒流源中的三极管BG6应选用常温下I\(_{cbo}\)<0.1nA,Ic=100nA时h\(_{FE}\)>20。图8的最小恒流输出为100nA,改变W的数值可调整恒流输出电流值,也就改变了延时时间。下表是当图6电路中W+R'=200MΩ时的实际测试和理论计算结果。
C微法 1 2 4 10 20 30
t\(_{0}\)秒 138 276 552 1380 2760 4140
(计算)
t\(_{0}\)秒 138.5 276.9 554 1382 2771 4155
(实测)
表中的数据是在室温下测得的,当环境温度在55℃时,延时时间会略有缩短,但电路动作仍然很可靠。常温下的延时误差不超过±0.5%,50℃时不超过±2.5%。图6电路的缺点是其中的BG\(_{5}\)、BG1需经挑选,要求比较严格。
用晶体三极管制作的延时继电器,加大延时时间的主要障碍是三极管导通时需要足够的基极电流,因而延时电阻R不可能很大,同时还受到三极管反向漏电流的限制。所以要想达到更长的延时,就应该采用其他半导体器件或另行改变线路设计。(刘铁城)


