为了使扩音机保持优质高效能地工作,保证广播正常进行,应定期测试它的主要技术指标,掌握机器性能变化情况,及时排除隐蔽故障。本文以广播站常用的TY250—1000型和GY2×275型扩音机为例,谈谈扩音机各项指标的测试及调整方法,供参考。
测试前的准备工作
1.配备好常用仪器。这些仪器包括:毫伏表(例如GB—9B型)、音频信号发生器(例如XC—1A型或XFD—7型)、失真度测试仪(例如SZ—3型)、示波器(例如SB—10型)、万用表、万用电桥(例如WQ—5A型)、电子管测试仪(例如GS—5A型)等。
2.为保证测量数值的准确性,测试时应断开外负载网路,在输出端接好假负载电阻。假负载电阻的阻值应和扩音机的输出阻抗相匹配,功率容量应大于扩音机输出额定功率的一倍以上。可用具有滑键的线绕电阻制作。
定阻式扩音机的输出阻抗一般已在输出端标明;定压式扩音机输出端标明的是电压值,其输出阻抗值可用下式算出:
Z\(_{F}\)=U0\(^{2}\)P\(_{0}\)
上式中Z\(_{F}\)为输出阻抗,单位为欧姆;U0为额定输出电压,单位为伏;P\(_{0}\)为机器额定输出功率,单位为瓦。例如TY250—1000型扩音机,每层额定输出功率为250瓦,输出电压为120伏,则输出阻抗为:
Z\(_{F}\)=U0\(^{2}\)P\(_{0}\)=1202;250=57.6(欧)。
3.仪器的接线应尽量缩短并排列整齐,避免产生不应有的相互感应。为了防止杂散干扰,信号发生器的输出线应使用屏蔽线。
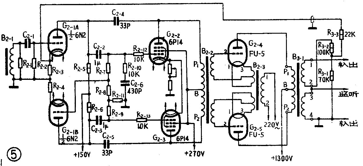
仪器与设备的接地点,应根据扩音机输入通道和输出端是对称式或不对称式而定。比如:TY250—1000型扩音机可采用仪器与设备两点接地法(见图1);GY2×275型机可采用一点接地法(见图2)。

4.在测频率响应、输出功率、谐波失真等项指标时,音频信号发生器的输出阻抗,应等于或小于被测扩音机的输入阻抗,以免影响信号发生器的频率稳定度。

在测谐波失真时,如果失真仪本身无衰减器,可依照图3自己制作。R\(_{1}\)、R2的阻值可根据被测扩音机的输出电压U\(_{0}\)和失真仪规定的输入电压Ux来确定,它们的关系式为R\(_{2}\)=Ux·R\(_{1}\)U0-U\(_{x}\)。例如,当U0=120伏,U\(_{x}\)=1伏时,如果选定R1为100千欧,则R\(_{2}\)=1×100×10\(^{3}\);120-1≈0.84千欧,则R2可选取1KΩ·1/4W的炭膜电阻。一般失真仪输入的实际电压可稍高于规定的U\(_{x}\)值,以满足失真仪校准时的要求。
5.为了提高测试速度和保证测试安全,测试时应该有一个合理的顺序,一般可按频率响应→输出功率→失真度→灵敏度→噪音电平→输出电压调整率→过荷电流顺序进行测试。失真度是在额定功率下测得的,如果输出功率达不到额定值,测失真度就没有意义。输出电压调整率应放在频率响应、输出功率、失真度后面测,这是因为定压式扩音机不仅输出电压调整率决定于负反馈网路的反馈量,频响、失真度两项指标也和反馈网路有直接关系。当反馈网路失去作用时,在测频响和谐波失真时就能发现,而如果先测输出电压调整率,去掉负载时输出电压很高,容易击穿输出变压器或损坏其他元件。
6.测试前,按使用要求对所用的电子管毫伏表、失真度测量仪、信号发生器、示波器等进行预热和校准,低频信号发生器须率在1000赫时本身的失真度要事先测出来。
频率特性的测试与调整
扩音机的频率响应,是指扩音机对各种不同音频频率的放大特性。衡量频率响应的具体指标,可在规定的不均匀的范围内,用频率从多少赫到多少赫来表示。例如,根据农村有线广播技术标准,对扩音机及增音机的频响要求见表1。频响不均匀性用分贝(dB)表示,以频率为1000赫时输出电压(基准电压零分贝)对其它频率下输出电压的比值的对数形式来表示。即:
1.测试方法:按图4接好线路,将音频信号发生器输出的1000赫额定信号(具体数据见表2)加到机架输入端,调整机架音量电位器,使扩音机输出电压达到额定输出电压的70%,即输出50%左右额定功率。此后扩音机音量电位器不再调动,改变信号发生器频率(保持输出电平不变),大致每隔几十至几百赫逐点记下扩音机的输出电平。在特性变化比较快的转折处,频率间隔可取小些;平直段可取大些。对于前置增音机来说一般应在20~20000赫范围内进行;功放机架一般应从40赫测到12000赫。将测得的数据填入表3并根据上式算出相对电平。在测试过程中电源电压应保持在220伏±5%·50赫。

2.频率特性的调整:根据算出的各种频率的相对电平,可在对数坐标纸上绘出频率特性曲线。根据特性曲线,就可以查出被测扩音机是否符合频响指标要求。如果达不到要求,可参考下述办法调整。
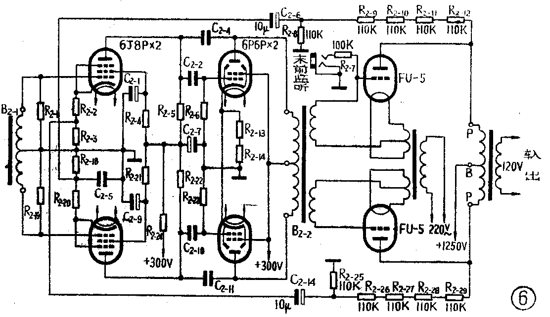
①整机频响变坏,高频和低频端增益下降。其原因可能是被测扩音机负反馈电阻阻值增大或断线,例如GY2×275瓦扩音机中的R\(_{3-1}\)、R3-2、R\(_{3-3}\)(见图5),TY250—1000型扩音机中的R2-8~R\(_{2-12}\)、R2-25~R\(_{2}\)-29等(见图6)。应更换已经变值的电阻。


②低频端增益下降。其原因可能是级间耦合电容容量减小。例如GY2×275瓦扩音机中的C\(_{2}\)-1、C2-2、C\(_{2-3}\),TY250—1000型扩音机中的C2-2、C\(_{2-1}\)0等。可用万能电桥检查电容器的质量,也可用一个相同容量的好电容并接到被测电容两端,根据频率特性的改善情况来判断被测电容的好坏。图5中C2-6开路或R\(_{2-1}\)0阻值增大也会引起低频增益下降。
③高频增益下降。如果经检查负反馈电阻均无问题,则可能是扩音机屏与屏之间的负反馈电容容量太大,或所选用的电子管极间电容太大。应选用较小的反馈电容并尽量选用极间电容较小的电子管。
④被测扩音机频率响应曲线上出现某一频率凸起。主要原因是由于扩音机布线分布电容及变压器分布电容和电感谐振于该频率所引起的。这种故障往往不好解决,如果凸起点超过规定要求,可用调整布线或重绕变压器的办法来解决。
输出功率的测试与调整
扩音机的额定输出功率,在使用说明书上均已标明,使用和测试时,都应以此为标准。

1.测试方法:测试线路见图7。测试扩音机的额定输出功率时,应满足下述两个条件:①假负载R\(_{L}\)必须与扩音机的输出阻抗相匹配;输入信号电平应符合要求;电源电压为220伏±5%(50赫)。②当输出功率达到额定值时,失真度、噪音电平、信号输入灵敏度均应符合指标要求。
对于GY2×275瓦扩音机来说,在240伏输出端应配接的假负载阻抗为
R\(_{L}\)=U0\(^{2}\)P\(_{0}\)=2402;275≈209(欧)。
当各项工作准备好以后,可按顺序打开低、高压开关,并由音频信号发生器输出一个0.775伏(0分贝)的400赫或1000赫的信号,加到扩音机输入端。逐渐开大扩音机的音量电位器,观察输出端的电压表是否能达到额定输出电压和最大输出电压。根据输出电压,可计算出输出功率,其计算公式为P=\(\frac{U}{^{2}}\)R\(_{L}\)。如果实测输出功率不小于指标规定的额定功率,就算符合要求。
在测试的同时,必须监视末级功放管屏极电流,使其不超过规定值(可参考机器说明书)。末级功放管屏极直流高压也不应低于规定值。此外,还应用示波器监视输出波形,看有无失真、交流干扰等现象。如果存在严重失真或干扰,应测试失真度、噪声电平等指标,使这些指标符合要求后,再重测额定功率。
如果屏极直流高压为E\(_{a}\),屏流(额定功率输出时)为Ia,则屏极直流输入功率为
P\(_{DC}\)=Ea·I\(_{a}\);
直流输入功率P\(_{DC}\)与额定输出功率P0之比为功放管屏极效率,即:
η=P\(_{0}\)PDC×100%;
每只功放管的屏极耗散功率为
P\(_{a}\)=PDC-P;η\(_{B}\);2。
式中P为扩者机实测输出功率;η\(_{B}\)为输出变压器的效率。实测屏极耗散功率不应大于手册中规定的屏耗。
应该注意,扩音机额定功率的测试时间不可太长,一般不要大于1分钟。如需延长时间,可分为几次来测试。
2.输出功率的调整:经过测试,如果输出功率没有达到额定值,可参照下述办法进行调整。
①扩音机的输出阻抗如果与负载阻抗不匹配,负载重时输出电压太低,负载轻时输出电流太小,都会使输出功率达不到额定值。应调整负载电阻,使其达到规定值。
②末级功放管直流屏压低,造成输出功率不足。原因可能是高压整流管衰老。如果管子衰老引起高压降低10%,就应更换整流管。如果是滤波电容失效(此时扩音机产生交流声)或是高压变压器有局部短路,也会使输出高压降低,应更换滤波电容或修理高压变压器。
③TY250—1000型和GY2×275瓦扩音机末级均采用两只FU-5做推挽放大,如果直流高压和末级激励电压均正常,只是屏流小引起输出功率降低,则可能是功率管衰老,可用机架面板上的屏流表测量每只管子的屏流。无信号输入时,每只FU-5的静态屏流应为70~90毫安;在满信号时,每只管子的屏流应为180~210毫安。如果屏流低落很严重,说明管子衰老,需更换。
输出变压器和输入变压器产生局部短路,也是常常造成输出功率降低的原因。可按以前本刊讲过的一些办法检修。
④如果末级工作正常,只是FU—5栅极至栅极激励电压不够(TY250—1000型和GY2×275型扩音机末级激励电压为160~180伏),说明故障在前面。原因可能是:(a)推动变压器初级有半臂断线,使变压器次级输出电压降低;(b)次高压太低。可测量6P6P的屏压和帘栅压是否合乎规定值。如果低落很严重,则可能是次高压整流管5Z3P衰老或次高压滤波电容失效。换一只新的5Z3P或并联一只新电容器试试,如果次高压有所提升,则更换新元件即可。(c)如果次高压正常,可用电子管测试器检查6J8P和6P6P是否衰老,也可用万用表测量两只管子的阴极电流,比如6P6P×2阴极电流正常值为75毫安,如果远低于这个数值,说明管子衰老,应更换。(d)由于使用时间较久,一些电阻元件变值,阻值增大,引起管子工作点变化,使得输出功率减小。例如:6J8P的屏极电阻R\(_{2—5}\)、R2—22和帘栅极电阻R\(_{2—4}\)、R2—21阻值增大,电阻上的直流压降增加,屏极和帘栅极上的直流工作电压下降,屏流减小,屏阻R\(_{p}\)提高,这一级的增益A就会下降(增益A=μReR\(_{p}\)+Re)。R\(_{2—2}\)、R2—3、R\(_{2—18}\)、R2—20阻值增大,负自给偏压增大,也会使输出功率减小。(待续)(龙广具)

