本刊1976年第10期曾介绍过利用三根电极控制水位的方法,因为水是一种无强烈腐蚀作用的导电液体。但是有一些液体,诸如汽油、柴油、盐酸、硫酸等,它们有的不导电,有的具有强烈的腐蚀作用,都不能象水那样利用电极来控制液面。那么,用什么方法来控制这些液体的液面呢?

首先让我们看一个现象(如题头图)。拿一根φ8~φ10毫米的空心玻璃管,滴上一点水让它形成一个水泡,然后放在灯光下看整根玻璃管的阴影。这时我们发现,玻璃管无水泡处阴影是黑暗的,有水泡处阴影反而是明亮的。这是因为在无水泡处灯光沿玻璃管壁散射,管子的背后受光弱,形成黑影;有水泡处玻璃管内充满了透明的液体而成为一个圆柱透镜,灯光通过圆柱透镜聚光,管子背后受光强形成亮影。这样,光的“亮”和“暗”反映了液体在玻璃管中的“有”和“无”,我们就可以通过光电效应将这种光信号转变成电信号来控制液位了。


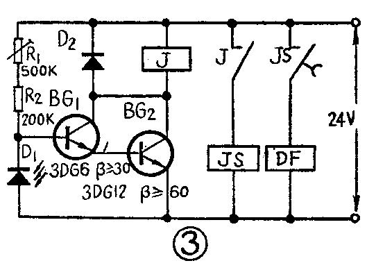
图1是一个柴油机试验油箱的液位控制装置图。DF是控制进油的电磁阀。油箱的一侧有一根能显示油位的透明玻璃管,玻璃管上套有一个如图2所示的,由一个小灯泡和一个光电二极管组成的光电头。图3是它的电路原理图。当油位低于A面时(参看图1),光电二极管受光弱,呈现电阻大,BG\(_{1}\)、BG2组成的复合管导通,继电器J吸合,延时释放继电器JS也吸合,电磁阀DF打开,油源往油箱注油。当油位上升超过A面时,光电头所在的玻璃管处也充满了油。此时光电二极管受光强,呈现电阻小,BG\(_{1}\)、BG2截止,J释放,因JS释放有一过程,故油源继续注油,当油面上升h后,JS延时完毕释放,DF关闭,停止注油。

在图3所示电路中,D\(_{1}\)是光电二极管,为2CU2E。D2是保护二极管,可选2CP11。继电器J为JRX—4型,24伏。JS为JS7—A空气式或JJS1晶体管式。液面上升高度h可以通过调节JS的延时时间或是DF的流量大小来确定。对于不同的液体,可以调节上偏置电阻R\(_{1}\),使得有液体时继电器吸合,无液体时继电器释放。

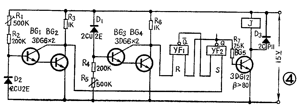
锅炉水位控制在使用“电极法”时,电极在水蒸气和高温高压影响下,使两根电极之间在没水时也呈现出一定的电阻,从而造成误动作,如果改用光电效应来控制,可以提高可靠性。图4是锅炉自动上水控制电路图。在锅炉的水位表上装2个光电头,水位上限为光电二极管D\(_{1}\),水位下限为光电二极管D2。当锅炉内没有水时,D\(_{1}\)、D2均受光弱,呈现电阻大。这时,BG\(_{1}\)、BG2导通输出“0”电平,送到由两个HTL与非门YF\(_{1}\)、YF2组成的RS触发器的S端;BG\(_{3}\)、BG4截止,输出“1”电平到R端。于是RS触发器Q-端输出为“0”;Q端输出为“1”,使BG\(_{5}\)导通,继电器J吸合,上水泵开始工作。当水位上升没过D2时,D\(_{2}\)受光强,呈现小电阻,BG1、BG\(_{2}\)截止,输出“1”电平,而BG3、BG\(_{4}\)输出不变仍为“1”,在这种情况下RS触发器保持不变,水泵继续上水。当水位上升至D1,BG\(_{3}\)、BG4由截止变为导通,输出“0”电平,这时R端输入为“0”,S端输入为“1”,于是RS触发器翻转,Q-端输出为“1”;Q端输出为“0”,使得BG\(_{5}\)截止,继电器J释放,水泵停止工作。当用水负荷使水位下降到D1以下时,BG\(_{3}\)、BG4又截止输出“1”电平,RS触发器R、S端输入均为“1”,保持不变,水泵仍不工作。当水位下降到D\(_{2}\)以下时,BG1、BG\(_{2}\)又导通输出“0”电平,此时RS触发器R端输入为“1”,S端输入为“0”,电路翻转,Q-端输出为“0”,Q端输出为“1”,使BG5导通,J吸合,水泵又开始工作。
图4电路的调试:当水位到达D\(_{1}\)时,调节R5使继电器J释放,当水位到达D\(_{2}\)时,调整R1使J吸合。J为控制上水泵工作的继电器,可选用DZ—144型。
对于一些有色液体,只要是透明的,甚至熔化了的糖浆,都可应用光电效应来实现液位控制。(新疆 龚斌)