大家都有体会,为烧一壶开水,有时要一、两次去厨房看看水是否开了,若不留神,还会发生把水烧干或水开溢出后把火熄灭的情况。为解决这个问题,我们制作了这个小仪器,把它的感温元件插在壶嘴里,当水烧开后,它就发出音频信号报警,告诉你,水开了!
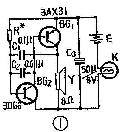
这个小仪器线路见图1。其中两只三极管与C\(_{1}\)、C2、R组成音频振荡器,音频信号通过喇叭发出。调节R,可以改变音频频率。电源开关K是一个感温元件。当温度达到某一预定温度(比如烧开水应是100℃)时,它把振荡器的电源接通,振荡器工作,发出报警音频信号。温度未达到时,振荡器电源是断开的,所以振荡器不工作,不消耗电源。

在这个电路里,因为BG\(_{1}\)、BG2组成的是互补电路,所以要求一个用PNP型晶体管,另一个用NPN型晶体管,它们的β值大于20就可以用了。R一般取10千欧左右。C\(_{1}\)、C2的容值比图中数据稍大些也无妨。感温元件是用废旧日光灯的氖泡中的双金属片作的,要把氖泡的玻璃外壳打碎后取出。电源用二节五号电池。
安装时先找一块胶木板或印刷板,中间挖一个孔,嵌入喇叭的磁钢,其余的元器件分立在磁钢周围。
调试时,R可用一个电位器和一个电阻串联后代替,接到线路中R处,电源开关可用一短路线代替,这样接上电源后,调节电位器,使振荡器振荡且音调合适,然后换上同阻值的电阻。
感温元件的调试,先把双金属片间的间隙调到约1毫米,用引线把它们接到音频振荡器上,取一只100℃温度计与双金属片置于同一火上烘烤,当温度上升到约为100℃时(这个温度可自行选择),调整双金属片的间隙使其接通,这时喇叭应发出音频叫声,双金属片的间隙就算合适。若没有温度计,也可以将双金属片装在一个铜管里,插入开水中,调整双金属片的间隙使其接通。调整好后,将双金属片封入一个直径约为10毫米、长约为240毫米的铜管或其它金属管中,如图2所示,内衬一层云母片,防止金属片与外壳短路,封口用锡焊牢封闭,不能透水,否则水气进入管内会使双金属片氧化失效。在封口处安一木柄,感温元件引线从木柄穿出接至振荡器。这段引线长短视需要而定。

调试好后,把线路部分的元器件及胶木板装入一合适的塑料盒内固定在室内合适位置,把感温元件放在厨房。烧开水时,把装有感温元件的铜管插入壶嘴里即可。这个小仪器用电很省,工作时整机电流只有十几毫安。二节五号电池可用半年以上。(王达)