在更换高音喇叭的音圈时,判断音圈位置是否正确,往往比较麻烦。本文介绍一种通过检测音圈振动时所受阻尼的情况来确定音圈正确位置的方法。
检测器原理
假若我们给一个安装正确的高音喇叭的音圈通一直流电流I\(_{0}\),音圈在磁场中就会运动,偏离原来平衡位置一个距离,设这个距离为S。如果在某一时刻断掉I0,音圈在磁场内就会做自由振动。我们知道,音圈在磁隙内振动时可能受到三种阻力:一是电磁阻尼,这种阻尼在外电路闭合时影响严重。在检测音圈位置时,由于外电路电阻较大,这个阻尼可以忽略;二是空气阻尼,对于安装正确的音圈来说,这个阻尼起主要作用。对于某一音头来说,这个阻尼是确定的;三是摩擦阻尼,这种阻尼是由于音圈和磁极摩擦而造成的,因此它只在音圈位置安装不正确时才存在,位置偏差越大,这个阻尼越大。音圈在自由振动过程中受到阻尼后,开始做逐渐衰减的自由振动,阻尼越大,衰减越快。根据电磁感应定律,音圈在磁极中间做切割磁力线的运动时,音圈两端会产生交流感应电动势e,e的最大振幅E\(_{max}\)和音圈通入I0后偏移的距离S成正比。通过实验证明,在10毫秒左右的时间内,交流感应电动势的振幅就会衰减到很小很小。我们把这个交流感应电动势取出来,经过放大和整流,就会得到一个平均电流I\(_{go}\)。如果音圈位置安装得不正确,则摩擦阻尼将使S和Emax都减小,而且e的振幅衰减得更快,其后果是I\(_{go}\)减小。所以,要想知道音圈放得是否正确,只要检测Igo就行了。I\(_{go}\)最大,对应阻尼最小,也就是音圈放置得正确。
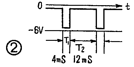
检测器的电路见图1。BG\(_{1}\)、BG2组成多谐振荡器,产生一个如图2所示的矩形波。在T\(_{1}\)时间内,BG2截止,uA接近于电源电压,使BG\(_{3}\)导通从而使BG4也导通,于是被测音圈L得到电流I\(_{0}\)。在T2时间内,BG\(_{2}\)饱和导通,uA上升到接近零电位,于是BG3截止从而使BG\(_{4}\)也截止,I0被切断,音圈开始做衰减振动,产生感应电动势e。BG\(_{5}\)的工作点选在接近饱和区的边缘,e的各个正半周通过R9、D\(_{1}\)加到BG5的基极,就能被BG\(_{5}\)放大。下一个T1开始后又重复上述过程。BG\(_{5}\)的输出电压通过C3耦合到下级,经过D\(_{2}\)、D3整流,又经过BG\(_{6}\)直流放大,从电流表G上就能读出Igo大小。

T\(_{1}\)、T2可照一般多谐振荡器设计,即T\(_{1}\)≈0.7R2C\(_{1}\),T2≈0.7R\(_{1}\)·C2。由于所带负荷较大,计算值与实际值有偏差。按图个数据,实际测得T\(_{1}\)=4毫秒,T2=12毫秒,相当于重复频率为63赫。T\(_{1}\)=4毫秒可保证音圈达到最大位移;T2=12毫秒可保证取足够多的e的正半周。提高多谐振荡器的重复频率,可使I\(_{go}\)增大。

安装、调整和使用
因为音圈感应电势的频率和多谐振荡器的频率都较低,且晶体管工作于开关状态时功耗不大,所以原则上可使用各种小型高频管和低频管。BG\(_{6}\)要挑选穿透电流较小的管子,否则电流表有一个较大的起始电流。
D\(_{1}\)、D2、D\(_{3}\)可使用2AP型管子,反向电阻要大,特别是D1。
应该指出,这个仪器对音圈的检测情况不能完全准确地反映音圈的实际工作情况。比如,25瓦16欧高音喇叭在满功率工作时音圈电流为1.25安(有效值),远远大于I\(_{0}\),所以音圈在振动幅度较大时是否与磁极相碰,用仪器就测不出来。从这一点考虑,I0就以选大一点使其更接近实际情况为好,这样可以检测得更准确,但缺点是此时电源消耗也增大。由于I\(_{0}\)较大,在测试过程中还可能把音圈烧坏。因此,I0的大小应综合各种条件恰当地选择。实践证明按图1数据来安装,就能获得比较满意的效果。图中R\(_{6}\)、R7是用来防止L\(_{上}\)、L下不慎短路时烧毁BG\(_{4}\)的。调整R6、R\(_{7}\)数值可改变I0的大小。当L\(_{上}\)、L下之间接16欧喇叭时,I\(_{0}\)的平均值约为30毫安,整机平均电流约为40毫安,用一号或二号电池供电完全可以。
BG\(_{5}\)的工作点必须调整在接近饱和区的边缘,其目的是为了消除表头的固有读数,提高检测时的准确性。固有读数是怎样形成的?例如,在T2时间内,BG\(_{4}\)截止,假设在L上与地之间接有16欧电阻,此时D\(_{1}\)是导通的,BG5基极的下偏置电阻近似为R\(_{9}\)∥R10(D\(_{1}\)的正向电阻和接于L上、L\(_{下}\)之间的16欧电阻很小,可以忽略);由T2过渡到T\(_{1}\)时,BG4导通,L上点对地有一个负压,D\(_{1}\)截止,此时BG5基极下偏流电阻R\(_{1}\)0>R9∥R\(_{1}\)0,BG5的基极电位降低,I\(_{c5}\)增加,BG5此时将有交流电压输出,使表头存在一定的读数,叫做“固有读数”。如果将BG\(_{5}\)的工作点调整在接近饱和区的边缘,就不会存在这个问题。例如当在由T2过渡到T\(_{1}\)时,尽管BG5基极下偏流电阻增大,促使BG\(_{5}\)的集电极电流Ic5增大,但由于BG\(_{5}\)的工作点已接近饱和区,Ic5不会再增加了,这样就消除了固有读数的影响。应该注意,BG\(_{5}\)的工作点也不能饱和太深,否则音圈感应电势e的正半周不能使Ic5显著减小,会降低测试的灵敏度。调试时,可把电子管毫伏表接在BG\(_{5}\)集电极与地之间,L上与L\(_{下}\)之间先接16欧电阻,调整R8,使毫伏表读数为20毫伏左右,再将16欧电阻换成正常的音头,读数为720毫伏左右即可。BG\(_{5}\)刚好饱和时,Ic5大约为3毫安左右。
对于元、器件的排列和安装没有什么特殊要求。表头和带开关的电位器(R\(_{12}\))装在面板上,电位器旋钮的位置可分成十等分。外接被测喇叭音圈的两条线应该用隔离线,并在头上焊上两个夹子,这样使用起来更方便。
仪器使用方法很简单。先接好音头,接通电源开关K,这时音头便会发出交流哼声。然后逐渐开大电位器,使表头指针偏转在满度的\(\frac{2}{3}\)左右,调整音圈位置,使表头读数最大。如果读数太大,超过量程,可将旋钮适当退回。在上紧螺丝的过程中,若读数显著变小,则应重新调整。例如在测某型号的音头时,可先记下音圈位置正确时旋钮的位置和表头的读数范围,以此为根据就可判断出其它被测音头的音圈位置是否已放正确。表头读数在某一定位置时,旋钮的位置指示越小,说明音头质量越高。(吴乃龙)