各中放管集电极、基极串联的电阻,如2R\(_{11}\)、2R7等,是为了稳定调谐回路参数之用,因为信号大小变化时,特别是大信号被限幅时,由于管子的工作状态和参数发生较大的变化,而使管子的输入、输出阻抗有较大的变化,会引起回路失谐,串联这些电阻后,其影响就可减小。这些电阻还有消除寄生自激的作用,使放大器稳定性提高,但增益将有所损失。
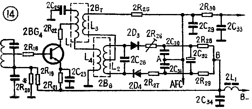
3.鉴频电路——经过放大的中频信号最后进入鉴频器。鉴频器的作用是从调频波中检出音频信号。鉴频器有多种,在收音机中常用的是比例鉴频器,见图14。由于调频波没有幅度的变化,因此用一只二极管像调幅检波那样就不能检出音频信号,而必须先把调频波变成有幅度变化的调幅调频波,然后再把振幅变化的音频信号检波出来。
鉴频器先由一级放大器2BG\(_{4}\)放大。鉴频线圈2B7\(_{8}\)不同于一般中频变压器,它是将调频波转变为调幅调频波的关键部分,而后面的二极管和电阻电容则和一般调幅检波器的作用相同。L1和L\(_{2}\)各为初、次级回路的电感,分别和各自的回路电容调谐在中频频率,初、次级回路通过L4有较弱的耦合。L\(_{3}\)和L1则有很紧的耦合。在任何频率时,L\(_{3}\)上的电压U·3都和L\(_{1}\)上的电压U·1同相位。L\(_{3}\)的一端接在L2的中心点,因此,加在两个二极管上的电压U\(_{d3}\)和Ud4分别为L\(_{3}\)上的电压U·3和L\(_{2}\)上电压降U·2的一半的矢量和,因为U·\(_{3}\)和U·2不是同相位的电压,所以不能直接相加(参看图15)。


当输入的中频信号没有频偏,即f=f\(_{0}\)时,如果L1中有电流I·\(_{1}\)和电压降U·1,我们知道,电感上的电压降总是导前电流90°的,而在次级线圈L\(_{2}\)中感应出来的电动势E·2也总是比I·\(_{2}\)导前90°的,所以U·1和E·\(_{2}\)同相位。次级对E·2来说是一个串联谐振回路。在谐振状态下,由E·\(_{2}\)产生的电流I·2和E·\(_{2}\)同相位,而I·2流过L\(_{2}\)产生的电压降U·2则仍比I·\(_{2}\)导前90°,所以U·2和U·\(_{3}\)相差90°,其矢量相互垂直。因L3接在L\(_{2}\)中点,故图上U·3位于U·\(_{2}\)的中点为起始点。这时加在两个二极管上的合成电压U·d3和U·\(_{d4}\)相等,见图15(a)。检波后在A点和B点的电压相等,AB之间没有信号输出,只是在电容2C32上充有一个直流电压U\(_{0}\)。当中频信号有频偏,设f>f0时,这时次级回路处于失谐状态。我们知道,串联谐振回路里当频率高于谐振频率时,阻抗呈感性,I·\(_{2}\)就不和E·2同相,而是落后E·\(_{2}\)一个角度,但U·2始终和I·\(_{2}\)保持90°,所以U·2要向顺时钟方向旋转一个角度,见图15(b)。于是合成电压U·\(_{d3}\)大于U·d4,流过2C\(_{3}\)0的瞬时电流比流过2C31的瞬时电流要大,使A点电位比起f=f\(_{0}\)时变高。但2R28和2R\(_{29}\)两端被一只大电容2C32所并联,具有很大的时间常数,瞬时电压的变动并不会使U\(_{0}\)变动,而2R28和2R\(_{29}\)大小相等,故B点电位仍不变,于是AB之间就有一个瞬时正电压,在一定范围内,f比f0偏离愈高,这个正电压也愈大。
反过来,当有负的频偏,即f<f\(_{0}\)时,则次级回路也失调,但呈容性阻抗,I·2超前E·\(_{2}\)一个角度,使U·2向反时针方向转一个角度,从而使合成电压U\(_{d3}\)小于Ud4,AB之间将出现负的瞬时电压,见图15(c)。
由此可见,AB之间瞬时电压的振幅大小、正负以及变化速度是随频偏的大小、方向以及变化速度而变,也就是与调制频偏的原音频信号相一致,于是完成了调频波的检波。
当本振频率飘移,中频信号的载波对中频变压器和鉴频器的调谐回路有固定的失调时,两个二极管上也加有固定的差异的电压,因而AB端输出一个额外的固定直流电压。这个直流电压被反送到自动频率微调(AFC)电路,控制变容二极管1D\(_{1}\)来纠正本振的频飘需要注意的是,鉴频器AB端输出的直流电压的正负极性是随两个二极管和线圈L3等的连接方向有关。如果接错了,AFC就适得其反,使得本振频率加大漂移而不能正常收音。遇到这种情况,只要将两只二极管反一个向,或是将L\(_{3}\)对调一下接头就可解决。调试中可先不加AFC调到电台,然后加上AFC,若电台不飘移,并再重调一下电台,如感到调谐点和失调点之间的距离比前加宽了,说明连接正确。
AFC电路并不是必须的,在一些简易机中,或是本振做得非常稳定的高级机中,都可以省去AFC电路,免得调台时扳动AFC开关的麻烦。
鉴频器应该只对频率偏移起作用,而不应对载波振幅的变化起反应,这个作用是由2C\(_{32}\)来完成的。由于2C32的电容量很大,和2R\(_{28}\)、2R29在一起有较大的时间常数(约0.1秒),所以载波振幅的瞬时变化使U\(_{0}\)来不及变化而保持定值。这相当于检波器的等效负载电阻在作相反的变化,例如载波振幅突然变大时,输出电压本来也要相应变大,但在2C32中的充电电流加大而U\(_{0}\)又不变,相当于检波器的负载电阻变小了,使谐振回路的有载QL值降低了,于是导致鉴频器的增益降低,使输出电压仍保持不变。这叫做限幅作用。这种Q\(_{L}\)值相反的变化虽然是限幅的条件,但是变化的程度和鉴频器的传输系数是有矛盾的。为了照顾传输系数能较高,QL值变化的程度往往要超过应有的量值,使载波振幅变大时输出电压反而下降,反之亦然。这种现象叫做“过限幅”。为了纠正过限幅,我们在检波二极管和2C\(_{32}\)之间串入电阻2R26和2R\(_{27}\),使2C32只稳定检波直流电压的80%左右。由于2R\(_{26}\)和2R27上的电压变化是与载波振幅变化相一致的,正好用来补偿过头的部分,从而使回路Q\(_{L}\)值的变化程度和载波振幅的变化程度恰如其分。电阻2R26和2R\(_{27}\),其中有一只是可变的,同时兼作调整两组二极管电路达到平衡之用,以提高其限幅的性能。电阻2R25也能进一步减小两个二极管不平衡的影响。
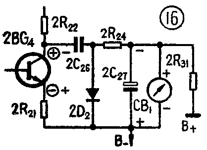
调频波段的调谐指示与调幅波段合用一只小电流表,随着波段开关同时转换(见图16)。没有电台信号的,通过2R\(_{31}\)给电流表一个固定的满度指示,当调到电台时,有中频信号输出,经电容器2C26从鉴频放大管2BG\(_{4}\)的集电极输出,当信号为正半周时,2D2导通,将正半周的信号短路;当信号为负半周时,2D\(_{2}\)不导通,信号从2BG4发射极→B\(_{-}\)→电流表负极→电流表正极→2R24→2C\(_{26}\)→2BG4集电极。同时,将2C\(_{27}\)充电;再正半周时,在2D2对正半周短路的同时,2C\(_{27}\)向电流表放电,流过电表的电流仍是由负到正。这时因2R24的存在,2C\(_{27}\)上充有的电不会被导通的2D2所短路。因此,当调到电台时,电流表的指示会减小,因为负电流部分地抵消了原来的正电流。电台调准时,中频信号输出最大,电表指示最小。这样,就和调幅波的调谐指示方式取得一致。由于2C\(_{26}\)的电容量很小,耦合很弱,故指示电路对鉴频器工作的影响不大。


鉴频器输出的音频信号经2C\(_{29}\)滤去中频信号,经2R30送到音频放大器去。2R\(_{3}\)0和2C33具有进一步滤除中频的作用,但它们更主要的作用是削减高音频率,称为去加重网络,这是为了改善信噪比,在发射台有意将高音频信号提升,称为“加重”。在接收时,再将高音频削减,回复到原来的平直特性,见图17。但经过这样一增一削,就可除去了许多高音频的噪声,改善了放音质量。
四、低频放大和电源电路
2241机的低放电路由低频输入电路、音调补偿电路、末级功放电路和放音系统等部分组成,装在一块印刷电路板上,代号为2241-5。
1、低频输入电路:这是由5BG\(_{1}\)、5BG2组成的两级低放电路。当调幅部分输出的检波信号或调频部分输出的鉴频信号经按键开关4K\(_{1}\)0b输入后,一方面通过4K11b、5C\(_{1}\)输入到5BG1;另一方面通过CK\(_{1}\)输出到录音机进行广播节目的录音。当“拾音”按键4K11按下时,4K\(_{11a}\)切断了调幅、调频的高、中频放大器的电源电压。这个电源电压为-6伏,从5C15负端引出;同时4K\(_{11b}\)切断了调幅、调频的输出信号线。此时,通过CK2输入录音机、电唱机等送来的音频信号能使低频部分放音。
低频输入电路的第一级为射极输出器(5BG\(_{1}\)),它无电压增益,但能提高输入阻抗。这对于减小检波失真,以及减小使用电唱机时由于唱头阻抗失配造成的失真和灵敏度跌落,是十分必要的。这一级的工作电流约0.2~0.3毫安。量5R2上的电压约6.5伏左右。5C\(_{2}\)为耦合电容。由于音量电位器W1装在该级的输出端,该级的输入信号的大小不能用W\(_{1}\)来控制,所以必须保证5BG1有足够的电压动态范围,一般要求输入信号小于500毫伏时5BG\(_{1}\)的输出没有明显的波形畸变。
低频输入电路的第二级为典型的阻容耦合功率预放级,对输入信号进行放大,其作用是补偿信号在音调控制电路中受到的损失(例如对1000赫中音有21分贝的衰减)。本级工作电流约为1毫安。5R\(_{7}\)上电压约0.2伏。5C5为高频反馈电容。5R\(_{3}\)为阻尼电阻,都是为了防止自激、稳定电路而设置的。5C3、5C\(_{8}\)为耦合电容。5C7为发射极旁路电容,对交流而言,它和5R\(_{7}\)并联。整个低频放大器的拾音器插口灵敏度不大于15毫伏。本机最大输出功率不小于4瓦,而不失真功率为1瓦,此时在输出负载(扬声器Y4)上输出电压为V=\(\sqrt{1瓦×8欧}\)≈2.83伏。因此,我们要求信号频率为1000赫、输出电压为2.83伏时,从“拾音”插孔的输入信号数值,即为实际的拾音器插口灵敏度值,要求此值不大于15毫伏。本机一般在10~15毫伏之间。
2、音调补偿电路:本机采用由高、低音电位器W\(_{2}\)、W3连续调节的音调控制器和由KZJ型五位四刀互锁直键开关5K\(_{1}\)~5K10组成的衰减式音调选择器。
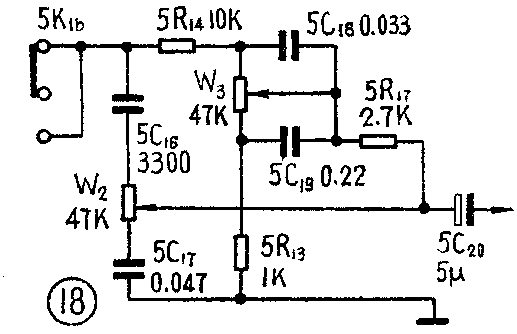
图2总原理图中所示位置是音调控制器进入工作的状态,即“手调”位置。此时5K\(_{9}\)、5K10按下,其余按键在原来位置,画出的等效电路简图见图18。这是一种常见的衰减式高、低音分别调节的电路。对低音而言,5C\(_{16}\)的电容量小,容抗大,可视作开路;起作用的是5R14、W\(_{3}\)、5R13、5C\(_{18}\)、5C19组成的低音调整网络。


当W\(_{3}\)调到最上端位置时,将5C18短路,此时更简化的等效电路见图19。低音可以经过由5R\(_{14}\)和其他元件组成的分压电路从W3、5C\(_{19}\)和5R13串联电路取出传到下级。低音频率越低,5C\(_{19}\)的容抗越大,大到一定程度可视作开路,从W3和5R\(_{13}\)串联电路两端取出的电压最大,此时低音提升最大。当低音信号频率升高时,5C19的容抗减小,减小了电路的分压比,即箭头与地之间的电压与5R\(_{14}\)上电压之比,低音提升减少,频率更高,分压比更小,低音提升得更少。
当W\(_{3}\)在最下端时,5C19被短路,电路简化为图20。对低音频而言,5C\(_{18}\)容抗大,频率越低,容抗越大,当频率很低时,5C18可视作开路,此时分压减到最小,从5R\(_{13}\)上输出的电压最小,低音衰减最大。当低音频率逐渐增高时,5C18的容抗减小,它和W\(_{3}\)并联,旁路作用增大,分压比提高,低音衰减变小。
从以上分析可知,W\(_{3}\)的滑臂在上端的某一位置和下端的某一位置时,可以改变图19和图20的分压比,从而决定低音提升或衰减的程度。对高音而言,5C18、5C\(_{19}\)因电容量较大,可以看作短路。当W2在最上端时,等效电路见图21。由图可见,5C\(_{16}\)对高音频阻抗小,对中、低音频阻抗大,高音频可以顺利通过5C16传至下级,相对提高了高音,当高音频率很高时,5C\(_{16}\)可视作短路,输入信号的全部电压传至下级,提升量最大。在高音频时5C17的容抗和W\(_{2}\)相比很小,可以忽略不计。当W2调到最下端时,此时等效电路见图22。由于W\(_{2}\)的阻值较大,阻止了高音频信号的通过,加上5C17又对高音频信号旁路,所以高音衰减。5R\(_{17}\)是隔离高音网络和低音网络的互相影响之用。电路对中音频(如1000赫)在最理想的时候与电容无关,仅决定于5R13和5R\(_{13}\)加5R14电路的分压比。



整个网络的频率特性见图23的曲线①②。其中曲线①为W\(_{2}\)、W3都位于最上端位置时的特性;曲线②为W\(_{2}\)、W3都位于最下端时的特性;所包括的阴影部分就是可调范围。测量时以1000赫为参考频率,高、低音的提升或衰减均相对于1000赫而言。对一级台式收音机的音调控制器要求应能平滑地调节,1000赫时的变化应小于3分贝;在100赫时调节范围不小于10分贝;在4000赫时调节范围不小于12分贝。在设计音调选择器时,不但每个项目的频率特性要做到所需的形状,而且要求音量基本不变,不致于在转换项目时音量发生显著变化而要重调音量电位器。

当音调选择器工作时,音调控制器(即“手调”档)不起作用。如当5K\(_{1}\)、5K2按下时,即是“语言”位置。语言的频带较窄,主要是中音和一些高音。为了提高清晰度,应将低音削减,同时为了消除噪声,应将多余的高音切除,其频率特性见图23的曲线③。在电路上是这样实现的。5K\(_{1}\)、5K2按下时,因为是互锁按键,其余按键在原来位置,它使W\(_{2}\)、W3接成为最上端位置,即高、低音都相对提升的位置,此外还加上了5C\(_{9}\)、5C10,5R\(_{13}\)换成了5R9(见图24)。5C\(_{9}\)串联在回路的输入端,对低音增加阻力,削减低音。5C10并联在输入端,对高音旁路,减少多余的高音。实现了高、低音切除。5R\(_{9}\)之值大于5R13,提高了中音放大倍数约5分贝,使总的音量保持基本不变,这样能实现图23曲线③的频率特性。

当5K\(_{3}\)、5K4按下时,即是“演唱”位置,适合于收听配乐独唱、独奏、京戏等。其放音频带比“语言”时宽,可以将高、低音相对中音提升3~5分贝,而对中音1000赫的提升则比“语言”时略为减小,以维持总音量不变,等效电路见图25。频率特性见图23曲线④。在电路上是这样实现的:5K\(_{3}\)、5K4按下时,其余按键回到原来位置。此时5C\(_{9}\)上并联了5C11,减小对低音的阻力,略提高低音;5C\(_{12}\)代替了5C10,容量比5C\(_{1}\)0小一倍,对高音的旁路作用减小,略提高了高音;5R10代替5R\(_{9}\),略降低了中音。这样便实现了图23曲线④的特性。

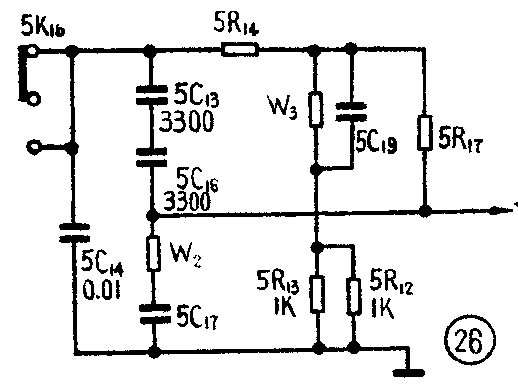
当5K\(_{5}\)、5K6按下时,即是“低音”位置,大幅度提升低音,以收听舞蹈音乐等低音特别丰富的节目。等效电路见图26。频率特性见图23曲线⑤。5K\(_{5}\)、5K6按下时,其余按键回到原来位置,低音时和W\(_{3}\)提升情况相同;高音时是5C14并在电路的输入端,使大部分高音切除,5C\(_{16}\)上还串接5C13,对高音阻力增大,更削减高音;中音时5R\(_{13}\)和5R12并联,适当降低中音。实现了曲线⑤的特性。若感音量不足,5R\(_{12}\)可以不接。当5K7、5K\(_{8}\)按下时,即是“管弦乐”位置,适合收听交响音乐或民乐合奏,高、低音都提升,音域较宽,此时频率特性和图23曲线①相同。电路即是“手调”时W2、W\(_{3}\)在最上端时情况。当5K1~5K\(_{1}\)0各键都不按下时,电路也是“管弦乐”工作状态。

音调补偿电路中,5K\(_{1b}\)、5K4b始终是短路连接。这两个开关的作用是防止按“语言”或“演唱”按键时发生音量的突然增大。例如,当按下5K\(_{1}\)、5K2时可能使开关弹片按过头,使5K\(_{1a}\)的中点脱离弹片,促使在按弹的一瞬间5R9不能接入电路,以致音量特别大。然而由于5K\(_{1b}\)同时动作,其中点也会脱离弹片,使音调补偿电路的输入端开路,前级信号不能使扬声器放音,从而避免上述毛病出现。(待续)(北京无线电厂2241设计小组)