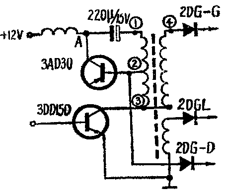
问:有几台孔雀牌KQ—9A、B型23厘米电视机,行输出级直流供电二极管采用1Z2、2DP5等型号的管子,使用不久此二极管被击穿,造成无光栅,因手头无质量较好的此类二极管,用什么管子可以代替?

答:早期出厂的孔雀牌KQ—9型电视机,行输出级直流供电二极管(也称升压二极管)大多数使用1Z2、2DP5型管子,也有使用2DN、2CN1A型管子的。在维修中,发现此类管子容易被击穿。击穿后表现为有伴音无光栅。如果手头没有质量较好的这类管子,可用废3AD30A—C三极管代替。要求3AD30的BV\(_{CBO}\)为50~70伏,用其bc结代替直流供电二极管,提升电压可达24~28伏。我们在数台机器上进行过试验、用3AD30的bc结代替直流供电二极管后,连续开机四小时,管子的温升正常,光栅、图象都较满意。具体接法如图所示,将3AD30的发射极切掉,集电极用一焊片固定好焊接在+12伏一端(A点),基极接在行输出变压器的第二个接点即可。(史殿玉答)
问:在上海牌116型和北京牌827型电视机中,有一种RF—330—1—3.6的元件,它在电路中起什么作用?可用什么元件来代替?

答:这种元件叫压敏电阻,它是一种电流随电压非线性变化的半导体电阻器,它的U-I特性曲线如图所示。在RF—330—1—3.6中,RF表示压敏电阻(现在改为RM),330为标称电压(伏),1为额定电流(安),3.6为非线性系数。在电视机中,压敏电阻起稳定行幅和场幅的作用。如果没有压敏电阻,可在接压敏电阻的地方用电阻(几十千欧)和电容(几千微微法)并联后来代替。(天津无线电厂编审组答)
问:晶体管收音机能否加接音调控制电位器?怎样接法?

答:一般晶体管收音机因电路较简单,扬声器口径小,收听时音质往往不能令人满意。因此,除了在收音机中改换较大口径的扬声器外,同样能在电路里加接音调控制电位器来改善音质。音调电路有一种办法是加在收音机低放部分(见图)。电容器C\(_{6}\)的容抗随频率增高而减小,所以用它来衰减高音频信号,相对地也就提升了低音频信号,使收音机的低音变得较为丰富。但电容器C6的容量不宜过大,太大了会使高音频信号衰减过多,使声音闷塞。电位器R\(_{6}\)是用来控制衰减高音频信号的程度,旋动电位器R6,就能得到不同的音质效果,以适应各种节目的收听需要。(花维国)
问:有一台上海160-A型交流收音机,电源变压器发热,是不是电源变压器损坏了?
答:这种收音机的电源变压器损坏往往是静电隔离层被击穿。可以拔去整流管6Z4,测量6Z4管插座的1、7脚到地的交流电压,正常电压都应为235伏左右,如果两组都较低或一组较低,则证明变压器的高压绕组短路。另外,初级线圈与铁心和静电隔离层之间短路,也会造成发热的现象。可以用万用表的高阻档测量初级线圈与底板之间的漏电电阻,应大于2兆欧,否则就有问题。(于长波)
问:有一台L601磁带录音机,近来发现消磁不净的毛病,请问如何解决?
答:录音机消磁不净一般有三个原因:①录音信号过强;②磁带与消磁头贴的不紧;③消磁电流太小。如果经检查不属于前两种原因,则是消磁电流太小消磁电流取多大为好?这要具体根据磁带和磁头的情况来决定。一般说来消磁电流调大一点为好,但太大了会使消磁头发热。调整偏磁电压就可以控制偏磁电流,L601录音机偏磁电压一般在90~130伏之间,如果电压相差太大,可调整电容器C\(_{26}\)。(刘昌科答)
问:有一晶体管收音机,更换双连后,短波收音正常,中波电台移至1000千赫以上,什么原因?
答:如果没有接错双连的话,可能是换上去的双连电容量较原来大,这样低端电台就会上移,在短波段也同样上移了,只是因为短波段电台挤,有时频率界限也不像中波段那样熟悉,所以听起来不明显,而中波段就明显地上移。这时应更换上合适的双连电容或想办法改变一下双连的电容量、调整中振线圈或半可变电容,以达到效果满意为止。(上无三厂编审组答)