三、调频高、中频电路
本机的调频波段,是用来收听88~108兆赫的超短波波段的广播,电台信号采用频率调制的方式,其传输特性和电视伴音相似。
调频信号的振幅不变,只使载波频率向高、低两边偏移,其频偏的程度依音频调制信号的振幅而定,而每秒频偏的次数则与音频调制信号的频率相同。调频广播比起调幅广播,具有很好的抗干扰性能和很宽的频率特性,能获得传真度较高的放声质量。
本机调频波段电路分装在二块印刷电路板上:第一块为调频的高频部分(代号2241—1),包括输入电路、高频放大器、混频器和本机振荡器,组成一般超外差式高频电路,或称为高频头;第二块板为调频的中放部分(代号2241-2),包括三级中频放大器和比例鉴频器。




1.调频高频电路——自天线传来的调频广播信号,先进入由1L\(_{1}\)和1C1组成的输入回路(图8)。这是个固定谐振回路,其谐振频率大致为波段的中间频率。为了使整个调频波段的电台频率都能通过,它的谐振特性不应尖锐,而要有够宽的通带,这只要降低回路的Q值便可做到。由于共基极高放的输入阻抗很低,只有50欧左右,我们把它通过耦合电容1C\(_{2}\)直接接在输入回路的顶端。此外,不平衡式的拉杆天线在拉到电台频率的1/4波长,接收效率最好的时候,天线阻抗也只有75欧左右。它通过1L1的变换和高放级的输入阻抗相匹配。因此,输入回路被两个50欧左右的阻抗所并联,有载Q值就很低了,使得谐振特性很平坦,如图9。故整个波段频率的传输基本上是均匀的。这种不调谐式的输入电路结构简单,高频头只要用双连可变电容器就行,但它的选择性较差,对中频和像频等干扰信号的抑制能力不好。本机开始生产时采用了这种电路,为了改善抗干扰性能,将要采用调谐式的输入电路,用三连可变电容器,其电路如图10。由于对各个电台频率都能调谐,回路的谐振特性就可以做得尖锐一些,故把高放输入端从线圈的抽头接入。或者也可采用电容分压的形式,如图11。而天线耦合线圈1L\(_{1}\)的初级的圈数也相应减少。这样,就减小了负载阻抗对回路的影响,提高了回路的Q值。对于抗干扰能力要求更高的收音机,还可以采用四连以上的可变电容器,使输入回路和高放回路有多个调谐回路。
信号通过耦合电容1C\(_{2}\)进入高放级。高频放大器由1BG1接成共基极放大电路。一方面它的输入阻抗较低,易于和天线(75欧)匹配;另一方面,集电极和发射极之间的反馈电容较小,工作较为稳定,而且当管子用在较高的频段时,由于管子内部的固有反馈在共基时为正反馈,在共发时为负反馈,共基电路比共发电路能获得较高的增益。高放管的负载是由1L\(_{2}\)、1C5a、1C\(_{6}\)、1C7组成的一个可调的谐振回路,具有一定的选择性和抗干扰能力。回路采用高、低端二点统调,但由于输入回路谐振于中间频率,故整个频率范围内增益是均匀的。电阻1R\(_{3}\)是防止自激和减小管子的电抗对谐振回路的影响之用。
高放管的固定偏流由第一中放管集电极的正电压通过二极管2D\(_{1}\)和滤波电路2R6、2C\(_{7}\)和2C35、1R\(_{2}\)、1C3等供给。由于基极所加正偏压较大,管子基本上接近饱和导通状态,c、e之间的电压基本上接近管子的饱和电压,绝大部分电压都降落在发射极电阻1R\(_{1}\)上;又由于发射极电阻用得很大一般在8.2~12千欧,所以使集电极电流限制在较小的数值,所以高放级兼有限幅器的作用,管子的电压、电流变化范围都较小。在小信号时管子的放大工作仍和正常一样,而当强信号输入时,则受到管子特性的饱和区和截止区的限幅作用,使输出信号限制在一定的幅度上。输入信号愈大,来自第一中放加到2D1检波后的直流电流也愈大,1R\(_{1}\)上的压降也增大,Uce更减小,同时高放管的输入阻抗也更低,使输入回路的Q值下降,传输系数更低。以上这些措施可以减小大信号时在收音机中产生交调、互调和阻塞,并防止大信号对本振频率的牵制。此外,高放管有很强的直流负反馈,故工作十分稳定。
放大了的信号经过耦合电容1C\(_{8}\)进入混频管1BG2的基极,本机振荡电压也通过耦合电容1C\(_{12}\)送到混频管的基极进行混频。1L3和1C\(_{9}\)是一个串联型中频陷波器,用以阻止来自天线的中频干扰信号。混频管的工作电流约0.7~1毫安,由1R5调整(约12千欧左右)。1R\(_{4}\)为下偏流电阻。1R6为发射极稳定电阻。1C\(_{11}\)为旁路电容。混频管输出端的负载是一组由1C13\(_{1}\)、1C15\(_{2}\)和1C14组成的电容耦合的双调谐回路,选出混频管输出的10.7兆赫的中频信号,并通过耦合电容2C\(_{1}\)送到第一中放管。自天线输入到第一中放管2BG1的基极,这部分高频头约有20分贝的电压增益。
本机振荡器由1BG\(_{3}\)接成共集电极电容反馈式振荡器,其振荡回路由1L4、1C\(_{5b}\)、1C20、1C\(_{21}\)、1D1等组成,由电容1C\(_{19}\)耦合到基极。1C16、1C\(_{17}\)为反馈电容,形成电容三点式振荡器。振荡电压约100~200毫伏。直流工作电流约1.5毫安左右,由上偏流电阻1R9调整,约6.8千欧。这种共集电极振荡电路的优点是电路简单、振荡回路受外部负载阻抗的影响较小、工作稳定,可获得较宽的频率范围。

变容二极管1D\(_{1}\)是作自动频率微调(AFC)之用。这种二极管的极间电容量随着管上所加反压的大小而有较大的变动,见图12。反压加大时电容变小。平时1D1通过1R\(_{11}\)等加有一定的反压UDO,具有一定的电容量,由耦合电容1C\(_{22}\)和旁路电容1C23加到振荡回路,作为振荡回路的一部分电容。变容二极管的直流电路接到鉴频器输出端,使得变容管上所加反压能随鉴频器输出的直流分量的变化而变化。当调谐正确,鉴频器输出的直流分量为零。二极管1D\(_{1}\)保持原有的反压。当本振频率漂移,中频失调时,鉴频器就输出正的或负的直流偏压,使1D1上的反压变小或变大,使其电容量变大或变小,将振荡频率自动恢复到原值。例如,当本振频率变高时,鉴频器将输出正的电压,使1D\(_{1}\)上加的反压减小,电容变大,使振荡回路的电容增大,振荡频率下降。滤波器2R23、2C\(_{19}\)、2R12、2C\(_{5}\)和1R12、1C\(_{23}\)等用来滤除音频成分,使加到1D1上的电压为较纯的直流电压。
有了自动频率微调装置(AFC)后,通常还要加一个开关,使AFC接通或断开。因为当调换电台时,AFC电路同样有阻止本机振荡频率改变的作用,而产生“拖泥带水”地调不准电台的现象。故调台时应将AFC电路断开,即把1R\(_{12}\)直接接通B-端,使变容二极管上的反压与鉴频器的直流电压变化脱离关系。调准电台后,再将AFC电路接通,以保持本振频率的稳定。

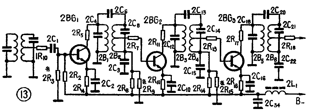
2.调频中放电路——中频信号经过2BG\(_{1}\)~2BG3的三级中频放大器放大(图13)。每个中放管的工作电流约为1~2毫安,分别由上偏电阻2R\(_{3}\)、2R9、2R\(_{15}\)来调整(约12~18千欧)。负载都是一组电容耦合的双调谐回路,连同混频器输出端的双调谐回路在内,可以获得30多分贝的选择性。三级中放的总增益约60分贝左右。调频机的中放级需要有高而且稳定的增益。这是影响整机性能的关键。
调频机的中放也需要有一定的通频带,通带窄了使调制信号的频偏不能加大,否则鉴频后的音频信号会被削去峰顶,造成失真。从原理上要求,至少应有的通带是最大频偏加最高音频之和的两倍。调频机的最大频偏是75千赫,设最高音频频率为15千赫,则通频带应为180千赫。调频机的通带在大小信号时是不一样的。大信号时因限幅等原因,其实效通带比小信号时要宽,再考虑到通带和选择性的矛盾,适当照顾选择性,故调频机小信号时的通带实际上做到120千赫左右。除了通带以外,调频机中还要求通带内的相移平直或有线性特性。因为调频信号具有一群无数多频率的频谱,如果相移不平直或没有线性特性,则各频率通过后失去了原有的相对关系,鉴频后合成的音频信号也和原来的不一样了,将产生失真。这种失真叫“群延失真”。由于振幅频率特性和相移频率特性有一定的关系。为了使通带内的相移平直或线性,就要求振幅频率特性具有一定的形状,特别是通带边缘不希望有接近矩形的那种急剧变化,而需要有所谓“馒头形”的样子。在应用双调谐回路时耦合不宜过紧,因此,耦合电容1C\(_{14}\)、2C6、2C\(_{13}\)和2C20都用得较小,略小于临界耦合,这时的相移线性最好。(待续)(北京无线电厂2241设计小组)