本机系我厂以前生产的一种交直流两用扩音机,适用于小型广播站或流动广播。为了减小失真,功放级采用了无输出变压器式单端输入的推挽电路。下面介绍该机电路特点和维修经验。
技术性能
输出功率:50W;
输出阻抗:8±2Ω;
非线性失真:输出50W时≤10%;
频率响应:在60赫~10000赫范围内≤±3dB;
高、低音提升:以1000赫时为0dB,在60赫和10000赫时≥10dB;
杂音电平:≤-50dB;
灵敏度:话筒1或话筒2输入≤5mV;电唱拾音输入≤100mV;中短波收音≤200μV;
收音选择性:偏调±10KC时≥20dB;
收音接收频率:中波550KC~1600KC;短波4MC~12MC;
使用电源:交流220V或110V;直流60V到72V;
电源消耗:输出50W时交流电源消耗约90VA,直流电源消耗约80VA;
环境温度:-10℃~+40℃;
连续工作时间:在技术条件范围内为6小时。
电路特点
1.音频前置放大

这一部分由两级完全相同的直接耦合放大电路组成(见图1整机电路图)。它包括两路话筒输入、一路电唱拾音输入和BG\(_{4}\)、BG5、BG\(_{6}\)、BG7等。在BG\(_{4}\)、BG5和BG\(_{6}\)、BG7之间装有CR型高、低音音调网络。BG\(_{4}\)、BG5采用直接耦合形式,这样做可以提高电路的增益。从BG\(_{5}\)的发射极,通过R211反馈到BG\(_{4}\)基极一个电压,它是一个负反馈,可以减弱温度变化对于增益的影响。例如,当温度升高时,BG5的集电极电流I\(_{c5}\)增大,引起Ve5增高,流过R\(_{211}\)的电流增大,于是BG4的基极电流I\(_{b4}\)增大,引起Ic4增大,BG\(_{5}\)的Ib5减小,I\(_{c5}\)也跟着减小了。这样就能平衡温度变化对于增益的影响。从BG5输出端通过R\(_{214}\)加到BG4发射极电阻R\(_{21}\)0上的负反馈量较大,所以使信号有较好的保真度,并且能减低噪声。
由BG\(_{6}\)和BG7组成的第二级直接耦合电路的原理和第一级直耦电路一样,只是负反馈深度减低一半(因为反馈电阻R\(_{225}\)的阻值比R214大一倍)。
2.高、低音音调网络

在BG\(_{4}\)、BG5与BG\(_{6}\)、BG7之间采用了CR型高、低音音调网络(见图2)。高、低音的变化以1000赫作中心频率(0dB),在60赫和10000赫时,高、低音两端的调整量均可达到±10dB。
①高音的提升和衰减:
高音网络由C\(_{2}\)08、C209、W\(_{3}\)组成。因为频率越高,电容器的容抗越小,所以在图2中,当W3的中心抽头往上移动到A点时,电容器C\(_{2}\)08对高音频率的阻抗很小,可以忽略,而对中、低音频率阻抗很大,不能忽略,因此C208与R\(_{216}\)和R218组合起来就会使高音得到提升。
当电位器W\(_{3}\)中心头往下移到B点时,中、低音仍不受什么大的影响,但对高音来讲,阻值增大起衰减作用,并由C209将信号旁路一部分,从而使高音衰减。
②低音的提升和衰减:
低音网络由C\(_{21}\)0、C211和W\(_{4}\)、R216、R\(_{217}\)、R218组成,由W\(_{4}\)来控制低音的提升和衰减。C210、C\(_{211}\)对高、中音不起作用,基本可视为短路,但对低音频率有较大阻抗。当W4的中心点向上移时,低音得到提升,当W\(_{4}\)中心点移到C点时,C210被短路,C\(_{211}\)起作用,低音得到最大提升;当W4中心点向下移时,低音衰减,中心点移到D点时,C\(_{211}\)被短路,C210起作用,低音受到最大衰减。
3.功率放大部分
功率放大部分包括阻抗变换级(BG\(_{8}\)、BG9)、倒相推动级(BG\(_{1}\)0)和功率输出级(BG11~BG\(_{14}\))。
阻抗变换级采用直接耦合方式。C\(_{3}\)03对BG8起负反馈作用。BG\(_{9}\)采用发射极低阻输出电路,以便和下一级匹配,并能获得足够的电流增益去推动倒相级。

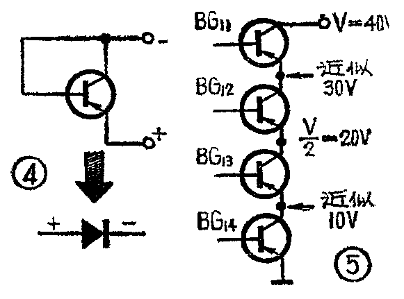
由倒相推动级(BG\(_{1}\)0)和输出级(BG11~BG\(_{14}\))组成乙类单端输入推挽功率输出电路。推动级工作于甲类状态,输出级工作于乙类状态。为了使功率管3AD30C在静态和动态时均工作于该管集电极与发射极反向击穿电压BVcer极限值之内,BG\(_{11}\)、BG12和BG\(_{13}\)、BG14采用了串联电路,如图3(a)。此电路的特点是:BG\(_{11}\)~BG14对于直流供电来说是串联电路,而对于负载来说,输出交流信号是并联加在负载R\(_{L}\)上的,等效电路如图3(b)。
R\(_{3}\)09和R310为BG\(_{1}\)0的偏置电阻。调整R309可以决定BG\(_{1}\)0静态直流电位。因为BG10的集电极通过R\(_{314}\)直接与BG12的基极耦合,所以在调整R\(_{3}\)09的同时,也控制着BG12的静态直流电位。R\(_{3}\)09的调整工作非常重要,如果调整得不好,将会使输出信号产生非线性失真,并且使输出功率减小。
由阻抗变换级BG\(_{9}\)来的信号,通过BG10倒相,在BG\(_{1}\)0集电极电阻R313和发射极电阻R\(_{315}\)上得到的信号电压相等,此电压经过C306和C\(_{3}\)07,以相反的相位分别耦合到BG12和BG\(_{14}\)的基极,用以推动BG11~BG\(_{14}\)功率输出级。BG11和BG\(_{13}\)的交流工作状态分别随BG12和BG\(_{14}\)的工作状态而变化,其直流工作电位则由R320~R\(_{325}\)串联分压电路确定。
下面简述单端推挽电路的工作过程:假如在BG\(_{1}\)0基极加上一个正弦波信号电压,当此电压第一个半周为正时,在BG10的集电极R\(_{313}\)上将得到一个负半周信号电压,此时BG12发射结为正向偏置,BG\(_{11}\)、BG12均导通,在BG\(_{11}\)集电极输出一个被放大了的信号电流,此电流经C402A、C\(_{4}\)03A、RL回到BG\(_{12}\)发射极。BG14的输入信号电压从BG\(_{1}\)0的发射极电阻R315上得到,此电压对BG\(_{14}\)发射结来说是反向偏置,所以BG13、BG\(_{14}\)均不导通,无信号输出;当BG10基极输入信号第二个半周为负时,BG\(_{1}\)0集电极输出正半周信号电压,BG12发射结反向偏置,BG\(_{11}\)、BG12均截止,无信号输出。BG\(_{14}\)发射结这时为正向偏置,BG13、BG\(_{14}\)均导通,输出交流信号电流从BG14集电极开始,经R\(_{L}\)、C402B、C\(_{4}\)03B回到发射极。从图3(b)可以看出,BG11、BG\(_{12}\)产生的电流和BG13、BG\(_{14}\)产生的电流流经RL时的方向是相反的,这样,BG\(_{11}\)、BG12和BG\(_{13}\)、BG14交替工作,在负载R\(_{L}\)上就能得到一个完整的放大信号。
从理论上讲,晶体管用在乙类功率放大器时,工作点应选在I\(_{B}\)=0处,此时效率最高。但是由于晶体管特性曲线的起始部分是非线性的,在小信号输入时管子的放大倍数很小,甚至不起放大作用。当两个推挽管交替工作时,会使输出波形衔接不好,造成较大的失真,这种失真叫交叉失真。本机为了减小这种失真,在功放管BG12和BG\(_{14}\)的基极——发射极之间加上一个很小的正向偏压,使管子在开始工作时避开这一非线性区。图1中的R314、R\(_{316}\)、D3、D\(_{4}\)就是为此而设置的。例如,当BG10基极输入信号为负半周时,集电极输出信号为正半周,BG\(_{12}\)处于截止状态。从D3、C\(_{3}\)06、R313、R\(_{314}\)局部电路来看,此时在R313上形成一个较大的下正上负的电压,它使BG\(_{12}\)反向偏置。但由于D3导通,对C\(_{3}\)06充电,将R313两端出现的反向电压旁路,就消除了加到BG\(_{12}\)发射结上的反向偏置作用。这时R314通过D\(_{3}\)给BG12发射结加一个很小的正向偏压,使BG\(_{12}\)在恢复工作时避开特性曲线起始段的非线性区。
当BG\(_{1}\)0基极输入信号为正半周时,发射极输出为正半周,BG14停止工作。从D\(_{4}\)、R315、C\(_{3}\)07局部电路来看,这时在R315两端形成一个较大的上正下负的电压,它通过C\(_{3}\)07使BG14发射结反向偏置,但这时因为D\(_{4}\)导通,C307、D\(_{4}\)将R315上的电压旁路,使加到BG\(_{14}\)发射结的反向偏压作用基本消除。此时R316通过D\(_{4}\)给BG14发射结加一个很小的正向偏压,从而避免了BG\(_{14}\)恢复工作时起始电流处在非线性区的情况。从以上分析可以看出,当反向信号加在BG12和BG\(_{14}\)发射结时,由于管子特性曲线起始段的非线性引起的交叉失真就得到了解决。

在零件选择上,D\(_{3}\)、D4均采用三极管(3AX22)连接成二极管的形式(如图4),用万用表R×10档测得正向电阻为20欧左右。R\(_{317}\)、R318分别是BG\(_{12}\)和BG14的偏压电阻,采用热敏电阻以起到温度补偿作用,使放大器能在较大的温度范围内工作。
4.电源部分
电源电路采用D\(_{7}\)~D10组成的全波桥式整流器,C\(_{4}\)02A、C402B、C\(_{4}\)03A、C403B为滤波电容。满载输出时,直流电压约65伏。电源变压器次级中心抽头作为直流电源进线,采用这种方式的优点是当直流电源正负极接反时电源通过D\(_{9}\)、D10短路,于是保险丝BX\(_{2}\)熔断,使直流电源断路,以保护整个电路的晶体管不受损坏。(未完待续)(武汉市无线电二厂 叶兴发)