晶体管电视机的高压整流管,一般采用1Z11型电子管。采用电子管整流有寿命短、降压特性差以及灯丝耗电大并要从行输出变压器上来取等缺点。这在用电子管(如6P13)作行输出管时,问题还不大,但是用晶体管(如3DD12A)作行输出管时,由于输出功率较小,设法节省行输出变压器的输出功率,就是一个重要问题了。采用高压硅堆整流就是节省灯丝耗电的一种措施。近年来有不少商品晶体管电视机已用高压硅堆(如2DGL15KV)来代替电子管1Z11作整流用。在自制电视机时,用商品高压硅堆固然很方便,但是正品高压硅堆成本较高,而处理品耐压和漏流指标又较差,所以就提出了自制高压整流硅堆的问题。
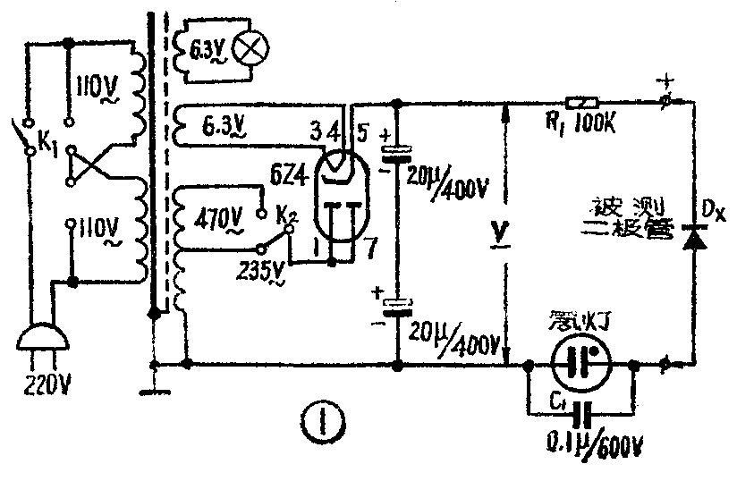
大家知道,产品高压硅堆(如2DGL15KV)是用很多整流硅片二极管,将其管心串联在一起,用环氧树脂浇封成一个8×8×50立方毫米的长方条,再用1毫米的镀银线将正负电极引出而制成的。因此,在业余条件,我们也可采用把硅二极管串联的方法制成高压整流硅堆。但是,自制高压硅堆时,经常遇到的硅二极管是无规格标记、各项参数差异较大的业余品。所以,如何挑选出最高反向工作电压合用的管子,是自制高压硅堆的关键。硅二极管的技术指标很多,在业余条件下,只要最高反压较高就可用来制作高压硅堆,对其他指标可不作要求。现介绍一种简单实用的测试方法。测试电路,如图1所示。电阻R\(_{1}\)为100K,用以防止过流烧坏氖灯,其阻值可根据氖灯的电流容量来增减。电容C1为0.1μ,应选用质量好、无漏电的电容。小氖灯可选用指示氖灯,也可选用试电笔氖管或日光灯起辉器中的氖泡。直流电压V\(_{直}\)可根据需要选定,一般在200伏至700伏之间。如无现成的可调直流电压源时,也可用电子管收音机中200伏以上的乙电来供给。

测试原理是:当被测三极管D\(_{x}\)反向接入电路时,如果二极管的最高反向工作电压超过V直时,二极管内无电流通过,所以氖灯不亮,这说明被测管子的最高反压是大于V\(_{直}\)的。如果被测二极管最高反压低于V直,电流就会通过二极管流入氖管,使氖管发光。一般V\(_{直}\)为400伏时选中的硅二极管,自制高压硅堆较理想,V直为200伏时,选中的管子也可以和V\(_{直}\)为400伏对选的管子按1∶1的比例混合使用。如果V直为200伏以下时,被测的硅二极管就不适合作高压硅堆用,选出来可作他用。测试之前,首先要用万用表对二极管进行一次粗测,把短路或断路的管子预先选出去,以避免将断路的二极管误当作漏流小的管子使用。漏流(即最高反压下的反向电流)大的二极管在测试电路中等效一个大阻值的电阻。电路接通后,二极管的漏流首先向电容器C\(_{1}\)充电,充电电压由零伏逐渐增高。由于氖灯是属于气体放电管,不到起辉电压是不会导通放电的。一般小氖灯的起辉电压在70伏左右。当电容C1两端的电压达到氖灯的起辉电压时,氖灯就突然放电,将电容C\(_{1}\)的电能放掉,此时氖灯发出闪光。这时二极管Dx的漏流又重新向C\(_{1}\)充电,如此循环,氖灯就会不断地闪光。C1充电的时间,决定R、C\(_{1}\)的乘积,电阻R越大,充电的时间就越长。这里的R实际上就是被测硅二极管在一定电压下的反向电阻。所以,从氖灯的闪光次数就可以间接判断被测硅二极管质量的好坏。图1所示电源为电子管五灯收音机的电源变压器和6Z4组成的400多伏的直流电压源,用此电源测试硅二极管,每秒闪光4次以下,甚至数秒钟闪光一次的硅二极管,都可作硅堆用。

经过以上测试,曾用20只400伏以上的无号2CP硅二极管和20只200伏以上的同类管子串联制成高压硅堆,用在23厘米晶体管电视机上,效果良好。具体结构如图2(a)所示。用一块1.5毫米厚的绝缘板,两边每隔4毫米用锯条锯一个槽。为了减小体积,二极管并排分装在两面,前面全部正极在上,背面全部正极在下。等效电路如图2(b)所示。将正反面的二极管依次串接,然后再用一块包电池用的塑料片将硅堆围成一个网管形,以保证绝缘。
值得注意的是:自制高压硅堆,如用一般万用表测量其正反向电阻时,其阻值都是无限大,即正反向都不导通。由于每个硅二极管的正向压降都在0.7伏左右,等效于一个小稳压管。自制高压硅堆要用30~40只硅二极管,串联起来其正向压降就相当于一个20~30伏的硅稳压管。一般万用表的欧姆档内电池电压是1.5伏或6伏。这个电压小于硅堆的正向电压,所以硅堆不会导通。但是用在电视机中,被整流的电压高达9千伏,硅堆的正向压降就显得微不足道了。因此,用万用表测量自制硅堆时,应采用分组测量的方法。

自制高压硅堆不仅可以代替1Z11及2DGL15KV电子管和商品硅堆。还可以代替6Z19阻尼管。经在北京牌825型和820型电视机上试验,阻尼效果良好。这样还节省了阻尼管的灯丝耗电。作阻尼管用时,最好采用双管并串电路,如图3所示。由于阻尼管要求的反向电压比整流高压硅堆低很多,所用硅二极管数量可减至高压硅堆的一半。 (王本轩)