701型晶体管三波段交、直流三用机在扩音时,需外配话筒。我们通过多次实验,对701型三用机稍加改动,就能使它的喇叭兼作话筒使用,这样三用机就有了自备机内话筒,使用方便。下面介绍两种改制方法,供大家参考。

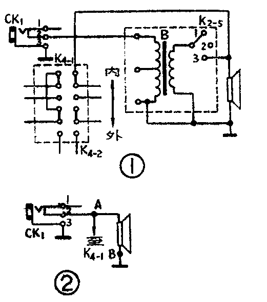
1.增加一个晶体管收音机输出变压器,并用原三用机上的“收音·放唱·扩音”转换开关K\(_{2}\)的空着不用的刀位K2-5档,就可以进行改制。把输出变压器B的次级经开关K\(_{2}\)-5。的接头3接到喇叭的两端,变压器B的初级一端接地,另一端接到话筒插座CK1的接头2上,变压器B的初级中间抽头空着不用,如图1所示。当扩音时,通过K\(_{2}\)-5使喇叭和变压器B构成微音器。
2.若不外加输出变压器,可以接成图2的线路。从三用机喇叭一端A上焊一引线至话筒插座CK\(_{1}\)的接头2。把喇叭当话筒用时,开关K2置于“扩音”档、开关K\(_{4-1}\)置于“外”接位置,此时喇叭通过K2-3的接头3和电容C\(_{2}\)0并联在BG3的基极电路两端。这种接法的缺点是阻抗不匹配,灵敏度低些,音量较小。但用这种方法,不需增加元件,改制起来还是很方便的。(谢晓波)