目前我国新产品收音机的元件质量、制作工艺等方面均有很大的改进与提高,发生故障的机会很少。本文着重介绍老产品国产交流电子管超外差式收音机的常见故障,不用复杂仪器而用万用表或不用万用表较快地判断故障部位的经验,供大家参考。
一架收音机发生故障,多为一、二个元件变质损坏而造成,很少几个部分同时发生故障,这就给快速判断故障部位造成了有利条件。判断故障的方法一般采取听、看、摸、试、测等方法综合进行检查,再掌握好各级发生故障后的特点和规律,一般就能很快地找出发生故障的部位和元件,这就给快修、多修、修好奠定了良好的基础。
收音机发生了完全无声或不收音等故障时要进行一下表面检查。可将电源接通,如没有发现内部有打火或冒烟现象,就看看各电子管是否明亮,如用的是金属管,可等数分钟摸摸管子是否发热。如发现有灯丝不亮的管子,可轻轻左右摇摆一下,试试是否由于和管座接触不良引起的。如果电子管灯丝断了,一般除整流管外,其他电子管均可换上新的试验是不会出什么问题的。整流管的损坏常常因机内元件损坏,如电解电容器击穿等而造成。所以在没有查出烧坏整流管的原因之前,不能换新管子试验,以免继续烧坏。如电子管均正常,可将机器心子从盒内拆出再接通电源,将音量控制电位器开至一半处,用手指捏住改锥(螺丝刀、螺丝起子)的金属部分,接触电位器的中心引出片,听听扬声器是否发出“嘟嘟”声,如有声音则说明故障发生在前半部分,即变频级、中放级、检波级,这时可着重检查这三部分;如无声音则故障至少发生在后半部分,即电压放大级、功率输出级、整流级。这样就将发生故障的范围缩小了一半,然后再分级检查。
为了便于掌握每级的故障特点和规律,下面分五部分介绍。
一、整流级
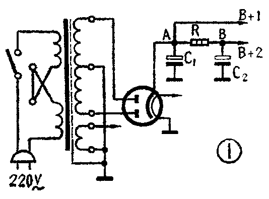
收音机发生故障后,首先要进行检查的是整流级,因为它的整流电压正常与否,不仅直接影响着各级电路的工作效率,更主要的是:检查时间稍长,还可能烧坏整流管和电源变压器。常用的整流管小型管多为6Z4,部分为八脚管5Z2P。常见的整流电路如图1。这一级常见故障为交流声、不整流、整流电压低弱、电源变压器发热、冒烟、杂音等,下面分别进行介绍。

1.交流声:交流声很容易发生在整流级。它还常常伴有汽船声或啸叫声,这些故障几乎都出在滤波电解电容器C\(_{1}\)及C2上,它的本身故障有三种:即断路或容量不足、失效;漏电;短路。交流声往往是由于断路或容量不足引起的,但C\(_{1}\)和C2发生断路这一类故障后,其故障表现特点各有不同。用听、试方法很快就可以判断出来。C\(_{1}\)断路后除有交流声外,还有电压低弱现象,此时还能收到电台。C2断路后对整流电压大小无显著影响,但突出的特点是除了有交流声外,还常常伴有汽船声和啸叫声,此时收不到电台信号,这是C\(_{2}\)断路后各级电路引起了交连自激的缘故。应该指出的是这种现象有时也出现在其他级里,如中频放大级等,区别的方法是将音量电位器旋至音量最小处,如汽船声、啸叫声消除或减小,但还能听到较大的交流声,则说明C2断路;反之,如听不到交流声了,则可能是其他级引起的。
此外,也可用试的方法判断是C\(_{1}\)还是C2断路。如果有新电解电容器,可将它与原机电容器分别并连试验。并到哪个电容器上故障消除,就证明那个电容器断路或失效,可将旧的换新的。另一种试验方法是作瞬时短路打火试验。这种方法简便实用,能将故障快速准确地判断出来。电容器正常时,A点或B点分别与底板(也就是电解电容器的正极和负极)作瞬时短路打火时应发出清脆的“啪啪”声,并且火花四处飞溅,这是电解电容器正常的现象,如其中某一个电容器在试验时火花较小,又没有上述“啪啪”声,火花也不四处飞溅,而是小火星,而且扬声器也往往随着试验发出“嘟嘟”声,这就证明此电容器完全断路或失效了。
这种瞬时短路打火的试验方法用于直热式整流管较为允许,如5Z2P等。对于旁热式小型整流管,如6Z4等则不宜使用,否则会损坏整流管。可采取关掉电源后马上对电容器作短路打火试验,比带电打火要安全些。应该指出,在瞬时打火试验时,时间要短要快,次数要少,一至二次就应观察出来。但对于底板带电的收音机,也就是电源变压器没有次级高压线圈,而用市电220伏作高压,如“新时代” 107A型、红星504-甲型等老产品收音机,无论整流管是旁热式还是直热式的,绝对不能用打火方法判断故障,以免烧坏整流管。

另一种交流声是所谓调变交流声(或称调制交流声),即在收到电台时伴随着很大的交流声,在调到没有电台处则没有交流声,这种故障一般出现在电源变压器初级绕组与次级绕组之间的静电隔离层入底板接触不良或断路造成。隔离层的出线方式常见有两种:一种是引出线在硅钢片上卡压住(见图2),通过硅钢片和底板连接;另一种是将引出线接在次级6.3伏的接地端或高压组中心线和底板连接。前者最易发生霉锈而引起接触不良或断路;修理方法是将引出线断开,接一条引线直接接入底板即可消除故障。如静电隔离层引线在内部断路,可用电容器接在电源变压器初级与底板之间(见图3,甲);也可以接在高压组与底板之间(见图3,乙),其效果相同。如要省材料可接在任意半边,如仍有调变交流产,可将电源插头拔下,两头调个方向再插上。

上述两种方法各有缺点,按图3,甲接法,底板及天线引线都有麻电现象,万一C短路击穿,底板带市电更危险,如收音机的无线引线接的是地线,还会将天线线圈烧焦,所以用此法时底板最好接上良好的地线。如按图3,乙接法,虽然没有上述缺点,但C击穿后必将造成次级高压组短路而烧坏电源变压器。
为了防止上述的事故发生,最好用两个电容器串连使用,以增加其耐压,其容量一般在0.005微法~0.02微法之间都可以,耐压在400伏以上。
2.整流无高压输出:收音机无直流高压会造成完全无声。检查方法是用万用表直流电压档测量图1的A点或B点,输出直流电压应在180伏至240伏左右,无万用表可用瞬时短路打火试验,但如前一节所述也应注意防止烧坏整流管,如无火花或火星,则证明无高压输出,造成此故障的原因常见的有以下几种:
①滤波电容器C\(_{1}\)或C2短路——C\(_{1}\)或C2发生短路后,虽然都能造成完全无声,但它们的特点各有不同。C\(_{1}\)短路后易造成整流管过荷而烧坏,所以一开始应观察整流管的变化,如用的是5Z2P,开机后很快就会看到屏极发红,如用6Z4则有急剧蓝光和打火现象,有保险丝的收音机,在整流管过荷时保险丝将熔断,当发现这一情况时,应先用万用表测量C1是否短路,如无万用表时可先将C\(_{1}\)任意一端剪开,换上原规格保险丝,插电试验如有较大的交流声,则证明C1已短路了,换新即可。C\(_{2}\)短路后的突出特点是滤波电阻R会发烫,时间稍长R还会发生冒烟和有焦糊气味,如用的是碳质或碳膜式的电阻,则可看出原来的颜色被烧成发黑色,如用的是线绕的电阻,它的黑色绝缘体由于温度升高会被烧成发白色,这种故障用看摸方法能很快判断出来。
②整流管坏——整流管坏常常是因滤波电容器短路或严重漏电及整机电流过荷而引起的。从现象上也能观察出来,如用的是直热式5Z2P,它烧坏后灯丝不亮;如用的旁热式如6Z4,它烧坏后往往灯丝还会亮,但无整流电压输出,这种情况大多是管内阴极烧断引起,所以旁热式整流管灯丝亮,并不证明管子是完好的。在换新管前一定要找出烧坏管子的原因。

应该指出的是:整流管烧坏常常引起连极而造成电源变压器发热或冒烟。这种故障常见的是整流管阴极被烧破连极造成电源变压器次级高压绕组短路,这种故障以6Z4为最多,并且其灯丝与其他管共用一组6.3伏绕组者更为突出。检查方法用万用表可测出灯丝、阴极之间的短路情况。无万用表,用看的方法也有明显的特点:正常的整流管在通电后,阴极K点是一条垂直圆筒形红柱,如图4,甲;如被烧后能看到的只是几条明亮的灯丝,如图4,乙。如不通电将整流管拔下来也可以看出,正常时K点是一条垂直圆筒形白色柱,烧坏后K点即成几条黑色的灯丝。有些旁热式整流管阴极引出线烧断也是很多的,透过玻壳也可看出来。(石家庄地区广播设备修配厂)