上海无线电十九厂生产的19—2插件板,是十进计数显示的通用计数插件板。因为它已将0—9十个译码信号输出端引出,所以我们可以通过置零很方便地将它变为其他进制的计数显示插件板,而无需对插件板本身作任何改动。

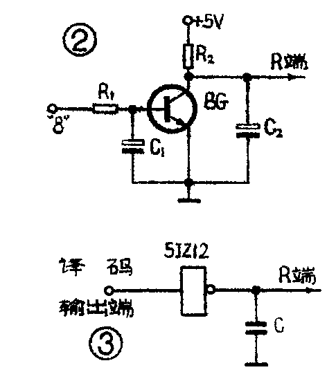
图1是19—2插件板译码、驱动及显示部分的电路图。当计数器计到某一数时,所对应的译码信号输出端就变为高电平,同时相应的高反压三极管导通,数码管相应的数字发亮。我们用图2所示的电路,将某一译码信号送到三极管BG的基极,并将BG的集电极连到插件板的置零端R,则每当计数器计到该数时,该数的译码信号(高电平)使BG导通,BG集电极的低电平就使插件板置零了,于是就得到了所需要的某进制计数显示器。


举例来说,我们需要一个8进制计数器。从19—2插件板的插座接线表可知,插座B面第3脚为译码信 号“8”的输出端。我们从这一点取出信号,通过电阻R\(_{1}\)加到BG(3DG或3DK型)的基极(图2),并将BG的集电极与R端(B3或B\(_{9}\))连起来,我们就得到了一个8进制计数显示器了。图中R1=1~3KΩ,R\(_{2}\)=2~5KΩ,C1=20~50μF,C\(_{2}\)=20~50μF。C2的作用是使复零信号维持一定的时间。C\(_{1}\)的作用是使复零信号延迟一定的时间再发出。因为各级双稳态触发器的翻转需要一定的时间,如果复零信号发出去太快,可能有的触发器还来不及完全翻转就被置零了,则达不到预期的效果。如果采用与非门电路来置零,效果也很好,此时电路如图3所示。电容C的容量不宜太小或太大,一般取0.01μF~0.1μF。

通常在接通电源的瞬间,要求将计数板置零。图4及图5是分别采用三极管和与非门组成的开机置零电路。图5中的5.1KΩ电阻在关机时使电容器放电加快,若不经常开关机器,也可省去不用。
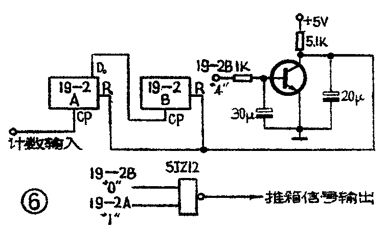
当使用19—2计数插件板,并采用上述置零措施后,就能很方便地从插件板中取出所需要的信号去完成各种指定的动作。举例来说,在洗衣粉包装自动线上,有一台装箱机,它能将每40包洗衣粉自动装为一箱,每箱分成五层,每层8包,这是靠十个指定的机械动作来完成的。为此我们安装了一台简易数控仪,它的中心环节便是由一块19—2插件板组成8进位计数器,来控制每层内应完成的几个动作,而由另外二块19—2插件板组成40进位计数器,来控制每一箱中应完成的其他动作。
例如有一个动作:要求每装完一箱时,送入一只空箱,并推走那只满箱。我们将这个动作安排在每箱中的第一包(即01信号)到来时完成,从十位计数器插件板中引出“0”信号、从个位计数器插件板中引出“1”信号,作为一只与非门(5JZ12)的两个输入信号,这样,当01信号到来时,5JZ12就输出一个推箱信号,如图6所示。

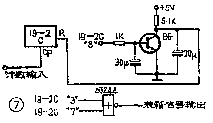
又如有一个装箱的动作,它要求在每一层(8包)中的第3包和第7包分别动作一次。我们就用一只或非门(5JZ44),从8进位的那块插件板中引出“3”和“7”,作为5JZ44的两个输入信号,如图7所示。

总之,19—2插件板不仅可以作为一般的十进制计数显示之用,加上上述的一些简单电路之后,我们就可以制成一台简单的数控仪。(任亢健)