当我们分析电路时,常常会碰到“反馈”这个名词。对于初学者来讲,往往由于对反馈认识不清而成为分析电路的“拦路虎”。反馈的应用极为广泛,这里,我们想结合反馈在电视接收机中的应用来简单谈谈反馈的概念及其作用。
一、什么叫反馈
一个放大电路的主要任务是将微弱的输入信号电压(电流)加以不失真的放大,以获得较大的输出信号。图1(a)是一个最简单的(无反馈)放大器,在放大过程中,信号输送的方向是从输入端进入,在输出端送出。这种单向传送信号的放大器,电路简单,但工作稳定性及其它性能都比较差。

如果一个放大器在放大过程中,将输出信号的一部分或全部从输出端返回来“馈送”到输入端,我们说这个放大器就有了反馈,并称它为反馈放大器。图1(b)就是一个反馈放大器,它的输入回路(Ⅰ)和输出回路(Ⅱ)通过R\(_{E}\)联系在一起,输出信号通过RE反馈到输入端。反馈放大器可以等效地理解为由放大器K和反馈网络F所构成,见图1(b)右图。
二、反馈的分类
反馈电路按不同的分类原则,常见的有:直流反馈和交流反馈;电流反馈和电压反馈;串联反馈和并联反馈;正反馈和负反馈等等。
1.直流反馈与交流反馈
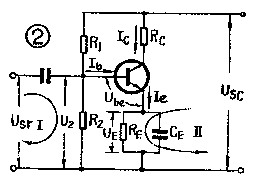
为了保证晶体管放大电路进行线性放大工作,需要有合适的直流偏置。在图2所示电路中,基极正向偏置是由R\(_{1}\)和R2分压供给晶体管U\(_{be}\),集电极电压由电源通过Rc供给。基极偏置电流I\(_{b}\)、集电极电流Ic和发射极电流I\(_{e}\)三者应满足Ie=I\(_{c}\)+Ib。图2中输入回路的电压关系为U\(_{2}\)=Ube+U\(_{E}\)。其中U2基本上由R\(_{1}\)、R2分压决定,U\(_{E}\)为Ie在R\(_{E}\)上的压降。其输出回路电压关系为Usc=U\(_{ce}\)+IcR\(_{c}\)+UE。当输入回路有交流信号U\(_{sr}\)输入时,输出电流Ie和输出电压U\(_{sc}\)也随之变化,输出信号包含有直流成分和交流成分。由于RE处于输入和输出回路的公共部分,输出电流I\(_{e}\)的交流成分和直流成分都可通过RE送到输入回路,引起反馈。但是,在图2中,发射极电阻R\(_{E}\)两端并联有大电容CE,它对交流信号呈现的容抗近似等于零,起了旁路作用,也就是说发射极对交流成分而言与地等电位,所以反馈信号只有直流反馈而无交流反馈。如果R\(_{E}\)两端无大电容,则输出信号的交流成分也可通过RE反馈到输入回路,具有交、直流负反馈作用。

在后面的篇幅里,我们将侧重讨论交流反馈,为此先介绍一下直流反馈的过程和作用。
直流反馈会带来什么好处?可以用个简单例子说明。如图1(a)所示的简单放大器中,由于存在晶体管的漏电流I\(_{cbo}\),当温度上升时Icbo也增加,引起I\(_{c}\)的变化,造成工作点的漂移。直流工作点的漂移会引起放大器工作不稳定和输出信号失真,为了克服这一缺点,在发射极接入稳定工作点的REC\(_{E}\)反馈网络,成为图2。这样,当温度t上升时,就产生下述过程:
t↑→I\(_{cbo}\)↑→Ic↑→I\(_{e}\)↑→UE↑
由于U\(_{be}\)=U2-U\(_{E}\), UE上升就必然导致U\(_{be}\)下降,使基极注入电流Ib下降,促使I\(_{c}\)回降。这样,因温度上升引起Ic增加而发生的工作点的漂移,由于反馈网络的作用,把I\(_{c}\)减小下来,工作点又接近原来水平,从而达到稳定直流工作点的作用。
2.电流反馈和电压反馈
根据反馈信号从放大器输出回路取出的情况分析,如果反馈信号依赖于输出电压并与输出电压成正比,则称为电压反馈;如果反馈信号依赖于输出电流并与输出电流成正比,则称为电流反馈。

例如在图3(a)中,反馈信号取自负载R\(_{fz}\)。反馈信号电压Uf与输出信号电压U\(_{sc}\)成正比,当输出端短路,输出电压等于零时,反馈电压也消失,因此它是电压反馈。图3(b)的情况与上不同。反馈信号电压Uf取自电阻R\(_{x}\)两端,反馈信号强弱与输出电流io成正比,当输出端短路时,输出电流i\(_{o}\)并不消失,反馈信号也依然存在,它依赖于输出电流而不依赖输出电压,因此是电流反馈。
在分析具体线路时,有时往往不易一下子分清楚究竟是电压反馈还是电流反馈。这是因为输出电流大时输出电压也大,因此搞不清反馈信号究竟与谁成正比。这时我们可以假设输出负载短路,然后看看反馈信号是否消失。如果反馈信号消失了就是电压反馈,反之,反馈信号不消失则是电流反馈。这种判断方法在分析线路时是很实用的。
3.串联反馈和并联反馈
这两种反馈是根据反馈信号在放大器输入端加入的方式来区别的。从输入端A、B两点来看,反馈信号U\(_{f}\)与原来的输入信号Usr有串联或并联两种情况。如果把输入信号U\(_{sr}\)和反馈信号Uf画成两个信号源,那么,如图4(a)所示的U\(_{f}\)和Usr相串联后加在A、B两端的称为串联反馈;而象图4(b)所示的反馈信号直接加在A、B两端,与U\(_{sr}\)相并联的称为并联反馈。

4.正反馈和负及馈
所谓正反馈,是指反馈信号与原输入信号同相,使放大器输入增强,放大倍数增大。反之,反馈信号的极性与原输入信号极性相反,削弱放大器的输入,使放大倍数下降,则称为负反馈。
在分析判断是正反馈还是负反馈时,还必须注意下述三点:
(1)应从放大器输入端A、B着眼,分清反馈信号U\(_{f}\)与原输入信号Usr是串联还是并联。
(2)分清串联反馈与并联反馈后,注意标出U\(_{f}\)与Usr的极性,见图5。极性相同是加强,为正反馈。极性相反是削弱,为负反馈。

(3)由于所取出的反馈信号的极性与放大电路的连接方式有关,因此弄清三种基本放大电路——共发射极电路、共基极电路、共集电极电路的输出与输入的相位关系十分重要(见表1)。如果我们把输出信号与输入信号的相位关系搞错了,那么判断反馈的极性也不会正确。

正、贝反馈与串联反馈和并联反馈相结合,在放大器的输入端可组成四种情况,如图5所示:(a)为串联正反馈;(b)为并联正反馈:(c)为串联负反馈;(d)为并联负反馈。(未完待续)(陈启蒙)