问:有两只相同的显象管,用在同一个电路上,有一个能达到满幅,另一只则达不到满幅,为什么?
答:电视机显象管荧光屏上形成的扫描光栅的大小,取决于偏转线圈的灵敏度。行偏转线圈的灵敏度S\(_{H}\)=LY·I\(_{PP}\)\(^{2}\) ,其中LY为行偏转线的电感量,I\(_{PP}\)为流过行偏转线圈的锯齿电流峰间值;场偏转线圈的灵敏度SV=R\(_{Y}\)· IPP2 ,其中R\(_{Y}\)为场偏转线圈的电阻,IPP为流过场偏转线圈的锯齿电流峰间值。同时,S\(_{H}\)和SV又与显象管第二阳极电压有关,即第二阳极电压越高,电子束在荧光屏上移动相同距离时,所需要的S\(_{H}\)和SV也越大。对同一个电路来说,所产生的开路第二阳极电压只能是一个确定的数值,但当接上负载时,因为高压整流管有内阻,所以,实际加给负载的高压就因负载不同而有所不同。同一型号的两只显象管,由于制造上的不一致性,即使工作条件(灯丝电压及各极电压等)完全相同,显象管的高压射束电流也不会一样。这样,高压射束电流大的一只显象管,第二阳极实际所得高压就低,偏转距离就大,形成较大尺寸的光栅;高压射束电流小的那只显象管,第二阳极实得高压较高,偏转距离就小,得到较小尺寸的光栅。不过,同一型号的两只显象管,一般其特性相差不大,常不被人们注意。(孙民庆等答)
问:有一台23厘米晶体管电视机,无光机,行输出管3DD12电流过大,管子发烫。检查行输出有关电路元件和偏转线圈,又无短路现象,是什么原因?
答:行输出管的电流大小是和工作电压E、正程时间t\(_{2}\)-t1成正比,与负载阻抗Z成反比,即I\(_{C}\)=E(t2—t\(_{1}\))/Z。当负载没有短路,工作电压正常时,上述故障的原因就是行输出管导通时间(正程时间)过长。因为,当正程时间过长时,使感性负载上按线性增长的电流就很大,超过行输出管允许的最大电流时,管子就会发烫。但是,行正程时间的长短,是由激励脉冲波形宽度来决定的,当激励脉冲宽度较宽时,行输出管导通时间就长。而激励脉冲宽度又是由行频来确定的,当行振荡级有故障,使行频比15625Hz低很多时,激励脉冲的宽度就变长,所以,行输出管导通时间也就长。同时,行频低,使逆程时间也变长,从而使第二阳极电压很低,造成无光栅。这种故障,现象表现在行输出管,根子却在行振荡级,因此,在修理时必须注意,否则会走弯路。(吴绪义答)
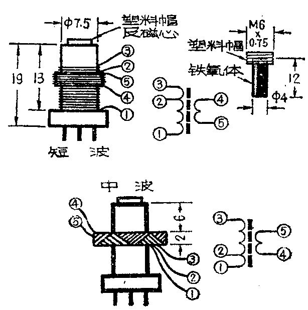
问:飞乐736型交直流两用晶体管收音机(1976年2期本刊载)的中、短波振荡线圈能否采用一般市售的中、短波振荡线圈?如自己制作,线圈骨架及绕制数据如何?
答:市场出售的中、短波振荡线圈型号及规格较多,如随意选用很难达到736机的性能要求。如自制可按附图绕制。短振线圈①~③用φ0.27毫米漆包线平绕23圈,①~②为20圈;④~⑤用φ0.15毫米丝包线反密绕7圈(从抽头处开始绕)。中振线圈①~③用φ0.12毫米丝包线蜂房式绕88圈,①~②为8圈;④~⑤用φ0.12毫米丝包线蜂房式叠绕13圈。中振、短振线圈均用同样的骨架及磁心,如图所示。(武尔卿答)

问:飞乐736型收音机短波增益提升器的骨架和绕制数据如何?
答:自制时可以不用塑料支座,只要寻一个外径φ4毫米管子,照附图所示尺寸,用外径φ 0.1毫米丝包线绕204匝,绕成蜂房式,电感量为174微亨即可。(武尔卿答)

问:有一台安徽普及型275瓦电子管扩音机,常常开启离压数分钟以后烧断高压保险丝,是什么原因?
答:常见为推动管6P14出现内部碰极故障。开机数分钟后,6P14管内温度升高,帘栅极变形与栅极相碰,造成屏流很大,从而烧坏高压保险丝。275瓦扩音机中的6P14管采用模位安装,所以更容易产生此故障。
有时6P14管发生以上故障并不炸保险丝,而是表现为无声故障,此时6P14管屏流很大。这时应分别一个一个测试6P14管,屏流大者为坏管。拔下此管,乘管温较高时,用万用表测试第2脚与第9脚是否通路,通路者即证明管子已坏。6P14管出现以上故障时,还常常烧坏次高压整流管或限流电阻。所以当发现次高压整流管烧坏时,必须先查清原因再考虑换新管。
另外,有些机器的805管采用金属屏极,当屏极有些变形,刚开启高压时可能不炸保险丝,但当有信号输入时,工作数分钟,屏极温度上升,变形加剧,则造成内部碰极而烧保险丝。 (杜道明答)