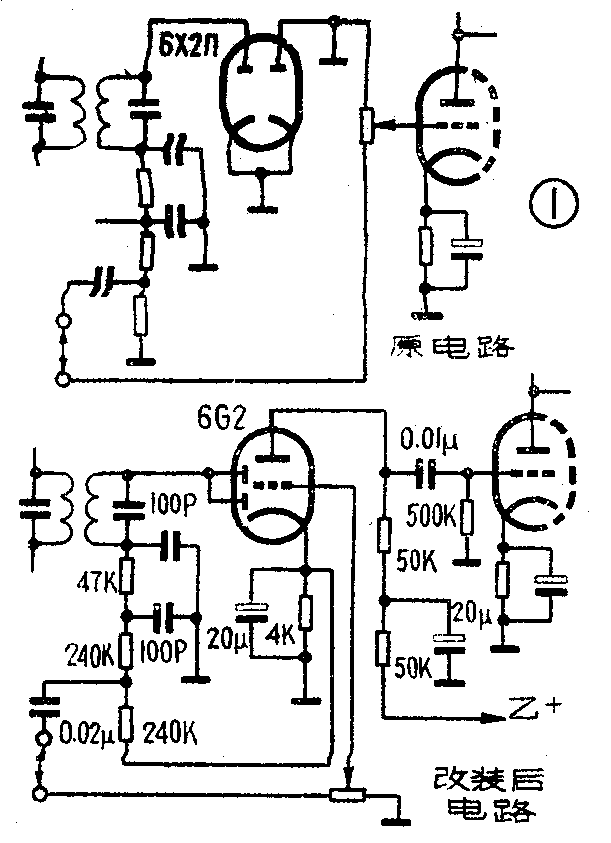
我地区收音条件很差。很多在外地收音效果很好的收音机,在我地区则效果不佳,有的灵敏度低收不到几个台,有的能收到但音量较小。例如有几台上海牌131型及132—1型收音机,灵敏度尚可,唯音量较低,白天收省台的声音也很低。经检查,其电子管大部分衰老,整流管衰老,整流输出电压降低,而音调控制网络对音量衰减很大,曾试将音调控制网络取消,音量有所回升,但音色不能调整。后来将检波管6X2П改为6G2(6Г2П),用它的两个小屏担任检波及自动音量控制,用三极管部分作低频放大,这样就增加了一级低放。其余部分未作改动,取得了较好的效果。
6X2П与6G2的灯丝电流均为0.3安,实测6G2的屏流约1毫安,改动后整机功率消耗不大,原电源变压器和整流部分不必改动。
改装前、后的电路见图1。由于二极管与三极管合用一个阴极,使二极管带有一定偏压,造成小信号失真,所以将图1电路中下面一个240千欧电阻不接地,而接到管子的阴极电阻上端,但这样会使音量关不死。

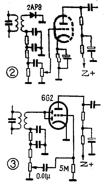
另一种改装法是改用晶体二极管2AP9作检波,见图2。这样,检波与低放三极管分开,音频信号只能通过音量电位器耦合到低放三极管。此外,还可以采取图3的办法,将检波放大管阴极通地,隔离阴极内部耦合作用,使音频信号通过电位器耦合到三极管。

实践证明,改装以后收音效果很好。这些方法可作为改装同类收音机时参考。(苏永生)