频率失真和非线性失真是造成晶体管收音机音质差的主要原因。实践证明,采用负反馈电路是改善音质的有效措施。下面谈谈具体做法。
图1是在低放管基极和集电极间接一个电压负反馈电阻Rx,可以改善频响。由于此电阻对中频和低频都产生负反馈,所以在整机增益不高的收音机中,音量降低明显,不宜使用。Rx可在50千欧~100千欧内选择,一般用75千欧。

图2是在前置低放管的基极和集电极间接一电压负反馈电容Cx,此电容能旁路高音频谐波,防止寄生振荡。Cx容量用得大些,负反馈深些,高音频旁路也多,低音相对地得到提升,又由于噪声的频率较高(晶体管在噪音频率5000赫左右时噪声最大),反馈量也大。因此加Cx后,噪声(嘶嘶声)明显减小。Cx的容量可在1500微微法~3300微微法内选择。一般用2000微微法已足够。如果整机增益较高,还可在Cx和图中A点间接一电阻R,能提升低音。R在1~5千欧内选择,一般可用3.3千欧。这时Cx容量需加大,在5100微微法~0.01微法内选择,一般可用6800微微法。
图3是在整机输出端一端接一电阻Rx\(_{2}\)到低放管的发射极,另一端接地。这里Rx1作电流负反馈,Rx\(_{2}\)将输出信号的一小部分反馈到低放管发射极,起减小非线性失真和改善频响的作用。 Rx1可用8.2欧或10欧;Rx\(_{2}\)可用800欧~2千欧,阻值视所需反馈量大小而定。要注意输出端的极性,可将输出端两头调换接一下试试,起负反馈作用的就表明是接对的,否则是正反馈,将出现啸叫。还可在图中A、B两点间再并联一个电容Cx,起减低高音频,提升低音作用。Cx在0.02~0.068微法之间选择,一般可用0.047微法。


图4是在整机输出端一端接一电阻Rx到低放管基极,另一端接地。Rx在36~150千欧内选择,一般用 100千欧。也可再在图中AB两点间并联一电容Cx,这时Rx用15~50千欧,Cx用1000~2000微微法。作用与图3相同,效果稍差。

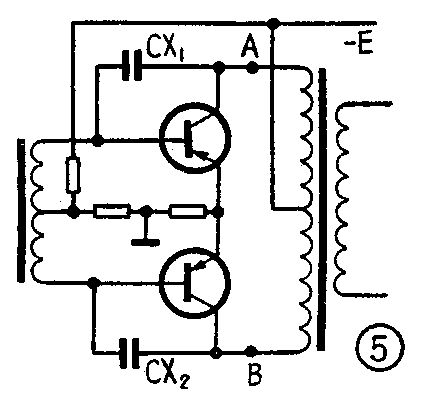
图5是在两只推挽管的基极和集电极间接并联电压负反馈电容Cx\(_{1}\)、Cx2,能抑制强信号啸叫,削弱高音,相应提升低音,对减小非线性失真效果明显, Cx\(_{1}\)、Cx2在5100微微法~0.022微法内选择,一般用0.01微法。在平时自装收音机时,用图2方法对减低叫声和噪声效果很明显;用图5方法比在图5A、B两点间接0.1~1微法电容改善音质效果好。如果两只推挽管放大倍数不同,对β值大的一只管子,Cx容量需用大一些,以加深负反馈,使两管放大倍数接近。(褚水贤)